КОСМОДРОМ - Электронные компоненты для разработки и производства - Харьков - Украина


 


Как купить...     


 

 

EnglishRussianUkrainian

Обратите внимание: запущена новая версия сайта

Перейти в корзину

Уважаемые покупатели. Обратите внимание на наш график работы - 13 апреля 2026 года - выходной день. Далее работаем по графику.

 8 битный AVR микроконтроллеры со 128 КБ внутрисистемно программируемой Flash памяти и CAN контроллером

Характеристики:

  • Высококачественный низкопотребляющий 8- битный AVR микроконтроллер

  • Передовая RISC архитектура
        - 133 команд, большинство которых выполняется за один тактовый цикл
        - 32 8 битных рабочих регистра общего применения
        - Полностью статическая архитектура
        - производительность до 16 MIPS при тактовой частоте 16 МГц
        - встроенный двухцикловый умножитель

  • Энергонезависимая память программ и данных
        - 128 КБ внутрисистемно программируемой Flash памяти программы, способной выдержать 10 000 циклов записи/стирания
        - вспомогательная секция загрузочной программы с независимым битом защиты
          выбираемый размер загрузочной памяти: 1, 2, 4 или 8 КБ
          внутрисистемное программирование встроенной программой-загрузчиком через UART или CAN
          реальная функция считывания при программировании
        - 4 КБ EEPROM, способной выдержать 100 000 циклов записи/стирания
        - 4 КБ встроенной SRAM памяти (статическое ОЗУ)
        - возможность работы с внешней памятью объемом до 64 КБ
        - Программируемая защита от считывания

  • JTAG (IEEE 1149.1 совместимый) интерфейс
        - Возможности граничного сканирования в соответствии со стандартом JTAG
        - Программирование битов защиты Flash и EEPROM
        - Поддержка встроенной отладки

  • CAN 2.0A и 2.0B контроллер
        - 15 полных сообщений объектов с раздельными метками и масками
        - Режимы передачи, приема, автоматического ответа и приема кадров
        - Максимальная скорость передачи 1 МБит/с при рабочей частоте 1 МГц

  • Характеристики периферии
        - Программируемый сторожевой таймер со встроенным генератором
        - 8- битный синхронный таймер/счетчик 0
          10 – разрядный предварительный делитель
          внешний счетчик событий
          выход сравнения или 8 – битного ШИМ сигнала
        - 8- битный синхронный таймер/счетчик 2
          10 – разрядный предварительный делитель
          внешний счетчик событий
          выход сравнения или 8 – битного ШИМ сигнала
          32 кГц генератор для выполнения функций часов реального времени
        - Два 16- битных синхронных таймера/счетчика 1 и 3
          10 – разрядный делитель
          вход захвата с подавителем шумов
          внешний счетчик событий
          три выхода сравнения или 16- битного сигнала с ШИМ
          выход модулятора сравнения
        - 8 канальный 10 битный SAR АЦП
          8 несимметричных каналов
          7 дифференциальных каналов
          2 дифференциальных канала с программируемым коэффициентом усиления 1, 10 или 100
        - Встроенный аналоговый компаратор
        - Байт- ориентированный последовательный 2- проводный интерфейс
        - Двойной программируемый последовательный USART
        - Ведущий/ведомый SPI интерфейс

  • Специальные характеристики микроконтроллера
        - Сброс при включении питания и детектор кратковременных пропаданий питания
        - Встроенный откалиброванный генератор
        - 8 внешних источников прерывания
        - Пять режимов пониженного потребления: Idle, ADC Noise Reduction, Power-Save, Power-down и Standby
        - Программное переключение рабочей частоты
        - Отключение всех подтягивающих транзисторов

  • Порты ввода - вывода и корпусное исполнение
        - 53 программируемых линии портов ввода-вывода
        - 64 выводные TQFP, QFN и CA-BGA корпуса

  • Диапазон напряжения питания
        - от 2.7 до 5.5 В

  • Индустриальный и автомобильный рабочие температурные диапазоны

  • Максимальная рабочая частота:
        - 8 МГц при 2.7 В питании у микроконтроллеров с индустриальным диапазоном
        - 16 МГц при 4.5 В питании у микроконтроллеров с индустриальным диапазоном

  • 0.5 мкА при напряжении питания 1.8 В

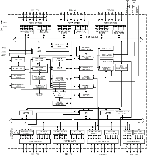
Блок- схема AT90CAN128:

Блок- схема AT90CAN128

Расположение выводов AT90CAN128:

Расположение выводов AT90CAN128

Общее описание:

AT90CAN128 – низкопотребляющий 8 битный КМОП микроконтроллер с AVR RISC архитектурой. Выполняя команды за один цикл, AT90CAN128 достигает производительности 1 MIPS при частоте задающего генератора 1 МГц, что позволяет разработчику оптимизировать отношение потребления к производительности.

AVR ядро объединяет богатую систему команд и 32 рабочих регистра общего назначения. Все 32 регистра непосредственно связаны с арифметико-логическим устройством (АЛУ), что позволяет получить доступ к двум независимым регистрам при выполнении одной команды. В результате эта архитектура позволяет обеспечить в десятки раз большую производительность, чем стандартная CISC архитектура.

AT90CAN128 имеет следующие характеристики: 128 КБ внутрисистемно программируемой Flash память программы, 4 КБ EEPROM память данных, 4 КБ SRAM (статическое ОЗУ), 53 линии ввода - вывода общего применения, 32 рабочих регистра общего назначения, CAN контроллер, часы реального времени, четыре гибких таймера/счетчика со схемой сравнения и генератором сигнала с ШИМ, 2 USART, байт- ориентированный последовательный 2- проводный интерфейс, 8 канальный АЦП, программируемый сторожевой таймер со встроенным генератором, SPI порт, JTAG порт с поддержкой внутрисистемной отладки и пять программно инициализируемых режима пониженного потребления.

В режиме Idle останавливается ядро, а SRAM, таймеры/счетчики, SPI/CAN порт и система прерываний продолжают функционировать. В Power-down режиме содержимое регистров сохраняется, но останавливается задающий генератор и отключаются все внутренние функции микропроцессора до тех пор, пока не произойдет прерывание или аппаратный сброс. В режиме Power-save асинхронные таймеры продолжают функционировать, позволяя отсчитывать временные интервалы в то время, когда микропроцессор находится в режиме сна. В режиме ADC Noise Reduction останавливается вычислительное ядро и все модули ввода-вывода, за исключением асинхронного таймера и самого АЦП, что позволяет минимизировать шумы в течение выполнения аналого-цифрового преобразования. В Standby режиме задающий генератор работает, в то время как остальная часть прибора бездействует. Это позволяет быстро сохранить возможность быстрого запуска приборов при одновременном снижении потребления.

Прибор изготовлен по высокоплотной энергонезависимой технологии изготовления памяти компании Atmel. Встроенная ISP Flash позволяет перепрограммировать память программы в системе через последовательный SPI интерфейс программой-загрузчиком, выполняемой в AVR ядре, или обычным программатором энергонезависимой памяти. Программа-загрузчик способна загрузить данные по любому интерфейсу, имеющегося у микроконтроллера. Программа в загрузочном секторе продолжает выполняться даже при загрузке области памяти прикладной программы, обеспечивая реальный режим "считывания при записи". Объединив 8- битное RISK ядро и самопрограммирующейся внутри системы Flash памятью корпорация Atmel сделала прибор AT90CAN128 мощным микроконтроллером, обеспечивающим большую гибкость и ценовую эффективность широкому кругу управляющих устройств.

AT90CAN128 поддерживается различными программными средствами и интегрированными средствами разработки, такими как компиляторы C, макроассемблеры, программные отладчики/симуляторы, внутрисхемные эмуляторы и ознакомительные наборы.

 


Поставляемые компоненты











^ Наверх

Электронные компоненты для разработки и производства. Харьков, Украина

  Украинский хостинг - UNIX хостинг & ASP хостинг

радиошоп, radioshop, радио, радиодетали, микросхемы, интернет, завод, комплектующие, компоненты, микросхемы жки индикаторы светодиоды семисегментные датчики влажности преобразователи источники питания тиристор симистор драйвер транзистор, диод, книга, приложение, аудио, видео, аппаратура, ремонт, антенны, почта, заказ, магазин, интернет - магазин, товары-почтой, почтовые услуги, товары, почтой, товары почтой, каталог, магазин, Internet shop, база данных, инструменты, компоненты, украина, харьков, фирма Космодром kosmodrom поставщики электронных компонентов дюралайт edison opto светодиодное освещение Интернет-магазин радиодеталей г.Харьков CREE ATMEL ANALOG DEVICES АЦП ЦАП