КОСМОДРОМ - Электронные компоненты для разработки и производства - Харьков - Украина


 


Как купить...     


 

 

EnglishRussianUkrainian

Обратите внимание: запущена новая версия сайта

Перейти в корзину

Уважаемые покупатели. Обратите внимание на наш график работы - 13 апреля 2026 года - выходной день. Далее работаем по графику.

ATmega325/V, ATmega3250/V

8-разр. микроконтроллеры с внутрисистемно программируемой флэш-памятью

Отличительные особенности:

  • Высокопроизводительный, маломощный 8-разр. AVR-микроконтроллер
  • Продвинутая RISC-архитектура
        – Мощный набор из 130 инструкций, большинство которых выполняются за один такт
        – 32 x 8 рабочих регистров общего назначения
        – Полностью статическая работа
        – Производительность до 16 млн. оп. в сек. при 16 МГц
        – Встроенное 2-тактное умножающее устройство
  • Энергонезависимые памяти программ и данных
        – Внутрисистемно самопрограммируемая флэш-память
          износостойкость: 10000 циклов запись/стирание
          32 кбайт
        – Опциональный загрузочный сектор с раздельными битами защиты
          Внутрисистемное программирование под управлением программы в загрузочном секторе
          Поддержка чтения во время записи
        – ЭСППЗУ с износостойкостью 100 тыс. циклов запись/стирание
          1 кбайт
        – Внутреннее статическое ОЗУ
          2 кбайт
        – Программируемые биты защиты программного кода
  • Интерфейс JTAG (совместимый со стандартом IEEE. 1149.1)
        – Граничное сканирование по стандарту JTAG
        – Поддержка функций внутрикристальной отладки
        – Программирование флэш-памяти, ЭСППЗУ, конфигурационных бит и бит защиты через интерфейс JTAG
  • Характеристики периферийных устройств
        – Два 8-разр. таймера-счетчика с раздельными предделителями и режимами сравнения
        – Один 16-разр. таймер-счетчик с отдельным предделителем, режимом сравнения и режимом захвата
        – Счетчик реального времени с отдельным генератором
        – Четыре ШИМ-канала
        – 8-канальный 10-разр. АЦП
        – Программируемый последовательный УСАПП
        – Ведущий/подчиненный последовательный интерфейс SPI
        – Универсальный последовательный интерфейс с детектором условия «старт»
        – Программируемый сторожевой таймер с отдельным встроенным генератором
        – Встроенный аналоговый компаратор
        – Прерывание и пробуждение при изменении состояний на выводах
  • Специальные функции микроконтроллера
        – Сброс при подаче питания и программируемая защита от понижения напряжения питания
        – Внутренний калиброванный генератор
        – Внешние и внутренние источники прерываний
        – Пять режимов сна: холостой ход (Idle), снижение шумов АЦП (ADC Noise Reduction), экономичный (Power-save), выключение (Power-down) и дежурный (Standby)
  • Ввод-вывод и корпуса
        – 53/68 программируемых линий ввода-вывода
        – 64-выв. TQFP, 64-выв. MLF и 100-выв. TQFP
  • Градации по быстродействию:
        – ATmega325V/ATmega3250V:
          0…4 МГц/1.8…5.5В, 0…8 МГц/2.7…5.5В
        – ATmega325/ATmega3250:
          0…8 МГц/2.7 - 5.5В, 0…16 МГц/4.5…5.5В
  • Температурный диапазон:
        – промышленный (-40°C…+85°C)
  • Сверхмалая потребляемая мощность
        – Активный режим:
          1 МГц, 1.8В: 400 мкА
          32 кГц, 1.8В: 20 мкА (в т.ч. генератор)
        – Режим выключения:
          0.5 мкА при 1.8В

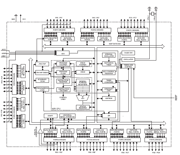
Блок- схема ATmega325/ATmega3250:

Блок- схема ATmega325/ATmega3250

Общее описание:

ATmega325/ATmega3250 – экономичные 8-разрядные микроконтроллеры, основанные на усиленной AVR RISC архитектуре. ATmega325/ATmega3250 обеспечивают производительность 1 млн. оп. в сек на 1 МГц синхронизации за счет выполнения большинства инструкций за один машинный цикл и позволяют оптимизировать потребление энергии за счет изменения частоты синхронизации.

AVR ядро объединяет богатый набор инструкций с 32 рабочими регистрами общего назначения. Все 32 регистра непосредственно подключены к АЛУ (арифметико-логическое устройство), что позволяет указывать два регистра в одной инструкции и выполнить ее за один цикл. Данная архитектура обладает большей эффективностью кода и в 10 раз большей производительностью по сравнению с CISC микроконтроллерами.

ATmega325/ATmega3250 интегрируют следующие устройства: 32 кбайт внутрисистемно программируемая флэш-память с поддержкой чтения во время записи, 1 кбайт ЭСППЗУ, 2 кбайт статического ОЗУ, 53/68 линии ввода-вывода общего назначения, 32 рабочих регистра общего назначения, интерфейс JTAG для граничного сканирования, поддержки внутрикристальной отладки и программирования, три универсальных таймера-счетчика с режимами сравнения, внутренние и внешние прерывания, последовательный программируемый УСАПП, универсальный последовательный интерфейс с детектором условия старт, 8-канальный 10-разр. АЦП, программируемый сторожевой таймер с внутренним генератором, последовательный порт SPI и пять программно управляемых экономичных режимов. Режим холостого хода (Idle) останавливает ЦПУ, но оставляет в работе статическое ОЗУ, таймеры-счетчики, порт SPI и систему прерываний. Режим выключения (Power-down) сохраняет содержимое регистров, но останавливает генератор, выключает все встроенные функции до появления следующего запроса на прерывание или аппаратного сброса. В экономичном режиме (Power-save) асинхронный таймер продолжает работать, позволяя пользователю его использовать, а остальные устройства отключены. В дежурном режиме (Standby) генератор на кварцевом резонаторе запущен, а остальная часть отключена.

Микроконтроллеры выпускаются по разработанной Atmel технологии энергонезависимой памяти высокой емкости. Встроенная ISP флэш-память может внутрисхемно перепрограммироваться через последовательный интерфейс SPI обычным программатором энергонезависимой памяти или запущенной программой в секторе начальной загрузки AVR ядра. Программа в секторе начальной загрузки может использовать любой интерфейс для записи программы. Программа в секторе начальной загрузки выполняется даже при обновлении области прикладной программы во флэш-памяти, обеспечивая действительную возможность чтения во время записи. За счет комбинирования 8-разрядного RISC ЦПУ с внутрисхемно самопрограммируемой флэш-памятью на одном кристалле, позволило ATmega325/ATmega3250 быть мощными микроконтроллерами, обеспечивающих высокую универсальность и обладающих низкой стоимостью, что делает их применение идеальным для построения встроенных систем управления.

ATmega325/ATmega3250 поддерживаются полным набором инструментальных и программных средств для разработки приложений, в т.ч.: Cи-компиляторы, макроассемблеры, программные отладчики/симуляторы, внутрисхемные эмуляторы, оценочные наборы.

Таблица 1 – Отличия микроконтроллеров ATmega325, ATmega3250

Наименование Флэш-память ЭСППЗУ СОЗУ Ввод-вывод
ATmega325 32 кбайт 1 кбайт 2 кбайт 53
ATmega3250 32 кбайт 1 кбайт 2 кбайт 68

Информация для заказа:

Такт. частота, МГц Напряжение питания Код заказа Корпус Темп.диапазон

ATmega325

8 1.8-5.5В ATmega325V-8AI
ATmega325V-8AJ
ATmega325V-8MI
ATmega325V-8MU
64-выв. TQFP
64-выв. TQFP
64-выв. MLF
64-выв. MLF
Промышленный
(-40°C…+85°C)
16 4.5-5.5В ATmega325-16AI
ATmega325-16AJ
ATmega325-16MI
ATmega325-16MU
64-выв. TQFP
64-выв. TQFP
64-выв. MLF
64-выв. MLF
Промышленный
(-40°C…+85°C)

ATmega3250

8 1.8-5.5В ATmega3250V-8AI
ATmega3250V-8AJ
100-выв. TQFP
100-выв. TQFP
Промышленный
(-40°C…+85°C)
16 4.5-5.5В ATmega3250-16AI
ATmega3250-16AJ
100-выв. TQFP
100-выв. TQFP
Промышленный
(-40°C…+85°C)

 


Поставляемые компоненты











^ Наверх

Электронные компоненты для разработки и производства. Харьков, Украина

  Украинский хостинг - UNIX хостинг & ASP хостинг

радиошоп, radioshop, радио, радиодетали, микросхемы, интернет, завод, комплектующие, компоненты, микросхемы жки индикаторы светодиоды семисегментные датчики влажности преобразователи источники питания тиристор симистор драйвер транзистор, диод, книга, приложение, аудио, видео, аппаратура, ремонт, антенны, почта, заказ, магазин, интернет - магазин, товары-почтой, почтовые услуги, товары, почтой, товары почтой, каталог, магазин, Internet shop, база данных, инструменты, компоненты, украина, харьков, фирма Космодром kosmodrom поставщики электронных компонентов дюралайт edison opto светодиодное освещение Интернет-магазин радиодеталей г.Харьков CREE ATMEL ANALOG DEVICES АЦП ЦАП