КОСМОДРОМ - Электронные компоненты для разработки и производства - Харьков - Украина


 


Как купить...     


 

 

EnglishRussianUkrainian

Обратите внимание: запущена новая версия сайта

Перейти в корзину

Серии источников питания HDR на DIN рейку с ультра-узкой формой корпуса и полным диапазоном входного напряжения 100-240 В переменного тока 15, 30, 60, 100, 150 Ватт
HDR-15   HDR-30   HDR-60   HDR-100   HDR-150  

Уважаемые покупатели. Обратите внимание на наш график работы - 13 апреля 2026 года - выходной день. Далее работаем по графику.

ATtiny28, ATtiny28L

8-ми разрядный AVR® микроконтроллер с 2 Кбайт Flash памятью

Отличительные особенности:

  • Основан на AVR® RISC архитектуре

  • Высокопроизводительный AVR® микроконтроллер с низким уровнем энергопотребления:
        90 мощных инструкций - большинство выполняются за один такт
        32 х 8 рабочих регистров общего назначения
        Производительность, вплоть до 4 MIPS при 4 МГц

  • Энергонезависимая память для программного кода:
        2 Кбайт Flash- программная память с поддержкой внутрисистемного программирования, ресурс: 1000 циклов запись/ стирание
        Программируемая блокировка для безопасности содержимого Flash

  • Периферия:
        Функции прерывания и активации при низком логическом уровне на входе
        Один 8-ми разрядный таймер/ счетчик с отдельным предварительным делителем частоты
        Встроенный аналоговый компаратор
        Программируемый следящий таймер с встроенным генератором
        Встроенный драйвер светодиодного индикатора с программируемой модуляцией

  • Специализированные функции микроконтроллера:
        Режимы пониженного энергопотребления:
          Покоя (Idle), и отключения (Power Down)
        Внешние и внутренние источники прерывания
        Цепь инициализации при включении питания с программированием временем запуска
        Программируемая цепь детектирования аварийного отключения питания
        Калиброванный встроенный RC генератор

  • Энергопотребление при 1 МГц, 2 В, 25°С:
        Активный режим: специфицируется позже
        Режим покоя: специфицируется позже
        Режим отключения: <1 мкА

  • Функции I/O и корпус:
        11 программируемых линий I/O, 8 входных линий и мощный драйвер светодиодного индикатора
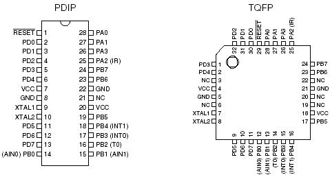
        28-pin PDIP и 32-pin TQFP

  • Напряжение питания:
        От 1.8 В до 5.5 В (ATtiny28L)
        От 2.7 В до 5.5 В (ATtiny28)

  • Градации тактовой частоты:
        0 - 1 МГц (ATtiny28)
        0 - 4 МГц (ATtiny28L)

Блок- схема ATtiny28:


Расположение выводов:


Описание:

ATtiny28 является 8-ми разрядным CMOS микроконтроллером с низким уровнем энергопотребления, основанным на AVR RISC архитектуре. Благодаря выполнению высокопроизводительных инструкций за один период тактового сигнала, ATtiny28 достигает производительности, приближающейся к уровню 1 MIPS на МГц, обеспечивая разработчику возможность оптимизировать уровень энергопотребления в соответствии с необходимой вычислительной производительностью.

Ядро AVR содержит мощный набор инструкций и 32 рабочих регистра общего назначения. Все 32 регистра напрямую подключены к арифметико - логическому устройству (АЛУ), что обеспечивает доступ к двум независимым регистрам при выполнении одной инструкции за один такт. В результате, данная архитектура имеет более высокую эффективность кода, при повышении пропускной способности, вплоть до 10 раз, по сравнению со стандартными микроконтроллерами CISC.

ATtiny28 имеет: 2 Кбайт Flash памяти, 11 линий I/O общего назначения, 8 входных линий, силовой драйвер светодиодного индикатора, 32 рабочих регистра общего назначения, 8- ми разрядный таймер/ счетчик, а также, два программно выбираемых режима экономии энергопотребления. Режим ожидания «Idle Mode» останавливает CPU, но позволяет функционировать таймеру/ счетчикам, а также, системе прерываний. Режим экономии энергопотребления «Power Down» сохраняет содержимое регистров, но останавливает тактовый генератор, отключая все остальные функции микроконтроллера, вплоть до следующего внешнего прерывания, или до аппаратной инициализации. Активация, или прерывание по низкому уровню входного сигнала делает ATtiny28 высокочувствительным к внешним событиям, при сохранении минимального уровня энергопотребления в режимах экономии.

Устройство производится с применением технологи энергонезависимой памяти с высокой плотностью размещения, разработанной в корпорации Atmel. Благодаря совмещению усовершенствованного, 8-ми разрядного RISC CPU с Flash- памятью на одном кристалле получился высокопроизводительный микроконтроллер ATtiny28, обеспечивающий гибкое и экономически- высокоэффективное решение для многих приложений с встроенными системами управления.

AVR ATtiny28 поддерживается полным набором программ и пакетов для разработки, включая: компиляторы С, макроассемблеры, отладчики/ симуляторы программ, внутрисхемные эмуляторы и наборы для макетирования.


Поставляемые компоненты











^ Наверх

Электронные компоненты для разработки и производства. Харьков, Украина

  Украинский хостинг - UNIX хостинг & ASP хостинг

радиошоп, radioshop, радио, радиодетали, микросхемы, интернет, завод, комплектующие, компоненты, микросхемы жки индикаторы светодиоды семисегментные датчики влажности преобразователи источники питания тиристор симистор драйвер транзистор, диод, книга, приложение, аудио, видео, аппаратура, ремонт, антенны, почта, заказ, магазин, интернет - магазин, товары-почтой, почтовые услуги, товары, почтой, товары почтой, каталог, магазин, Internet shop, база данных, инструменты, компоненты, украина, харьков, фирма Космодром kosmodrom поставщики электронных компонентов дюралайт edison opto светодиодное освещение Интернет-магазин радиодеталей г.Харьков CREE ATMEL ANALOG DEVICES АЦП ЦАП