КОСМОДРОМ - Электронные компоненты для разработки и производства - Харьков - Украина


 


Как купить...     


 

 

EnglishRussianUkrainian

Обратите внимание: запущена новая версия сайта

Перейти в корзину

Ёмкость, мкф

Напряжение, В

Диаметр, мм

 

Уважаемые покупатели. Обратите внимание на наш график работы - 13 апреля 2026 года - выходной день. Далее работаем по графику.

 

International Rectifier Corporation
Общепризнанный мировой лидер в разработке и производстве силовых полупроводниковых компонентов

Полное наименование: International Rectifier Corporation
Веб сайт: www.irf.com
Перечень поставляемой продукции

 

В течение последнего десятилетия внедрение компанией International Rectifier TrenchFET-технологии изготовления полевых транзисторов привело к появлению MOSFET, сочетающих в себе как ультранизкое сопротивление открытого канала, так и улучшенные динамические характеристики. В статье рассказывается о новых изделиях, пополнивших линейку MOSFET компании International Rectifier в самое последнее время.

 

Фирма International Rectifier выпускает широкую гамму микросхем драйверов для управления затворами IGBT и полевых транзисторов. Все драйверы выпускаются в DIP и SMD исполнении с возможностью управления затворами приборов, работающих под напряжением до 1200 В при макс. выходном напряжении на затворе до 20 В. Выпускаемые драйверы предназначены для управления затворами верхних, нижних, полумостовых, верхних и нижних, раздельных трехфазных мостовых и трехфазных схем включения.

 

НА СКЛАДЕ В ХАРЬКОВЕ

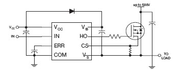
Драйверы верхнего ключа


схема подключения драйвера верхнего ключа International Rectifier                   

Схема подключения драйвера верхнего ключа International Rectifier

 

               

Наименование

Макс. рабочее напряжение, В

Макс. выходной ток, мА

Макс. втекающий ток, мА

Напряжение питания, В

Мин. выходное напряжение, В

Макс. выходное напряжение, В

Наличие ток сенсора

Тип корпуса

купить - жми ниже на ссылку

IR2125S

500

1000

2000

10-25

12

18

 

SOIC-16

IR21271

600

200

420

10-25

9-12

20

+

SOIC-8

IR21271S

600

200

420

10-25

9-12

20

+

SOIC-8

IR2172S

600

N/A

10-20

10-25

 

 

+

SOIC-8

IR2128S

600

200

420

10-25

10

20

 

SOIC-8

IR2170S

600

 

1

10-25

9.5

20

+

SOIC-8

IR2117S

600

200

420

10-25

10

20

 

SOIC-8

IR2122S

600

110

110

10-25

10

20

 

SOIC-8

IR2127S

600

200

420

10-25

10

20

 

SOIC-8

IR2118S

600

200

420

10-25

10

20

 

SOIC-8

IR2127

600

200

420

10-25

10

20

 

DIP-8

IR2128

600

200

420

10-25

10

20

 

DIP-8

IR2125

500

1000

2000

10-25

12

18

 

DIP-8

IR2118

600

200

420

10-25

10

20

 

DIP-8

IR2122

600

110

110

10-25

10

20

 

DIP-8

IR2172

600

 

10-20

10-25

 

 

+

DIP-8

IR2170

600

 

1

10-25

9.5

20

+

DIP-8

IR2117

600

200

420

10-25

10

20

 

DIP-8


Драйверы нижнего ключа


схема подключения драйвера нижнего ключа International Rectifier

Схема подключения драйвера нижнего ключа International Rectifier

Наименование

Макс. выходной ток, мА

Макс. втекающий ток, мА

Напряжение питания, В

Мин. выходное напряжение, В

Макс. выходное напряжение, В

Напряжение смещения, В

Тип корпуса

купить - жми ниже на ссылку

IR1210

1500

1500

6-20

6

20

ноль

SOIC-8

IR4426S

1500

1500

6-20

6

20

 

SOIC-8

IR4427S

1500

1500

6-20

6

20

 

SOIC-8

IR4428S

1500

1500

6-20

6

20

 

SOIC-8

IR2121

1000

2000

10-25

12

18

5

DIP-8

IR4426

1500

1500

6-20

6

20

 

DIP-8

IR4427

1500

1500

6-20

6

20

 

DIP-8

IR4428

1500

1500

6-20

6

20

 

DIP-8

Драйверы полумост


схема подключения драйвера полумост International Rectifier

Схема подключения драйвера полумост International Rectifier

Тип

Максимальное напряжение смещения:

Выходной ток, мА

Макс. втекающий ток, мА

Напряжение питания, В

Мин. выходное напряжение, В

Макс. выходное напряжение, В

Задержка выходного сигнала, нс

 

купить - жми ниже на ссылку

IR21094S

600

120

250

10-25

10

20

60

SOIC-14

IR21094

600

120

250

10-25

10

20

60

DIP-14

IR21592S

600

500

500

12-25

10

20

 

SOIC-16 узкий

IR2157S

600

500

500

10-25

10

20

 

SOIC-16 узкий

IR21592

600

500

500

12-25

10

20

 

DIP-16

IR2157

600

500

500

10-25

10

20

 

DIP-16

IR2152S

600

100

210

12-20

10

20

 

SOIC-8

IR2151S

600

100

210

12-20

10

20

 

SOIC-8

IR2103S

600

130

270

10-25

10

20

60

SOIC-8

IR2111S

600

200

420

10-25

10

20

30

SOIC-8

IR2153DS

600

200

400

12-20

10

20

 

SOIC-8

IR2109S

600

120

250

10-25

10

20

60

SOIC-8

IR2302S

600

120

250

10-25

10

20

60

SOIC-8

IR2171S

600

 

20

10-20

300

300

 

SOIC-8

IR21531S

600

200

400

12-20

10

20

 

SOIC-8

IR2105S

600

100

210

10-25

10

20

60

SOIC-8

IR2153S

600

200

400

12-20

10

20

 

SOIC-8

IR2104S

600

100

210

10-25

10

20

60

SOIC-8

IR2151

600

100

210

12-20

10

20

 

DIP-8

IR2109

600

120

250

10-25

10

20

60

DIP-8

IR2152

600

100

210

12-20

10

20

 

DIP-8

IR2111

600

200

420

10-25

10

20

30

DIP-8

IR2105

600

100

210

10-25

10

20

60

DIP-8

IR2153D

600

200

400

12-20

10

20

 

DIP-8

IR2155

600

210

420

12-20

10

20

 

DIP-8

IR21531

600

200

400

12-20

10

20

 

DIP-8

IR2104

600

100

210

10-25

10

20

 

DIP-8

IR2171

600

 

20

10-20

300

-300

 

DIP-8

IR2302

600

120

250

10-25

10

20

60

DIP-8

IR2153

600

200

400

12-20

10

20

 

DIP-8

IR2103

600

130

270

10-25

10

20

60

DIP-8

Драйверы верхнего и нижнего ключа


схема подключения драйвера верхнего и нижнего ключа

Схема подключения драйвера верхнего и нижнего ключа

Наименование

Рабочее напряжение, В

Макс. выходной ток, мА

Макс. втекающий ток, мА

Напряжение питания, В

Мин. выходное напряжение, В

Макс. выходное напряжение, В

Задержка выходного сигнала, нс

Тип корпуса

купить - жми ниже на ссылку

IR2106S

600

120

250

10-25

10

20

50

SOIC-8

IR2184S

600

1700

1700

10-25

10

20

 

SOIC-8

IR2183S

600

1700

1700

10-25

10

20

 

SOIC-8

IR21091S

600

120

250

10-25

0.6

1.4

60

SOIC-8

IR2301S

600

120

250

10-25

10

20

50

SOIC-8

IR2181S

600

1700

1700

10-25

10

20

 

SOIC-8

IR2102S

600

100

210

10-25

10

20

50

SOIC-8

IR2108S

600

120

250

10-25

10

20

60

SOIC-8

IR2101S

600

100

210

10-25

10

20

50

SOIC-8

IR21834S

600

1700

1700

10-25

10

20

 

SOIC-14

IR21064S

600

120

250

10-25

10

20

50

SOIC-14

IR21814S

600

1700

1700

10-25

10

20

 

SOIC-14

IR21844S

600

1700

1700

10-25

10

20

 

SOIC-14

IR21084S

600

120

250

10-25

10

20

60

SOIC-14

IR2110S

500

2000

2000

10-25

10

20

10

SOIC-16

IR2113S

600

2000

2000

10-25

10

20

10

SOIC-16

IR2213S

1200

1700

2000

10-25

10

20

30

SOIC-16

IR2112S

600

200

420

10-25

10

20

30

SOIC-16

IR2010S

200

3000

3000

10-25

10

20

 

SOIC-16

IR2183

600

1700

1700

10-25

10

20

 

DIP-8

IR2102

600

100

210

10-25

10

20

50

DIP-8

IR2301

600

120

250

10-25

10

20

50

DIP-8

IR2106

600

120

250

10-25

10

20

50

DIP-8

IR2101

600

100

210

10-25

10

20

50

DIP-8

IR21091

600

120

250

10-25

0.6

1.4

60

DIP-8

IR2181

600

1700

1700

10-25

10

20

 

DIP-8

IR2108

600

120

250

10-25

10

20

60

DIP-8

IR2184

600

1700

1700

10-25

10

20

 

DIP-8

IR2113

600

2000

2000

10-25

10

20

10

DIP-14

IR2112

600

200

420

10-25

10

20

30

DIP-14

IR21834

600

1700

1700

10-25

10

20

 

DIP-14

IR21814

600

1700

1700

10-25

10

20

 

DIP-14

IR2110

500

2000

2000

10-25

10

20

10

DIP-14

IR2010

200

3000

3000

10-25

10

20

 

DIP-14

IR21844

600

1700

1700

10-25

10

20

 

DIP-14

IR21064

600

120

250

10-25

10

20

50

DIP-14

IR21084

600

120

250

10-25

10

20

60

DIP-14

IR2213

1200

1700

2000

10-20

10

20

30

DIP-14

IR2112-1

600

200

420

10-25

10

20

30

DIP-14

IR2112-2

600

200

420

10-25

10

20

30

DIP-16

Независимые трёхфазные драйверы МОП транзисторов


схема подключения независимого трёхфазного драйвера МОП транзисторов

Схема подключения независимого трёхфазного драйвера МОП транзисторов

Наименование

Рабочее напряжение, В

Макс. выходной ток, мА

Макс. втекающий ток, мА

Напряжение питания, В

Мин. выходное напряжение, В

Макс. выходное напряжение, В

Тип корпуса

купить - жми ниже на ссылку

IR2131S

600

200

420

10-25

10

20

SOIC-28

IR2131

600

200

420

10-25

10

20

DIP-28

IR2131J

600

200

420

10-25

10

20

PLCC-44

3-хфазные драйверы с инверсией


схема подключения 3-хфазного драйвера с инверсией

Схема подключения 3-хфазного драйвера с инверсией

Наименование

Рабочее напряжение, В

Макс. выходной ток, мА

Макс. втекающий ток, мА

Напряжение питания, В

Мин. выходное напряжение, В

Макс. выходное напряжение, В

Тип корпуса

купить - жми ниже на ссылку

IR21362S

600

120

250

12-25

12

20

SOIC-28

IR2235S

1200

200

420

10-20

10

20

SOIC-28

IR21365S

600

120

250

12-20

10

20

SOIC-28

IR21363S

600

120

250

12-20

10

20

SOIC-28

IR2233S

1200

200

420

10-20

10

20

SOIC-28

IR2135S

600

200

420

12-25

10

20

SOIC-28

IR2130S

600

200

420

10-25

10

20

SOIC-28

IR2130

600

200

420

10-25

10

20

DIP-28

IR2233

1200

200

420

10-20

10

20

DIP-28

IR21362

600

120

250

12-25

12

20

DIP-28

IR2133

600

200

420

10-25

10

20

DIP-28

IR21365

600

120

250

12-20

10

20

DIP-28

IR21363

600

120

250

12-20

10

20

DIP-28

IR2136

600

120

250

12-25

10

20

DIP-28

IR2132

600

200

420

10-25

10

20

DIP-28

IR2135

600

200

420

12-25

10

20

DIP-28

IR2235

1200

200

420

10-20

10

20

DIP-28

IR21362J

600

120

250

12-25

12

20

PLCC-44

IR2132J

600

200

420

10-25

10

20

PLCC-44

IR2235J

1200

200

420

10-20

10

20

PLCC-44

IR21365J

600

120

250

12-20

10

20

PLCC-44

IR2233J

1200

200

420

10-20

10

20

PLCC-44

 

 


Поставляемые компоненты











^ Наверх

Электронные компоненты для разработки и производства. Харьков, Украина

  Украинский хостинг - UNIX хостинг & ASP хостинг

радиошоп, radioshop, радио, радиодетали, микросхемы, интернет, завод, комплектующие, компоненты, микросхемы жки индикаторы светодиоды семисегментные датчики влажности преобразователи источники питания тиристор симистор драйвер транзистор, диод, книга, приложение, аудио, видео, аппаратура, ремонт, антенны, почта, заказ, магазин, интернет - магазин, товары-почтой, почтовые услуги, товары, почтой, товары почтой, каталог, магазин, Internet shop, база данных, инструменты, компоненты, украина, харьков, фирма Космодром kosmodrom поставщики электронных компонентов дюралайт edison opto светодиодное освещение Интернет-магазин радиодеталей г.Харьков CREE ATMEL ANALOG DEVICES АЦП ЦАП