|
| |
|
Интегральные гироскопы iMEMS – датчики угловой скорости фирмы Analog Devices
|
|
| |
|
|
|
| |
|
Серия [
ADXRS ] -
наличие на складе, цены |
|
Фирма Analog Devices в течение многих лет
выпускает полупроводниковые датчики температуры, датчики магнитного поля и
микромеханические датчики iMEMS. Они обладают различными характеристиками,
имеют как цифровые, так и аналоговые выходы; кроме того, многие датчики
стали промышленным стандартом в электронике. Новые датчики фирмы ADI –
гироскопы iMEMS ADXRS – в силу сочетания уникальных характеристик могут
служить средством для воплощения новых, беспрецедентных конструкторских
идей.
Микромеханические датчики iMEMS

Среди
разнообразных датчиков, выпускаемых фирмой Analog Devices, особое место
занимают микромеханические датчики iMEMS (integrated Micro Electro
Mechanical System). Более десяти лет назад компания
Analog Devices приступила
к изготовлению электро-механических устройств на кристалле кремния с помощью
данной технологии. Первые образцы полностью интегрированных однокристальных
датчиков ускорения (акселерометров) iMEMS были выпущены в 1991 году.
Изначально акселерометры iMEMS были разработаны специально для систем
безопасности автомобилей, где они применялись для детектирования
столкновений и активации подушек безопасности; сегодня же эти акселерометры
применяются в качестве инерциальных датчиков в самых разных областях. Analog
Devices является лидером в данной отрасли промышленности. К сентябрю 2002
года фирма выпустила более 100 миллионов экземпляров акселерометров.
Независимая экспертная фирма National Standards Authority of Ireland, Inc.
присвоила продукции iMEMS компании Analog Devices один из самых высоких
рейтингов. Сегодня Analog Devices является крупнейшим поставщиком датчиков
ускорения для активации подушек безопасности автомобилей, так как
производители автомобильных комплектующих – заказчики, очень требовательные
к качеству компонентов – избрали датчики iMEMS для применения в столь
ответственных устройствах. Компания Analog Devices использует
сертифицированную систему контроля качества продукции QS-9000 и с 1993 года
поставила миллионы датчиков iMEMS для систем безопасности автомобиля, где
требуется высокая надежность: вероятность отказа порядка 10–6,
срок службы 15 лет и стопроцентное соблюдение условий и сроков поставки.
Продукция iMEMS компании Analog Devices имеет награды, в частности изданием
Electronic Design News продукции iMEMS было дважды присвоено звание "Новинка
года" ("Innovation of the Year Awards"), также она имеет награды от фирм
Volkswagen (1998) и Ernst & Young за качество поставляемой продукции.
Датчики iMEMS, помимо автомобильной электроники,
используются также в разного рода бытовых и промышленных приборах, зачастую
позволяя реализовать уникальные решения. Так например, микросхема датчика
ускорения ADXL190 имеет настолько малые габариты и вес, что это позволило
использовать ее в качестве датчика ускорения при монтаже микросхемы
непосредственно на конусе диффузора низкочастотного громкоговорителя. Такая
схема позволила реализовать обратную связь по ускорению и добиться
качественного снижения уровня нелинейных искажений и механической
добротности акустической системы. Данное решение уже воплощено в серийной
продукции.
Акселерометры ADXL фирмы Analog Devices служат
датчиками не только динамического, но и статического ускорения, поэтому они
могут применяться как датчики наклона.
В 2000 году компания Analog Devices приобрела
фирму BCO Technologies, являющуюся пионером в разработке и производстве
связанных подложек на основе однокристальной технологии SOI (silicon on
insulator, кремний на изоляторе); данная технология теперь используется для
производства на основе кремния коммутаторов для оптоволоконных сетей и
датчиков ускорения нового поколения. Недавно фирма Analog Devices включила в
оптическую структуру, созданную по технологии iMEMS, схемы формирования и
обработки сигнала, таким образом обеспечив значительное увеличение
функциональных возможностей устройства.
Итог
десятилетнего производства датчиков iMEMS фирма Analog Devices подвела
разработкой новых интегральных гироскопов серии
ADXRS.
Датчики
угловой скорости – гироскопы iMEMS в сравнении с гироскопами прочих типов
В 2002 году фирма Analog Devices впервые в мире
приступила к производству интегральных гироскопов на базе технологии iMEMS –
это единственное на сегодня коммерчески доступное устройство, интегрирующее
на одном кремниевом кристалле датчик угловой скорости и электронику,
обеспечивающую формирование и предварительную обработку сигнала.
Какое место занимают интегральные датчики
угловой скорости iMEMS в многочисленном семействе гироскопов разных типов?
Как и любые промышленные приборы, гироскопы можно сравнивать по различным
характеристикам: это массо-габаритные показатели, энергопотребление,
стоимость, надежность, способность работать в условиях вибрации и
перегрузки. Однако в первую очередь разработчик интересуется показателями,
характеризующими точность гироскопа.
Прежде всего отметим, что гироскопы делятся на
два основных класса: это свободные гироскопы (астатические, хранящие
заданное направление) и датчики угловой скорости (ДУС), к которым,
собственно, и относятся гироскопы iMEMS. Для астатических гироскопов
основным показателем точности является остаточная скорость ухода,
тогда как точность датчиков угловой скорости характеризуется погрешностью
измерения угловой скорости. Разумеется, чтобы получить сигнал углового
положения из сигнала угловой скорости, необходимо интегрировать сигнал
скорости, что приводит к быстрому накоплению погрешности.
Датчики угловой скорости типа
ADXRS150 и
ADXRS300 выпускаются в миниатюрных корпусах размером 7×7×3 мм с выводами в
виде матрицы шариков (BGA), вес такого прибора не превышает 0,5 г. Рекордно
низкие массогабаритные показатели чувствительных элементов, обеспечиваемые
микромеханической технологией iMEMS, сочетаются с интеграцией всех
необходимых электронных схем обработки сигнала в одной микросхеме
Важнейший для портативных автономных устройств
параметр – это энергопотребление. Гироскопы
ADXRS150 и
ADXRS300 фирмы Analog
Devices потребляют ток величиной 5 мА при номинальном напряжении питания 5
В. Этот параметр у гироскопов iMEMS сильно отличается в меньшую сторону по
сравнению с прочими гироскопами.
Низкая стоимость датчиков угловой скорости iMEMS
(не превышающая десятков долларов) также ставит их в обособленное положение
среди других гироскопов.
3
Кроме того, гироскопы
iMEMS отличаются высокой надежностью. В данных приборах для повышения
надежности (впервые в коммерчески доступных гироскопах данного класса)
предусмотрена встроенная система полного механического и электронного
автотестирования, которая функционирует без необходимости отключения
датчиков.
Патентованные решения,
которые воплощены в технологии iMEMS, обеспечивают экстраординарную
устойчивость датчиков iMEMS к ударам и вибрации. Гироскопы ADXRS выдают
стабильный выходной сигнал в присутствии механических шумовых колебаний с
величиной ускорения до 2000 g в широком диапазоне частот. Это уникальное
свойство важно, например, для таких систем, как автомобильный датчик
переворота, где переворот транспортного средства должен быть достоверно
распознан электронными системами автомобиля в условиях помех от ударов и
вибрации в результате столкновения или выезда за пределы проезжей части.
Разумеется,
достигнутые характеристики постоянно повышаются благодаря совершенствованию
технологии iMEMS.
Таким образом, сочетание уникальных показателей
сразу по многим параметрам позволяет данным приборам служить средством как
для улучшения характеристик и возможностей имеющихся разработок, так и для
воплощения новых, беспрецедентных конструкторских идей.
Сигнал, получаемый с гироскопа, может быть использован для
повышения точности и надежности систем позиционирования и навигации (GPS),
для стабилизации подвижных систем автомобилей, самолетов, роботов, антенн и
промышленного оборудования, для ввода данных в портативные компьютеры (PDA)
и во многих других областях.
Подробнее об устройстве гироскопа iMEMS и об его применении
Датчик угловой скорости – гироскоп ADXRS
представляет собой интегральную микросхему; он выполнен на одном кристалле
кремния и включает в себя все необходимые электронные схемы формирования
сигнала.
Две микромеханические структуры из
поликристаллического кремния снабжены специальными возбуждающими рамками,
которые с помощью электрического сигнала приводятся в резонанс. Колебания
микромеханических элементов имеют достаточно высокую частоту и амплитуду,
чтобы при угловом вращении прибора сила Кориолиса, действующая на эти
элементы, достигала заметной величины. По краям каждой колеблющейся рамки,
перпендикулярно направлению колебаний, расположены подвижные зубцы, которые
чередуются с неподвижными зубцами (фиксированными на кремниевую подложку);
таким образом образуется структура, емкость которой меняется в соответствии
с величиной силы Кориолиса.
Полученный с
емкостного датчика высокочастотный сигнал поступает на каскады усиления и
демодуляции, в итоге на выходе микросхемы мы получаем сигнал напряжения,
пропорциональный угловой скорости (рис. 3). Максимальная детектируемая
скорость вращения (т.е. динамический диапазон датчика угловой скорости)
составляет у гироскопов ADXRS150 и
ADXRS300 соответственно 150°/с и 300°/с
Наличие внутри микросхемы двух перпендикулярно
расположенных однотипных датчиков позволяет избежать влияния на выходной
сигнал гироскопа вибрации и ускорения. Схемы формирования сигнала,
расположенные на этом же кристалле, позволяют сохранить качество сигнала в
условиях "шумного" окружения (электромагнитных помех, шумов цифровых схем и
т.д.).

Сигнал угловой скорости на выходе гироскопа
iMEMS
Для схемы возбуждения
чувствительных элементов требуется напряжение питания 14–16 В. Так как на
микросхему подается напряжение 5 В, для получения более высокого напряжения
питания на кристалле имеется схема "зарядового насоса" с переключаемыми
конденсаторами. Если имеется внешнее напряжение питания величиной 14-16 В,
то можно использовать его, и при этом избавиться от необходимости
подключения нескольких дополнительных внешних конденсаторов.

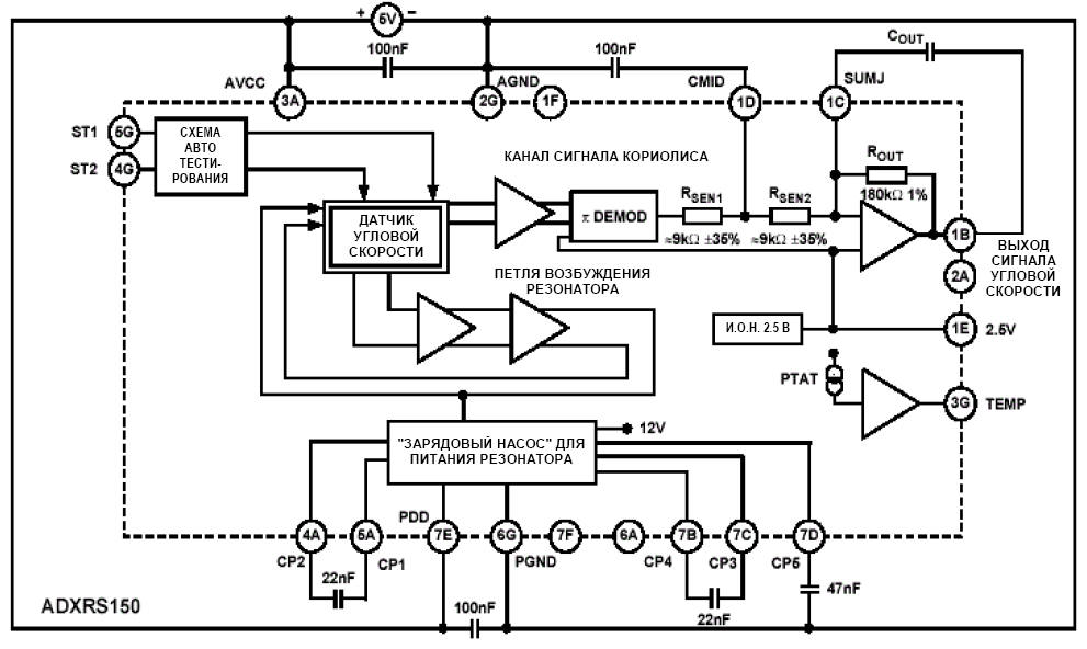
Структурная схема гироскопа iMEMS с внешними
элементами
Данный прибор
представляет собой единственный на сегодня коммерчески доступный гироскоп,
имеющий встроенную схему автотестирования с цифровым управлением, которая
работает при активном датчике. В составе микросхемы присутствует датчик
температуры для осуществления калибровки устройства и компенсации
погрешности, вызванной изменением температуры, также на кристалле имеется
прецизионный источник опорного напряжения. В таблице приведены основные
параметры гироскопов ADXRS.
|
Тип |
Диапазон измерений |
Ось |
Плотность шума |
Полоса частот |
|
ADXRS150 |
±150°/s |
Z |
0.05°/s/√Hz |
40Hz |
|
ADXRS300 |
±300°/s |
Z |
0.05°/s/√Hz |
40Hz |
Алексей Власенко
www.analog.com.ru
|