|
КОСМОДРОМ - Электронные компоненты для разработки и производства - Харьков - Украина

|
Уважаемые покупатели. Обратите внимание на наш график работы - 13 апреля 2026 года - выходной день. Далее работаем по графику. |
|
 |
|
|
|
|
|
|
|
Трансформатор тока -
AS-405 |
|
|
|
|
Датчики тока
серии AS используются в устройствах регулирования,
контроля и измерения переменных токов. Применяются в качестве
элементов обратной связи, обеспечивая точное
управление ключевыми схемами импульсных
источников питания.

Характеристики:•
закрытое исполнение корпуса для оптимального монтажа на печатную
плату• диапазон рабочих частот: 20 кГц...200 кГц• нагрузка по току в
первичной цепи: до 15 А• напряжение изоляции между первичной и
вторичной обмотками: до 2500 В• соответствие нормам VDE• оптимальная
мощность в данном токовом и частотном диапазоне• низкая
стоимостьПроизводство сертифицировано по ISO-9001
Применение:обратная связь с токовой
развязкой в импульсных источниках питания • контроль номинальных и
перегрузочных токов двигателей • освещение • датчики тока в
ультразвуковых сонарных системах высокого разрешения, изолированные
датчики тока с мостовым выпрямителем.
скачать
PDF
Электрические
параметры при 25 °С
|
Наименование |
AS-405 |
|
Коэффициент трансформации |
1:500 |
|
Ток в первичной обмотке, А |
50 |
|
Макс. напряжение во вторичной обмотке с
учетом частоты сигнала, В*мкс |
2700 |
|
Применение |
ИИП |
|
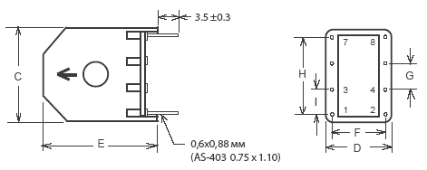
Схема |
 |
|
Тип корпуса |
 |
|
|
|
| |
смотри так
же раздел "Датчики" |
|
|
| |
|
|
|
|
|
Поставляемые компоненты










|
^ Наверх DIV >
радиошоп, radioshop, радио, радиодетали, микросхемы, интернет, завод,
комплектующие, компоненты, микросхемы жки индикаторы светодиоды семисегментные датчики влажности преобразователи
источники питания тиристор симистор драйвер транзистор, диод, книга, приложение,
аудио, видео, аппаратура, ремонт, антенны, почта, заказ, магазин,
интернет - магазин, товары-почтой, почтовые услуги, товары, почтой, товары
почтой, каталог, магазин, Internet shop, база данных, инструменты, компоненты,
украина, харьков, фирма Космодром kosmodrom поставщики электронных компонентов дюралайт edison opto светодиодное освещение Интернет-магазин радиодеталей г.Харьков CREE ATMEL ANALOG DEVICES АЦП ЦАП