|

Назначение.
Отладочный комплекс (ОК) -
AVR-Easy предназначен для макетирования и
отладки различных устройств на базе AVR-контроллеров.
Он может быть полезен как для разработчиков
embedded-устройств, так и для молодых специалистов, желающих
ознакомиться с основами микроконтроллерной техники и овладеть мощным
инструментом для реализации широкого спектра задач цифровой обработки
данных и управления различного рода периферийными устройствами.
Возможности.
В
основу ОК положен принцип максимальной универсальности и удобства
программирования и отладки программ на базе AVR-контроллеров.
ОК является идеальным средством обучения, позволяющим в короткий срок
научиться решать типовые задачи сопряжения AVR-контроллеров
с наиболее часто встречающимися на практике периферийными модулями. В
частности, ОК позволяет изучить сопряжение AVR-контроллеров
с жидко-кристаллическим алфавитно-цифровым индикатором (LCD)
и семисегментным светодиодным индикатором, организовать связь с
последовательным портом персонального компьютера (COM-порт),
организовать работу с интеллектуальными датчиками температуры (на примере
микросхемы DS1820 фирмы
DALLAS).
ОК
имеет "на борту" контакты или разъемы для перечисленных выше элементов и
не требует напайки внешних навесных деталей. Вместе с тем, каждый порт
AVR-контроллера имеет выход на отдельный разъем,
куда можно подключить любое внешнее устройство. Предусмотрено светодиодная
индикация сигналов на входах-выходах портов ABCD AVR-контроллера.
На входах-выходах портов ABD подключены кнопки,
при нажатии на которые можно подавать логический уровень "0" или "1" на
соответствующие порты. На входы АЦП AVR-контроллера
можно подавать аналоговые напряжение с помощью подстроечных резисторов в
диапазоне 0-5 В. Таким образом, ОК можно использовать не только как
средство обучения, но и как устройство для макетирования и наладки
реальных практических разработок на базе AVR-контроллеров.
ОК имеет несколько панелек для установки AVR-контроллеров
в корпусах DIP-20, DIP-28 и
DIP-40, куда можно устанавливать практически любые контроллеры,
включая самые последние модели широко используемых контроллеров семейств
ATMEGA8515 и ATMEGA8535.
К
ОК может быть подключен любой контроллер, совпадающий по выводам питания и
программирования с наиболее распространенными контроллерами. ОК имеет
разъем для программирования и отладки, который позволяет заменить
программу AVR-контроллера, не вынимая его из
посадочной панели ОК.
На
компакт-диске с программным обеспечением имеется файл демонстрационной
прошивки для микроконтроллера ATMEGA8515.
Демонстрационная прошивка позволяет наблюдать работу отдельных узлов ОК -
светодиодов, семисегментного дисплея и COM-порта.
Также на компакт-диске имеется документация на микроконтроллеры фирмы
ATMEL, программное обеспечение фирмы
ATMEL, различные утилиты.
Плата позволяет
изучить работу микроконтроллеров семейства
AVR
фирмы ATMEL,
а также отлаживать дополнительные переферийные модули. Поддерживаются
микроконтроллеры в 8,
20, 28 и 40 выводных
корпусах.
Описание компонентов платы:
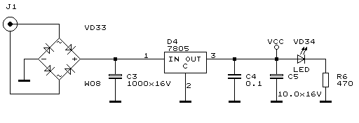
Источник питания
Для питания плата
содержит стабилизированный источник на 5В, собранный по классической
схеме.

Входное напряжение постоянное или
переменное 9 – 12 вольт.
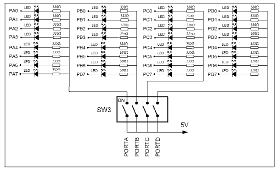
Светодиоды
Плата содержит 32 светодиода,
подключенных к портам A, B, C, D микроконтроллера. Для того чтоб засветить
светодиод необходимо разрешить требуемый порт переключателем SW3 и
записать ‘0’ в нужный разряд.

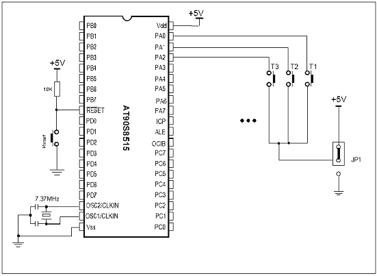
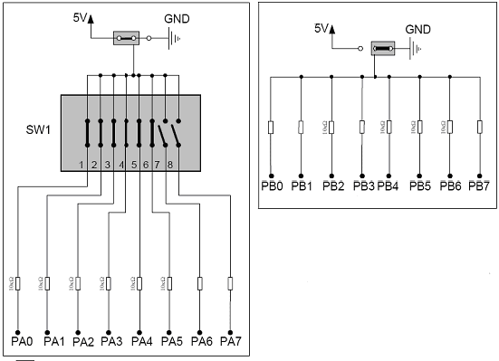
Кнопки
Система содержит кнопку начальной
установки контроллера RESET и 24 кнопки, позволяющие симулировать входные
воздействия на порты A, B, D. Общий вывод кнопок может быть подключен к
цепи питания или “земли” посредством JP1.

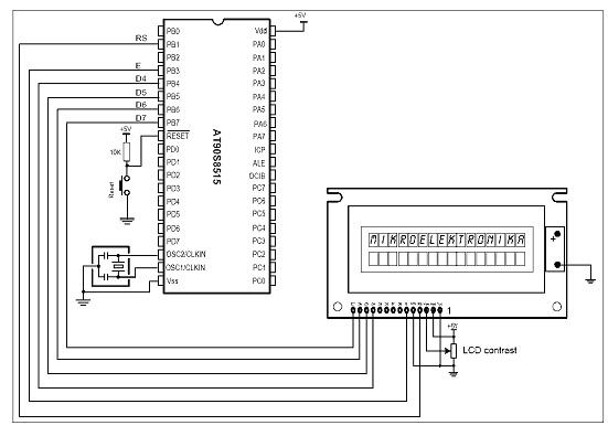
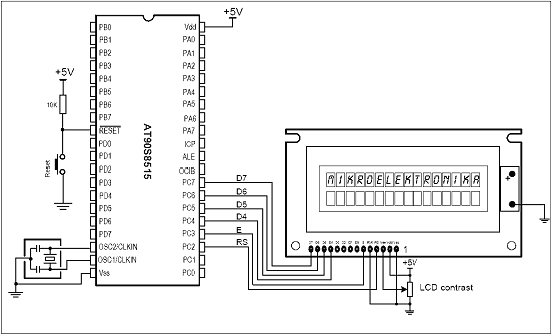
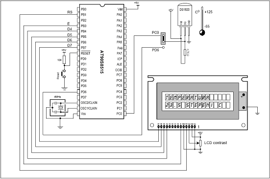
ЖКИ ИНДИКАТОР
Плата позволяет подключить
стандартный ЖКИ индикатор двумя способами, в первом случае индикатор
подключается на PORTB, во втором на PORTC.


8-ми выводные контроллеры
Данная версия платы позволяет
работать с микроконтроллерами в 8-выводном корпусе,
для этого необходимо установить
контроллер в 20-ти выводную панельку, первый вывод контроллера в первый
контакт панельки и закоротить JP4.

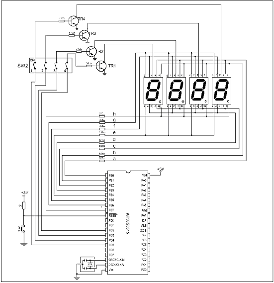
7-ми сегментный индикатор
Плата содержит четырехразрядный
7-ми сегментный индикатор, который подключен к порту B. Знакоместа
выбираются с порта D разрядами 2, 3, 4 и 5 через SW2 .
В этом индикаторе применен
динамический способ индикации, он заключается в том, что в каждый момент
времени отображается только один разряд индикатора.
На PORTB выводится отображаемый
символ, а на PORTD позиционный номер знакоместа
(активный уровень “высокий”).
Частота регенерации должна быть
не менее 50 герц, иначе будет заметно мерцание индикатора.
Микропереключателем SW2 можно отключить неиспользуемое знакоместо.
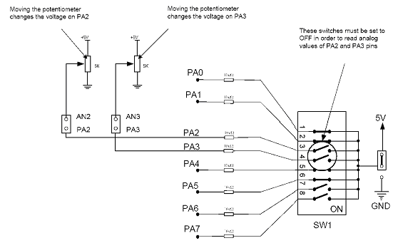
Аналогово-цифровой
преобразователь
В некоторых котроллерах
содержится 10-разрядный АЦП, плата позволяет задавать тестовые воздействия
на выводы PORTA.2 и PORTA.3. Также имеется возможность подключать к
отдельным выводам “аналогового” порта PULLUP и PULLDOWN резисторы
сопротивлением 10КОм посредством микропереключателя SW1.

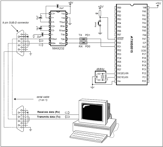
RS-232 интерфейс
На плате предусмотрен интерфейс
RS-232 c возможностью отключения см. схему.

Цифровой термометр DS18B20
На плате предусмотрено
подключение цифрового термометра DS18B20, который позволяет измерять
температуру от –55°С до 125°С. Датчик устанавливается в трехвыводную
панель и может быть подключен к PC0 или PD6.

PULL-UP PULLDOWN резисторы
на портах
Установив джамперы в определенную
позицию, мы можем “подтянуть” или “опустить” выводы
портов, порты B, C, D одинаковы,
порт A имеет некоторые отличия.

Программирование платы
Для программирования контроллера
можно воспользоваться любым ATMEL-10 совместимым программатором. Плата
разработана таким образом, что после программирования программатор
отключается, и выводы программирования могут быть задействованы в вашей
схеме. (программатор может поставляться в комплекте
с платой)
Сначала необходимо установить
джампер JP3 в положение 28 или 20,40 в зависимости от используемого
контроллера. Если Ваш программатор поддерживает режим автоотключения,
переведите джампер JP2 в положение AUTO, и после программирования
программатор автоматически отключится. Если Ваш программатор не
поддерживает этот режим, джампер JP2 переводим в положение PROG ON –
программатор всегда подключен. Если после программирования контроллера
снять JP2 – программатор отключится, и Вы сможете использовать выводы
программирования в своем проекте.
 |