|
КОСМОДРОМ - Электронные компоненты для разработки и производства - Харьков - Украина
|
пассивные
SMD-компоненты |
|
|
SMD-конденсаторы:
0201,
0402,
0603,
0805,
1206,
1210,
1812,
2220
SMD-резисторы:
0201,
0402,
0603,
0805,
1206,
2010,
2512
прецизионные
низкоомные
резисторные сборки
SMD-индуктивности: 0603,
0805,
1206 |
высоковольтная
керамика /
керамика класс Y1 и Y2 /
металлопленка
CL-21X /
металлопленка CL-21 MEF /
полипропиленовые CBB21 CBB22 /
полипропиленовые
X2-MKP /
высоковольтные CBB81 /
для двигателей
CBB61 / фазосдвигающие
CBB60E /
пусковые CBB65 /
Полистирольные конденсаторы СL11 /
Аксиальные
металлопленочные конденсаторы CL-20T /
Электролитические конденсаторы
/
Неполярные
/ Полимерные (твердотельные)
/ Тонкие для
ЖК /
Низкоимпедансные
/ Конденсаторы SMD, Серия RC |
|
Уважаемые покупатели. Обратите внимание на наш график работы - 13 апреля 2026 года - выходной день. Далее работаем по графику. |
|
 |
|
|
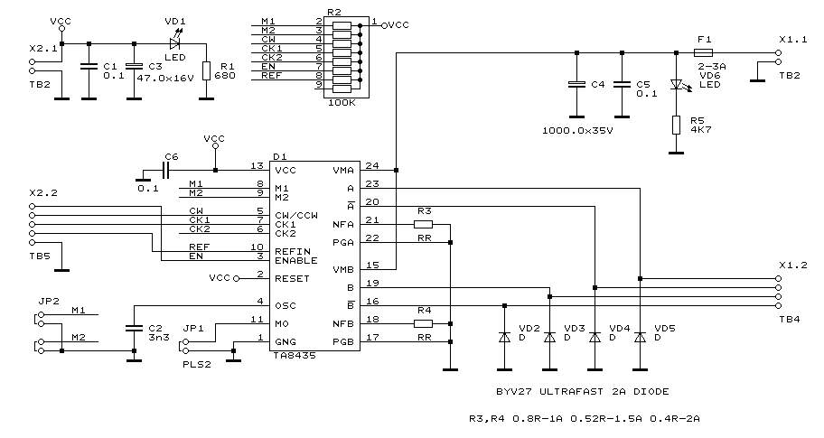
Контроллер шагового
двигателя |
Так же смотри (новинка
на складе)
Доступна со склада микросхема контроллера
шагового двигателя LS7290.
SY57STH56-2804A - шаговый двигатель
[посетить раздел "Контроллеры
шаговых двигателей"]

Описание контактов
X1-1 Напряжение питания ШД Vm 24В
X1-2 GND
X1-3,4 A1,A2 обмотка ШД
X1-5,6 B1,B2 обмотка ШД
X2-1 Напряжение питания логики Vcc 5В
X2-2 GND
X2-3 EN разрешение работы (активный уровень низкий)
X2-4 DIR направление вращения
X2-5 STEP сигнал шага
X2-6 REF режим удержания (активный уровень низкий)
X2-7 GND
Конфигурация работы контроллера

Определение рабочего тока:
Io=VREF/R3(R4)
VREF=0.8В если REF высокий
VREF=0.5В если REF низкий
Подключение ШД
 |
|
Поставляемые компоненты










|
^ Наверх DIV >
радиошоп, radioshop, радио, радиодетали, микросхемы, интернет, завод,
комплектующие, компоненты, микросхемы жки индикаторы светодиоды семисегментные датчики влажности преобразователи
источники питания тиристор симистор драйвер транзистор, диод, книга, приложение,
аудио, видео, аппаратура, ремонт, антенны, почта, заказ, магазин,
интернет - магазин, товары-почтой, почтовые услуги, товары, почтой, товары
почтой, каталог, магазин, Internet shop, база данных, инструменты, компоненты,
украина, харьков, фирма Космодром kosmodrom поставщики электронных компонентов дюралайт edison opto светодиодное освещение Интернет-магазин радиодеталей г.Харьков CREE ATMEL ANALOG DEVICES АЦП ЦАП