КОСМОДРОМ - Электронные компоненты для разработки и производства - Харьков - Украина


 


Как купить...     


 

 

EnglishRussianUkrainian

Обратите внимание: запущена новая версия сайта

Перейти в корзину

Ёмкость, мкф

Напряжение, В

Диаметр, мм

 

Уважаемые покупатели. Обратите внимание на наш график работы - 13 апреля 2026 года - выходной день. Далее работаем по графику.

ИНТЕГРАЛЬНЫЕ МОДУЛИ ПИТАНИЯ СЕРИИ SIMPLE SWITCHER® POWER
ДЛЯ ЭКСПЛУАТАЦИИ В ТЕМПЕРАТУРНОМ ДИАПАЗОНЕ
-55°C

Серия LMZ - семейство импульсных понижающих синхронных стабилизаторов напряжения с интегрированными силовыми ключами и катушкой индуктивности. Встроенная катушка является еще и экраном, благодаря которому снижается уровень электромагнитных помех. Высокий КПД и низкое тепловое сопротивление корпуса позволяет использовать модули при высоких значениях температуры окружающей среды. Модули доступны в корпусах размером 10.16 x 13.77 x 4.57 мм.

До недавнего времени, были доступны модули семейства LMZ105xx, LMZ12003 и LMZ14203 с рабочим температурным диапазоном -40…+125°С. Теперь, состав семейства LMZ пополнился модулями LMZ105xxEXT, LMZ120xxEXT, LMZ142xxEXT, рассчитанными на работу в температурном диапазоне -55°С…+125°С.

Модули этой серии могут применяться в военной техники, или другой электронной аппаратуре, работающей в экстремальных условиях окружающей среды. Выходное напряжение модулей серии LMZ105xxEXT устанавливается в диапазоне от 0,8В до 5В для модулей LMZ120xxEXT и LMZ142xx от 0,8В до 6В.

Отличительные черты семейства импульсных, понижающих модулей питания SIMPLE SWITCHER® Power Modules
- низкий уровень помех
- интегрированная в корпус модуля индуктивность
- все популярные токи и напряжения
- минимальное количество элементов обвязки
- простота применения
- низкое тепловое сопротивление
- КПД: до 96%

  Краткие технические характеристики нового семейства
 

Серия   Наименование Выходной ток, А Входное напряжение, В Выходное напряжение, В Частота, MГц Корпус
LMZ105xx

LMZ10503/LMZ10503EXT 2.95 - 5.5 0.8 - 5 1 TO-PMOD-7
LMZ10504/LMZ10504EXT
LMZ10505/LMZ10505EXT 5
LMZ120xx

LMZ12001/LMZ12001EXT 4.5 - 20 0.8 – 6 1 TO-PMOD-7
LMZ12002/LMZ12002EXT
LMZ12003/LMZ12003EXT 3
LMZ142xx

LMZ14201/LMZ14201EXT 6 - 42 0.8 – 6 1 TO-PMOD-7
LMZ14202/LMZ14202EXT
LMZ14203/LMZ14203EXT 3

 

Состав семейства импульсных, понижающих модулей питания SIMPLE SWITCHER® Power Modules

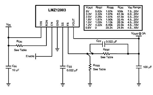
Схема включения модулей SIMPLE SWITCHER® Power Modules на примере LMZ12003

Система обозначений SIMPLE SWITCHER® Power Modules

 


Поставляемые компоненты











^ Наверх

Электронные компоненты для разработки и производства. Харьков, Украина

  Украинский хостинг - UNIX хостинг & ASP хостинг

радиошоп, radioshop, радио, радиодетали, микросхемы, интернет, завод, комплектующие, компоненты, микросхемы жки индикаторы светодиоды семисегментные датчики влажности преобразователи источники питания тиристор симистор драйвер транзистор, диод, книга, приложение, аудио, видео, аппаратура, ремонт, антенны, почта, заказ, магазин, интернет - магазин, товары-почтой, почтовые услуги, товары, почтой, товары почтой, каталог, магазин, Internet shop, база данных, инструменты, компоненты, украина, харьков, фирма Космодром kosmodrom поставщики электронных компонентов дюралайт edison opto светодиодное освещение Интернет-магазин радиодеталей г.Харьков CREE ATMEL ANALOG DEVICES АЦП ЦАП