КОСМОДРОМ - Электронные компоненты для разработки и производства - Харьков - Украина
|
Серии источников питания HDR на DIN рейку с
ультра-узкой формой корпуса и полным диапазоном входного напряжения
100-240 В переменного тока 15, 30, 60, 100, 150 Ватт
HDR-15
HDR-30
HDR-60
HDR-100
HDR-150
|
 |
|
Уважаемые покупатели. Обратите внимание на наш график работы - 13 апреля 2026 года - выходной день. Далее работаем по графику. |
|
 |
| |
|
|
|
MAX845 – специализированный драйвер для создания импульсных DC/DC-преобразователей |
 |
|
|

Часто разработчиков ставит в
тупик выбор оптимального нестабилизированного DC/DC-преобразователя
с гальванической развязкой для питания трансиверов со стороны линии
передачи/приема сигналов. Конечно, можно взять
готовый изолированный DC/DC-преобразователь для нестабилизированного
источника питания, но компания MAXIM предлагает более оптимальное
решение по соотношению цены и функциональности, а именно – использование
специализированного драйвера MAX845 для создания гальванически
развязанного источника питания. (смотри так же "Импульсные
трансформаторы для драйвера MAX845")

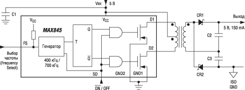
Рис. 1. Включение
драйвера MAX845 для напряжений питания 5 и 3,3 В
На рисунке 1 показаны варианты
включения этой микросхемы для напряжений питания 5 и 3,3 В, а на рисунке 2
приведена структурная схема драйвера MAX845

Рис. 2. Структурная
схема драйвера MAX845
При питании от напряжения
3,3 В необходимо в первичной цепи добавить два диода типа 1N4148,
которые пользуются огромной популярностью и всегда есть на складах
поставщиков электронных компонентов. Драйвер MAX845 имеет вход выбора
частоты преобразования, благодаря чему у разработчика есть возможность
установки рабочей частоты 400 или 700 кГц. Наличие входа включения/отключения
“ON/OFF” позволяет отключать драйвер для экономии питания в то время,
когда не производится прием или передача данных. |
|
|
| |
|
|
|
|
Поставляемые компоненты










|
^ Наверх DIV >
радиошоп, radioshop, радио, радиодетали, микросхемы, интернет, завод,
комплектующие, компоненты, микросхемы жки индикаторы светодиоды семисегментные датчики влажности преобразователи
источники питания тиристор симистор драйвер транзистор, диод, книга, приложение,
аудио, видео, аппаратура, ремонт, антенны, почта, заказ, магазин,
интернет - магазин, товары-почтой, почтовые услуги, товары, почтой, товары
почтой, каталог, магазин, Internet shop, база данных, инструменты, компоненты,
украина, харьков, фирма Космодром kosmodrom поставщики электронных компонентов дюралайт edison opto светодиодное освещение Интернет-магазин радиодеталей г.Харьков CREE ATMEL ANALOG DEVICES АЦП ЦАП