КОСМОДРОМ - Электронные компоненты для разработки и производства - Харьков - Украина


 


Как купить...     


 

 

EnglishRussianUkrainian

Обратите внимание: запущена новая версия сайта

Перейти в корзину

Низкопрофильные источники питания серий LRS мощностью
35, 50, 75, 100, 150, 200 и 350 Вт
LRS-35 LRS-50 LRS-75 LRS-100 LRS-150 LRS-200 LRS-350

     

Уважаемые покупатели. Обратите внимание на наш график работы - 13 апреля 2026 года - выходной день. Далее работаем по графику.

 

 

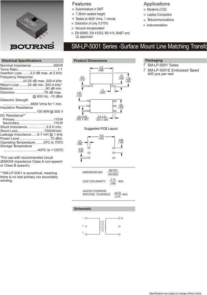
МАЛОГАБАРИТНЫЙ СОГЛАСУЮЩИЙ ТРАНСФОРМАТОР SM-LP-5001

 

 


Поставляемые компоненты











^ Наверх

Электронные компоненты для разработки и производства. Харьков, Украина

  Украинский хостинг - UNIX хостинг & ASP хостинг

радиошоп, radioshop, радио, радиодетали, микросхемы, интернет, завод, комплектующие, компоненты, микросхемы жки индикаторы светодиоды семисегментные датчики влажности преобразователи источники питания тиристор симистор драйвер транзистор, диод, книга, приложение, аудио, видео, аппаратура, ремонт, антенны, почта, заказ, магазин, интернет - магазин, товары-почтой, почтовые услуги, товары, почтой, товары почтой, каталог, магазин, Internet shop, база данных, инструменты, компоненты, украина, харьков, фирма Космодром kosmodrom поставщики электронных компонентов дюралайт edison opto светодиодное освещение Интернет-магазин радиодеталей г.Харьков CREE ATMEL ANALOG DEVICES АЦП ЦАП