КОСМОДРОМ - Электронные компоненты для разработки и производства - Харьков - Украина
|
Уважаемые покупатели. Обратите внимание на наш график работы - 13 апреля 2026 года - выходной день. Далее работаем по графику. |
|
 |
RR15-XXX
Свехрегенеративный радиоприёмник с входным фильтром на ПАВ - экранирован
 |
Основные характеристики
RR15-XXX - сверхрегенеративный приёмник данных с входным фильтром на поверхностных акустических волнах (ПАВ), что уменьшает полосу пропускания на высокой частоте (ВЧ)
Повышенная устойчивость к электромагнитному излучению (ЭМИ) благодаря металлическому экрану
Типовая чувствительность выше -100dBm (2.2uVrms) на согласованную нагрузку 50 Ом
Уровень излучения: -70 dBm типовой (каскодное включение)
Узкая полоса пропускания: ±250 КГц
|
| ХХХ: рабочая частота, указываемая заказчиком
| Применения
- бытовые системы безопасности
- автомобильные сигнальные системы
- отдалённая контрольно-пропускная служба
- сообщение датчика
|
| Блок-диаграмма |
 |
| Электрические характеристики
| Токр.=25°С, если иначе не определено
|
| | Характеристики |
Мин. |
Тип. |
Макс. |
Ед. измер. |
| Ucc |
Напряжение питания |
4,5 | 5 |
5,5 | В |
| Is |
Ток потребления | |
4,5 | |
mA |
| Fw |
Рабочая частота | |
433,9 | |
МГц |
| | Точность настройки | | |
±75 |
KГц |
| Bw |
Полоса пропускания -3dB | |
±250 |
±300 |
KГц |
| | Скорость передачи данных | |
4,8 | 9,6 |
Kбит/сек |
| | Чувствительность по ВЧ (100% АМ) |
-98 | -102 | |
dBm |
| | Уровень излучаемого спектра | |
-75 | -70 |
dBm |
| Uol |
Низкий уровень выходного напряжения | | |
0,6 | В |
| Uoh |
Высокий уровень выходного напряжения |
3,6 | | |
В |
| Траб |
Диапазон рабочих температур |
-25 | |
+80 | °C |
|
Назначение выводов
- НП
- Земля
- Вход
- Земля
- Земля
- +V
- Контрольная точка
- Выход
- +V
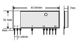
| Механические размеры
|
| Типовое применение |
 |
|
|
Поставляемые компоненты










|
^ Наверх DIV >
радиошоп, radioshop, радио, радиодетали, микросхемы, интернет, завод,
комплектующие, компоненты, микросхемы жки индикаторы светодиоды семисегментные датчики влажности преобразователи
источники питания тиристор симистор драйвер транзистор, диод, книга, приложение,
аудио, видео, аппаратура, ремонт, антенны, почта, заказ, магазин,
интернет - магазин, товары-почтой, почтовые услуги, товары, почтой, товары
почтой, каталог, магазин, Internet shop, база данных, инструменты, компоненты,
украина, харьков, фирма Космодром kosmodrom поставщики электронных компонентов дюралайт edison opto светодиодное освещение Интернет-магазин радиодеталей г.Харьков CREE ATMEL ANALOG DEVICES АЦП ЦАП