КОСМОДРОМ - Электронные компоненты для разработки и производства - Харьков - Украина


 


Как купить...     


 

 

EnglishRussianUkrainian

Обратите внимание: запущена новая версия сайта

Перейти в корзину

Уважаемые покупатели. Обратите внимание на наш график работы - 13 апреля 2026 года - выходной день. Далее работаем по графику.

   
 

Беспроводная передача данных - Продукция компании Telecontrolli

433 МГц

[ наличие на складе и цена по ссылке ]   

 

 

так же см

TRW-2.4G – 2.4GHz радиомодуль GFSK-трансивера

AWM630TX – 2.4GHz аудио/видео RF-передатчик

AWM634RX — 2.4GHz аудио/видео RF-приёмник

компоненты для беспроводной связи

 

RT1-XXX

Радиопередающий модуль (Встроенная антенна)

Основные характеристики


RT1-XXX - гибридная схема, которая позволяет реализовать полный радиопередатчик, дополненный схемой кодирования
Точность частоты очень высока благодаря процессу лазерной подстройки. ЗАПАТЕНТОВАНО
Благодаря толстоплёночной гибридной технологии показывают стабильные электрические характеристики
XXX: рабочая частота (418; 433,92 МГц)

Особенности
  • встроенная антенна
  • высокая надёжность
  • процесс лазерной подстройки
Применения
  • беспроводные системы безопасности
  • автомобильные сигнальные системы
  • отдалённая контрольно-пропускная служба
  • сообщение датчика
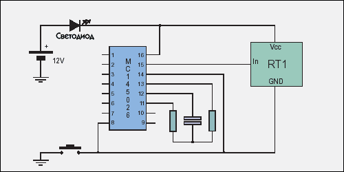
Принципиальная схема
Электрические характеристики Токр.=25°С, если иначе не определено
 Характеристики Мин. Тип. Макс. Ед. измер.
Ucc Напряжение питания 9  14В
Iраб Потребляемый ток  3  mA
Fw Рабочая частота  418/433,92  МГц
 Точность настройки  ±0,2 ±0,5 МГц
 Максимальная скорость передачи данных   4КГц
Траб Диапазон рабочих температур -25  +80°C
Назначение выводов
  1. GND Земля
  2. IN Вход модуляции
  3. NC Не подключено
  4. Vcc Напряжение питания
Механические размеры
Типовое применение


Поставляемые компоненты











^ Наверх

Электронные компоненты для разработки и производства. Харьков, Украина

  Украинский хостинг - UNIX хостинг & ASP хостинг

радиошоп, radioshop, радио, радиодетали, микросхемы, интернет, завод, комплектующие, компоненты, микросхемы жки индикаторы светодиоды семисегментные датчики влажности преобразователи источники питания тиристор симистор драйвер транзистор, диод, книга, приложение, аудио, видео, аппаратура, ремонт, антенны, почта, заказ, магазин, интернет - магазин, товары-почтой, почтовые услуги, товары, почтой, товары почтой, каталог, магазин, Internet shop, база данных, инструменты, компоненты, украина, харьков, фирма Космодром kosmodrom поставщики электронных компонентов дюралайт edison opto светодиодное освещение Интернет-магазин радиодеталей г.Харьков CREE ATMEL ANALOG DEVICES АЦП ЦАП