КОСМОДРОМ - Электронные компоненты для разработки и производства - Харьков - Украина
|
Уважаемые покупатели. Обратите внимание на наш график работы - 13 апреля 2026 года - выходной день. Далее работаем по графику. |
|
 |
RT4-XXX
Радиопередающий модуль с резонатором на поверхностных акустических волнах (ПАВ) и внешней антенной
 |
Основные характеристики
RT4-XXX - гибридная схема, которая позволяет реализовать полный радиопередатчик, дополненный схемой кодирования
Благодаря толстоплёночной гибридной технологии показывают стабильные электрические характеристики
XXX: рабочая частота (315; 418; 433,92 МГц)
Соответствует требованиям I-ETS 300-220 (RT4-433,92-IETS)
|
Особенности
- высокая надёжность
- плоский корпус DIL
| Применения
- беспроводные системы безопасности
- автомобильные сигнальные системы
- отдалённая контрольно-пропускная служба
- сообщение датчика
|
| Принципиальная схема |
 |
| Электрические характеристики
| Токр.=25°С, если иначе не определено
|
| | Характеристики |
Мин. |
Тип. |
Макс. |
Ед. измер. |
| Ucc |
Напряжение питания |
2 | |
14 | В |
| Iраб |
Потребляемый ток (Vcc=5B, вход=1КГц меандр) | | |
4 | mA |
| Fw |
Рабочая частота |
303,8 | |
433,92 | МГц |
| Pвых |
Высокочастотная выходная мощность на 50 Ом (Vвх=5В, Vcc=12В) | |
7 | 10 |
dBm |
| | Гармоническое паразитное излучение | |
-30 | |
dBc |
| Vвх |
Входное напряжение |
2 | |
Vcc | B |
| | Максимальная скорость передачи данных | | |
4 | КГц |
| Траб |
Диапазон рабочих температур |
-25 | |
+80 | °C |
Обычно, оборудование, использующее это устройство, требует замера эмиссии и правительственного одобрения при ответственности изготовителя оборудования.
|
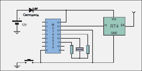
Назначение выводов
- Vcc Напряжение питания
- GND Земля
- IN Вход модуляции
- EA Внешняя антенна
| Механические размеры
|
| Типовое применение |
 |
|
|
Поставляемые компоненты










|
^ Наверх DIV >
радиошоп, radioshop, радио, радиодетали, микросхемы, интернет, завод,
комплектующие, компоненты, микросхемы жки индикаторы светодиоды семисегментные датчики влажности преобразователи
источники питания тиристор симистор драйвер транзистор, диод, книга, приложение,
аудио, видео, аппаратура, ремонт, антенны, почта, заказ, магазин,
интернет - магазин, товары-почтой, почтовые услуги, товары, почтой, товары
почтой, каталог, магазин, Internet shop, база данных, инструменты, компоненты,
украина, харьков, фирма Космодром kosmodrom поставщики электронных компонентов дюралайт edison opto светодиодное освещение Интернет-магазин радиодеталей г.Харьков CREE ATMEL ANALOG DEVICES АЦП ЦАП