|
КОСМОДРОМ - Электронные компоненты для разработки и производства - Харьков - Украина
|
пассивные
SMD-компоненты |
|
|
SMD-конденсаторы:
0201,
0402,
0603,
0805,
1206,
1210,
1812,
2220
SMD-резисторы:
0201,
0402,
0603,
0805,
1206,
2010,
2512
прецизионные
низкоомные
резисторные сборки
SMD-индуктивности: 0603,
0805,
1206 |
высоковольтная
керамика /
керамика класс Y1 и Y2 /
металлопленка
CL-21X /
металлопленка CL-21 MEF /
полипропиленовые CBB21 CBB22 /
полипропиленовые
X2-MKP /
высоковольтные CBB81 /
для двигателей
CBB61 / фазосдвигающие
CBB60E /
пусковые CBB65 /
Полистирольные конденсаторы СL11 /
Аксиальные
металлопленочные конденсаторы CL-20T /
Электролитические конденсаторы
/
Неполярные
/ Полимерные (твердотельные)
/ Тонкие для
ЖК /
Низкоимпедансные
/ Конденсаторы SMD, Серия RC |
|
Уважаемые покупатели. Обратите внимание на наш график работы - 13 апреля 2026 года - выходной день. Далее работаем по графику. |
|
 |
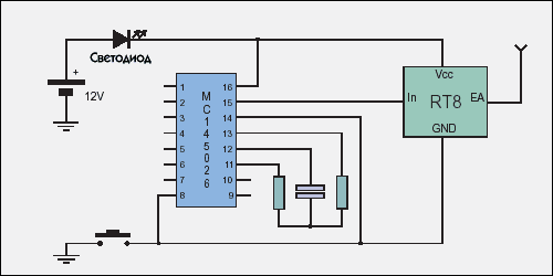
RT8-868,35
Радиопередающий модуль с резонатором на поверхностных акустических волнах (ПАВ) и внешней антенной с рабочей частотой 868,350 МГц
|
|
Поставляемые компоненты










|
^ Наверх DIV >
радиошоп, radioshop, радио, радиодетали, микросхемы, интернет, завод,
комплектующие, компоненты, микросхемы жки индикаторы светодиоды семисегментные датчики влажности преобразователи
источники питания тиристор симистор драйвер транзистор, диод, книга, приложение,
аудио, видео, аппаратура, ремонт, антенны, почта, заказ, магазин,
интернет - магазин, товары-почтой, почтовые услуги, товары, почтой, товары
почтой, каталог, магазин, Internet shop, база данных, инструменты, компоненты,
украина, харьков, фирма Космодром kosmodrom поставщики электронных компонентов дюралайт edison opto светодиодное освещение Интернет-магазин радиодеталей г.Харьков CREE ATMEL ANALOG DEVICES АЦП ЦАП