КОСМОДРОМ - Электронные компоненты для разработки и производства - Харьков - Украина


 


Как купить...     


 

 

EnglishRussianUkrainian

Обратите внимание: запущена новая версия сайта

Перейти в корзину

Ёмкость, мкф

Напряжение, В

Диаметр, мм

 

Уважаемые покупатели. Обратите внимание на наш график работы - 13 апреля 2026 года - выходной день. Далее работаем по графику.

   

 

 
 

драйвера светодиодов

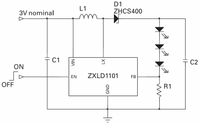
ZXLD1101 – управляемый LED-драйвер подсветки

 
 

Компания Zetex, активно разрабатывающая микросхемы управления светодиодами, рекомендует ZXLD1101 – повышающий индуктивный PFM-преобразователь для питания 2, 3 или 4 последовательно соединённых светодиодов от одной Li-Ion батарейки или до 8 светодиодов от источника напряжения 5V. При питании в диапазоне от 2.5V до 5.5V он выдаёт ток до 50mA с возможностью его регулирования. Кристалл преобразователя содержит токочувствительный резистор и силовой ключ, способный правильно работать при максимальном выходном напряжении до 28V. Причём собственный ток потребления не превышает 60uA в рабочем режиме и может быть уменьшен до 500nA в режиме отключения.

 
 

Интересной особенностью почти всех LED-драйверов Zetex является универсальная система управления яркостью излучения светодиодов, благодаря встроенному низкочастотному PWM-фильтру на входе Enable.

- высота корпуса микросхемы не более 1mm

- внутренний PWM-фильтр

- высокая эффективность: 80%

- широкий диапазон входного напряжения: 2.5V…5.5V

- выходной ток до 50mA

- низкий собственный ток потребления: 60uA

- максимальный ток потребления в режиме ожидания: 500nA

- частота преобразования до 1MHz

- минимум внешних компонентов

Драйверы производятся в корпусе TSOT23–5 (ZXLD1101ET5TA) для температурного диапазона −40C…+85C.

 
     
     


Поставляемые компоненты











^ Наверх

Электронные компоненты для разработки и производства. Харьков, Украина

  Украинский хостинг - UNIX хостинг & ASP хостинг

радиошоп, radioshop, радио, радиодетали, микросхемы, интернет, завод, комплектующие, компоненты, микросхемы жки индикаторы светодиоды семисегментные датчики влажности преобразователи источники питания тиристор симистор драйвер транзистор, диод, книга, приложение, аудио, видео, аппаратура, ремонт, антенны, почта, заказ, магазин, интернет - магазин, товары-почтой, почтовые услуги, товары, почтой, товары почтой, каталог, магазин, Internet shop, база данных, инструменты, компоненты, украина, харьков, фирма Космодром kosmodrom поставщики электронных компонентов дюралайт edison opto светодиодное освещение Интернет-магазин радиодеталей г.Харьков CREE ATMEL ANALOG DEVICES АЦП ЦАП