КОСМОДРОМ - Электронные компоненты для разработки и производства - Харьков - Украина
|
Уважаемые покупатели. Обратите внимание на наш график работы - 13 апреля 2026 года - выходной день. Далее работаем по графику. |
|
 |
Преобразователи напряжения »
DC/DC преобразователи
» Малогабаритные DC/DC преобразователи »
Малогабаритные DC/DC преобразователи мощностью 5…13,2 Вт для промышленной
и бытовой техники
Серия BP52
Производитель Rohm
Основные свойства:
1. Высокий коэффициент полезного действия
Высокий КПД до 85-90 % позволяет создавать энергосберегающие источники
питания.
2. Встроенный выходной переключатель
Позволяет разработчикам полностью использовать возможности сохранения
энергии.
3. Широкий диапазон входного напряжения
Ширина диапазона более 4:1, например, входной диапазон моделей BP5220A,
BP5221A составляет 8-38 В
4. Большой выходной ток
DC/DC-преобразователи могут работать с нагрузкой до 4 А (модель
BP5234-33A)
5. Универсальность
Широкий диапазон областей применения: переключение мощности, контуры
защиты, регуляторы выходного напряжения
6. Маленькие размеры
Корпус SIP требует меньше места для монтажа (занимаемая площадь на
монтажной плате 65 мм2)
DC/DC-преобразователи
с большим выходным током
| Наименование |
Uвх, В |
Uвых, В |
Iвых, А |
Размеры корпуса, мм |
Тип корпуса |
|
BP5232-25A |
4,5-5,5 |
2.5 |
2 |
28x19,5x12 |
SIP10 |
|
BP5232-33A |
3.3 |
2 |
28x19,5x12 |
SIP10 |
|
BP5233-33A |
3.3 |
3 |
32,5x23,5x11 |
SIP11 |
|
BP5234-33A |
3.3 |
4 |
38,5x23,5x11 |
SIP11 |
Особенности:
Предназначены для уменьшения напряжения питания CPU, микрокомпьютеров и
т.д.
Высокий КПД
Дистанционное включение/выключение
Подстройка выходного напряжения
Применение:
- офисная техника
- измерительное оборудование
- торговые автоматы
- счетчики валют
- электроинструменты
- источники питания
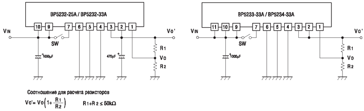
Пример применения модуля BP5232
Точная установка выходного напряжения

|
|
Поставляемые компоненты










|
^ Наверх DIV >
радиошоп, radioshop, радио, радиодетали, микросхемы, интернет, завод,
комплектующие, компоненты, микросхемы жки индикаторы светодиоды семисегментные датчики влажности преобразователи
источники питания тиристор симистор драйвер транзистор, диод, книга, приложение,
аудио, видео, аппаратура, ремонт, антенны, почта, заказ, магазин,
интернет - магазин, товары-почтой, почтовые услуги, товары, почтой, товары
почтой, каталог, магазин, Internet shop, база данных, инструменты, компоненты,
украина, харьков, фирма Космодром kosmodrom поставщики электронных компонентов дюралайт edison opto светодиодное освещение Интернет-магазин радиодеталей г.Харьков CREE ATMEL ANALOG DEVICES АЦП ЦАП