КОСМОДРОМ - Электронные компоненты для разработки и производства - Харьков - Украина
|
Уважаемые покупатели. Обратите внимание на наш график работы - 13 апреля 2026 года - выходной день. Далее работаем по графику. |
|
 |
| | | |  Нажми на картинку, чтобы увеличить ее

Фото может отличаться от реального вида предмета, но это не влияет на основные характеристики изделия | Отладочная плата AD8302-Modul Фазовый детектор
На складе ... код товара: 00-00059173
Кол-во | Цена без НДС, грн | Купить |
| Раздел: Отладочная плата

| | | |
|
Возможность получать на
выходе логарифмического усилителя выходное напряжение, определяемое
мощностью входного сигнала, позволила решить широкий круг задач,
связанных с подобными измерениями. Известен ряд фирм, выпускающих
микросхемы таких усилителей; лидирующее место среди которых занимает
Analog Devices.
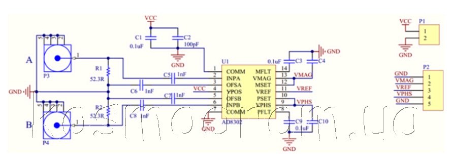
Микросхема AD8302
Данная микросхема относится к категории функциональных микросхем,
основанных на применении логарифмических усилителей рассматриваемой
идеологии. Она представляет собой систему для измерения усиления/потерь
и фазы в различных приемных, передающих и измерительных приложениях в
частотном диапазоне от низких частот до 2,7 ГГц
Основные
характеристики:
Рабочее напряжение: 2,7
... 5,5 В
Рабочая температура: -40...+85 С
Выходное напряжение: 1,8 В
Диапазон переменного тока: -60 дБ ... 0 дБ
Выходной ток (макс.): 8 мА
Размер: 45мм х 25мм
|
| | |




|
Частотоме́р — измерительный прибор для определения частоты
периодического процесса или частот гармонических составляющих
спектра сигнала. |
|
смотри так же |
|
вольтметры,
амперметры,
КИПиА
UDSDEVICES,
защитные
барьеры,
шунты измерительные,
терморегуляторы,
регуляторы влажности,
клапана электромагнитные,
средства
автоматики, осциллографы,
логические анализаторы,
измерительные приборы,
приборы промавтоматики,
Логические модули SIEMENS,
Высокоточные температурные
контроллеры серии TK4S,
регуляторы мощности,
дальномеры,
POST-card,
частотомеры |
|
Поставляемые компоненты










|
^ Наверх DIV >
радиошоп, radioshop, радио, радиодетали, микросхемы, интернет, завод,
комплектующие, компоненты, микросхемы жки индикаторы светодиоды семисегментные датчики влажности преобразователи
источники питания тиристор симистор драйвер транзистор, диод, книга, приложение,
аудио, видео, аппаратура, ремонт, антенны, почта, заказ, магазин,
интернет - магазин, товары-почтой, почтовые услуги, товары, почтой, товары
почтой, каталог, магазин, Internet shop, база данных, инструменты, компоненты,
украина, харьков, фирма Космодром kosmodrom поставщики электронных компонентов дюралайт edison opto светодиодное освещение Интернет-магазин радиодеталей г.Харьков CREE ATMEL ANALOG DEVICES АЦП ЦАП