КОСМОДРОМ - Электронные компоненты для разработки и производства - Харьков - Украина
|
Уважаемые покупатели. Обратите внимание на наш график работы - 13 апреля 2026 года - выходной день. Далее работаем по графику. |
|
 |
| | | |  Нажми на картинку, чтобы увеличить ее

Фото может отличаться от реального вида предмета, но это не влияет на основные характеристики изделия | Трансформатор BALF-NRG-01D3 Балун для беспроводных BLE-устройств. Рабочий лиапазон частот: 2,4...2,5 ГГц. Нессиметричный выход Zant: 50 Ом. Входной импеданс соответсвует чипам семейства BLUENRG
На складе ... Производитель: ST код товара: 00-00056165
СКАЧАТЬ PDF
Кол-во | Цена без НДС, грн | Купить |
| Раздел: Трансформатор | | | |
|
 |
STMicroelectronics — европейская микроэлектронная компания, одна
из крупнейших, занимающихся разработкой, изготовлением и продажей
различных полупроводниковых электронных и микроэлектронных
компонентов |
|
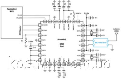
Балун для
беспроводных BLE-устройств |
|
Типичная схема
подключения выхода радиочастотного приемопередатчика предусматривает
пассивную высокочастотную цепочку согласования с антенной из нескольких
дискретных компонентов. Это усложняет схему изделия, увеличивает
габариты печатной платы, повышает стоимость монтажа и логистики
компонентов.
При проектировании радиочастотных устройств Bluetooth Low Energy на
компонентах STMicroelectronics можно использовать миниатюрный
интегральный балун BALF-NRG-01D3, который заменяет до 10 дискретнтых
LC-компонентов.
Балун BALF-NRG-01D3 предназначен для совместной работы с чипами
BLUENRGQTR, BLUENRG-MSCSP, BLUENRG-MSQTR и BLUENRG-132. При его
использовании схема высокочастотной части изделия существенно
упрощается, при этом уменьшается и площадь печатной платы.
Балун BALF-NRG-01D3 изготавливается по уникальной технологии путем
нанесения на стеклянную подложку миниатюрных конденсаторов и
индуктивностей. Рабочий частотный диапазон 2400 — 2500 МГц, размер чипа
1,4 x 0,85 мм.
Характеристики:
Нессиметричный выход Zant = 50 Ом
Входной импеданс соответсвует чипам семейства BLUENRG
Низкие вносимые потери -1,1 дБ
Низкий дисбаланс по амплитуде (0,5 дБ) и фазе (7°)
Высота корпуса < 670 µm
Высокие радиочастотные параметры
Рабочий диапазон частот: 2,4...2,5 ГГц.
Рабочая температура: -40...85 С
Размер: 1.4х0.85х0.63 мм |
| | |



|
Поставляемые компоненты










|
^ Наверх DIV >
радиошоп, radioshop, радио, радиодетали, микросхемы, интернет, завод,
комплектующие, компоненты, микросхемы жки индикаторы светодиоды семисегментные датчики влажности преобразователи
источники питания тиристор симистор драйвер транзистор, диод, книга, приложение,
аудио, видео, аппаратура, ремонт, антенны, почта, заказ, магазин,
интернет - магазин, товары-почтой, почтовые услуги, товары, почтой, товары
почтой, каталог, магазин, Internet shop, база данных, инструменты, компоненты,
украина, харьков, фирма Космодром kosmodrom поставщики электронных компонентов дюралайт edison opto светодиодное освещение Интернет-магазин радиодеталей г.Харьков CREE ATMEL ANALOG DEVICES АЦП ЦАП