|
|
СС2530 – новый ZigBee-трансивер для широкого
спектра применений |
По мере вхождения в нашу жизнь различных
беспроводных устройств возникла проблема их совместимости, которая была решена
разработкой таких стандартов, как Bluetooth и Wi-Fi. Но оба эти стандарта
слишком прожорливы, сложны и быстры для множества нужных рынку устройств. Для
низкоскоростных беспроводных сетей персональной зоны покрытия (WPANs) Институтом
Инженеров Электротехники и электроники (IEEE) был утвержден стандарт 802.15.4,
который определял физический (PHY) и канальный (MAC) уровни доступа. Для
управления трансиверами, соответствующими этому стандарту, альянсом
производителей ZigBee была разработана одноименная программная
надстройка - набор протоколов. Основная особенность протоколов ZigBee
заключается в том, что они при сравнительно невысоком энергопотреблении
поддерживают не только простые топологии беспроводной связи («точка-точка» и
«звезда»), но и сложные беспроводные сети с ячеистой топологией с ретрансляцией
и маршрутизацией сообщений.
|
Трансиверы, отвечающие стандарту 802.15.4, могут
использоваться как самостоятельные устройства, если разработчику нужно
организовать связь «точка-точка» или «звезда». Но для организации сети
ZigBee необходимо добавить микроконтроллер, в который должен быть загружен
набор управляющих программ, так называемый стек протоколов ZigBee, который
обеспечивает возможность самоорганизации и самовосстановления сети. Сеть
ZigBee называют интеллектуальной, поскольку она может сама определять
настройки и оптимальный маршрут передачи данных. Кроме упрощенной 16-битной
адресации, возможна расширенная 64-битная, позволяющая находиться в одной
сети 65 тысячам устройств. Это востребовано при построении единых сетей на
крупных промышленных предприятиях. Важным также является тот факт, что
данные в ZigBee-сетях могут передаваться по цепочке устройств, что, вместе с
развитыми средствами самонастройки, должно сильно упростить развертывание на
больших площадях. Стандарт также предполагает 128-битное AES-шифрование
данных, что позволяет успешно использовать ZigBee-сети в различных системах
безопасности. |

|
Большинство устройств ZigBee работает по следующему
алгоритму: устройство находится в «спящем» состоянии практически все время,
обеспечивая оптимальный режим энергосбережения. При поступлении новой
информации, либо во время очередного сеанса связи, устройство активизируется,
быстро передает данные и снова переходит в режим пониженного энергопотребления.
Типовые временные задержки при этом составляют 30 мс для подключения нового
устройства к сети, 15 мс для перехода из «спящего» в активное состояние, 15 мс
для доступа к каналу. Так удается продлить срок службы батарей до 10 лет и более
в зависимости от типа приложения и длительности рабочего цикла, причем ток при
передаче может составлять порядка 15...30 мА, а в «спящем» режиме - менее 2 мкА.
В результате задержки по отклику настолько малы, что человек, войдя в комнату и
щелкнув переключателем беспроводной связи ZigBee, даже не заметит, что свет
появился почти мгновенно, в то время как задержки при подключении устройств к
сети Bluetooth составляют до трех секунд. Последняя версия набора протоколов
ZigBee PRO дополнила существующие возможности такими, как фрагментация длинных
сообщений, возможность взаимодействия с другими протоколами и системами,
возможность быстрой маневренной перестройки частоты и автоматическое управление
адресным пространством. Кроме того улучшена масштабируемость протокола, усилена
его устойчивость при работе в крупных сетях. RF4CE, еще один специализированный
протокол, специально созданный для бытовых пультов дистанционного управления,
был разработан в 2008 году крупными производителями телевизионной техники
Panasonic, Royal Philips Electronics, Samsung Electronics и Sony Corporation для
замены инфракрасной связи. Протокол представляет собой нетребовательное к
ресурсам и недорогое решение для обеспечения полной функциональной совместимости
между устройствами. RF4CE не предъявляет чрезмерных требований к
микроконтроллеру, на котором работает стек протоколов, но при этом
предусматривает возможность расширения функциональности в будущем. Среди других
особенностей RF4CE можно отметить поддержку защищенных транзакций, механизм
энергосбережения и развитый механизм быстрой перестройки частоты (для
обеспечения надежной совместимости с другим оборудованием). Стандарт
предусматривает также простой и интуитивно понятный алгоритм спаривания для
привязки пульта дистанционного управления к бытовому электронному устройству.
Новинка от TI, микросхема СС2530, поддерживающая
стандарт IEEE 802.15.4, предназначена для организации сетей стандарта ZigBee Pro,
а также средств дистанционного управления на базе ZigBee RF4CE и оборудования
стандарта Smart Energy. ИС СС2530 объединяет в одном кристалле РЧ-трансивер и
микроконтроллер, ядро которого совместимо со стандартным ядром 8051 и отличается
от него улучшенным быстродействием. ИС выпускается в четырех исполнениях
CC2530F32/64/128/256, различающиеся объемом флэш-памяти - 32/64/128/256 Кбайт,
соответственно. В остальном все ИС идентичны: они поставляются в миниатюрном
RoHS-совместимом корпусе QFN40 размерами 6х6 мм и обладают одинаковыми рабочими
характеристиками.
Новая система-на-кристалле СС2530 протоколов для
обеспечения выбора оптимального по стоимости сетевого протокола поддерживает
следующие бесплатные программные стеки:
-
программное обеспечение Z-StackTM для
ZigBee-совместимых приложений (ZigBee PRO);
-
сетевой протокол RemoTITM для приложений
дистанционного управления ZigBee RF4CE;
-
сетевой протокол SimpliciTITM для сетевых
приложений собственной разработки.
Таблица 1. Отличия СС2530 от
СС2430
|
Параметр
|
CC2430
|
CC2530
|
|
Функции
|
|
МК |
8051 совместимый
|
8051 совместимый
|
|
Флеш-память, Кбайт
|
До 128 |
До 256 |
|
Оперативная память,
Кбайт |
8 (<4 в режимах PM2/3)
|
8 во всех режимах
|
|
Контроль сигнала таймера
|
Нет |
Есть |
|
Каналов таймера
|
3 |
5 |
|
MAC размер таймера
|
16-bit, 20-bit
переполнение |
16-bit, 24-bit
переполнение |
|
Частота ядра, МГц
|
32 |
32 |
|
Корпус, мм |
7x7, 48 выводов
|
6x6, 40 выводов
|
|
Рабочий температурный
диапазон (°С) |
-40...85 |
-40...125 |
|
Радио
|
|
Чувствительность, дБм
|
-92 |
-97 |
|
Макс. Tx энергия, дБм
|
0 |
+4,5 |
|
Чувствительность, дБ
|
92 |
101,5 |
|
Подавление соседнего
канала -5 МГц |
30 |
49 |
|
Подавление соседнего
канала +5 МГц |
41 |
49 |
|
Подавление соседнего
канала -10 МГц |
53 |
57 |
|
Подавление соседнего
канала +10 МГц |
55 |
57 |
|
Питание
|
|
Рабочее напряжение, В
|
2,0...3,6 |
2,0...3,6 |
|
Rx ток, мА |
27 |
24 |
|
Tx ток (0 дБм), мА
|
27 |
29 |
|
Tx ток (+4.5 дБм), мА
|
– |
34 |
|
CPU активный ток (32 МГц),
мА |
10,5 |
6,5 |
|
PM1 ток, мкА
|
190 |
200 |
|
PM2 ток, мкА
|
0,5 |
1 |
|
PM3 ток, мкА
|
0,3 |
0,4 |
|
PM1 -> активный режим,
мкс |
4 |
4 |
|
PM2/3 -> активный режим,
мс |
0,1 |
0,1 |
|
Xtal время запуска, мс
|
0,5 |
0,3 |
Однако из-за повышенной
выходной мощности (+4,5 дБм) незначительно вырос ток
потребления (с 27 до 34 мА) при передаче. Кроме того, эти
микросхемы имеют разные корпуса и число выводов. В процессорной
части произошли незначительные изменения, связанные с
большим объемом памяти, по другому работает Watchdog-таймер
в некоторых энергосберегающих режимах. Также измененена
работа многих внутренних блоков микросхемы (Sleep Timer,
Timer 1, GPIO, Debug Interface, DMA, USART и др.), но эти
изменения направлены на улучшение характеристик и
расширение возможностей встроенного процессора.
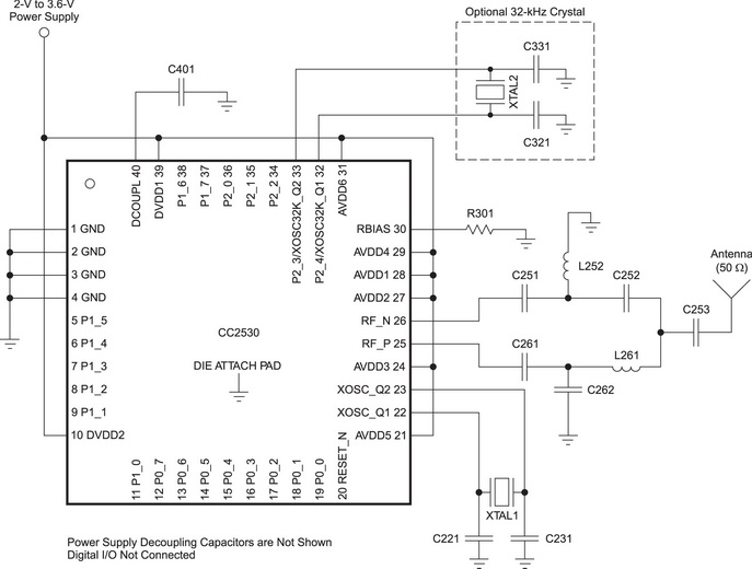
Схема включения CC2530
показана на (рис. 1). Как видно на рисунке ИС CC2530
требует весьма незначительного количества внешних
компонентов, что значительно упрощает разработку нового
изделия.

Рис. 1.
Схема включения СС2530
Применение
Система на кристалле СС2530 находит применение во
множестве практических областей. Можно выделить следующие типовые области
применения СС2530:
-
Автоматизация зданий (отопление, вентиляция,
кондиционирование),
-
Домашняя автоматизация (пульты управления
телевидением, портативные устройства, управление бытовыми приборами),
-
Медицина (биодатчики, диагностика пациента,
тревожные кнопки),
-
Периферия ПК (клавиатура, мышь, джойстик),
-
Промышленное управление и мониторинг (удаленный
контроль оборудования, промышленная автоматика),
-
ЖКХ, управление освещением (мониторинг систем,
учет электроэнергии, воды, отопления),
-
Системы безопасности (датчики, контроль доступа,
контроль помещений).
Поддержка проектирования
TI выпускает широкий ассортимент инструментальных
средств для разработки различных IEEE 802.15.4- и ZigBee-совместимых приложений
на основе СС2530, в том числе оценочные и демонстрационные наборы, программное
обеспечение для них, а также исходные коды и примеры программ.
Для проектов, нуждающихся в минимизации стоимости
конечного решения или сроков проектирования, Texas Instruments предлагает
отдельные наборы микросхем РЧ-трансиверов/процессоров и микроконтроллеров. Ниже
приведен обзор основных аппаратных средств проектирования и отладки.
Набор для проектирования CC2530DK (рис. 2)
предназначен для разработки и тестирования систем на основе CC2530. Он содержит
все необходимое оборудование, программное обеспечение и инструменты для
разработки 802.15.4-совместимого устройства.
Рис. 2. Комплект
разработчика СС2530DK
Комплект CC2530DK содержит:
-
Два оценочных модуля CC2530EM,
-
Две антенны 2,4ГГц,
-
Две оценочных платы SmartRF05EB (ЖКИ, кнопки,
светодиоды, порты USB и RS232),
-
Один ключ CC2531USB,
-
USB-кабели и документация,
-
Sensor Network Analyzer компании Daintree для
анализа трафика в сети, состоящей из множества ZigBee-узлов.
Набор для проектирования CC2530ZDK имеет возможности
тестирования, демонстрации возможностей, макетирования и разработки кода
программы ZigBee и ZigBee PRO устройств различной степени сложности.
Комплект CC2530ZDK включает в себя:
-
Исходные коды ZigBee-стека Z-Stack (TI),
-
Две оценочных платы SmartRF05EB,
-
Пять плат с батарейным питанием SmartRF05,
-
Семь оценочных модулей CC2530EM,
-
Си-компилятор EW8051 и отладчик C-SPY компании IAR
(30-дневные оценочные версии),
-
Один USB-ключ,
-
Антенны и элементы питания,
-
Sensor Network Analyzer компании Daintree для
анализа трафика в сети, состоящей из множества ZigBee-узлов.
Оценочный набор CC2530EMK (рис. 3) предназначен для
оценки возможности по загрузке кода программы через РЧ-канал, что существенно
упрощает обновление прошивки ZigBee-устройств при их эксплуатации. Модули могут
использоваться как отдельно (требуется внешнее питание), так и вместе с наборами
SmartRF05EB для управления компьютером.
Рис. 3. Комплект
разработчика EMK
Наборы CC2530EMK включают:
Оценочный комплект RemoTI-CC2530DK (рис. 4)
предназначен для оценки работы RF4CE-совместимого устройтства.

Рис. 4. Комплект
разработчика RemoTI
Комплект RemoTI-CC2530DK включает:
-
Дистанционное управление на основе CC2530,
-
Плату ресивера с модулем CC2530EM,
-
СС-компилятор, кабели, плату адаптера,
-
Руководство по быстрому старту.
Заключение
Новый трансивер CC2530 компании TI имеет широкое
применение и является идеальным выбором для конструирования законченного
устройства. Удобные средства разработки и готовый образец дизайна облегчают
работу инженера и сокращают время вывода конечного продукта на рынок.

|