КОСМОДРОМ - Электронные компоненты для разработки и производства - Харьков - Украина
|
Уважаемые покупатели. Обратите внимание на наш график работы - 13 апреля 2026 года - выходной день. Далее работаем по графику. |
|
 |
| | | |  Нажми на картинку, чтобы увеличить ее

Фото может отличаться от реального вида предмета, но это не влияет на основные характеристики изделия | Электронный набор Electronic Kit Light Control Heart Электронный набор для самостоятельной сборки. Сердце. 18 светодиодов. с датчиком освещения.
На складе ... код товара: 00-00073622
Кол-во | Цена без НДС, грн | Купить |
| Раздел: Электронный набор

| | | |
Набор для
самостоятельной сборки (DIY)
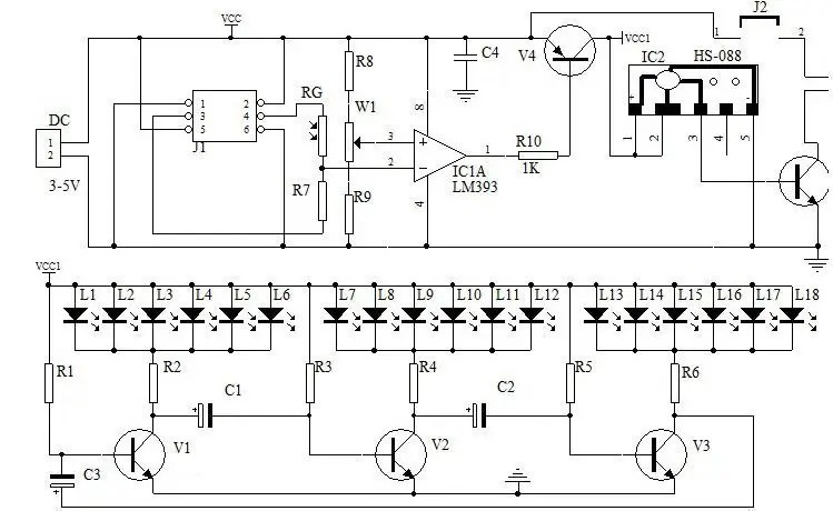
Данный набор предназначен для обучения основам пайки и сборки электронных
устройств. После сборки устройство представляет собой декоративное сердце,
которое реагирует на уровень освещённости: светодиоды начинают циклически
мигать, одновременно воспроизводится музыка.
Набор подходит для начинающих радиолюбителей и учебных целей.
Основные параметры:
Напряжение питания
3 В — если используются только красные светодиоды
4.5–5 В — если используются светодиоды разных цветов
Фоторезистор
Сопротивление фоторезистора зависит от освещённости:
при ярком свете сопротивление уменьшается
при слабом освещении сопротивление увеличивается
Работа устройства:
В зависимости от уровня освещённости:
18 светодиодов циклически мигают
одновременно воспроизводится музыкальная мелодия
Режимы работы
Режим работы выбирается с помощью перемычки J1.
Режим включения при освещении
Если замкнуть контакты 1–3 и 2–4 разъёма J1, устройство работает следующим
образом:
при увеличении освещённости уменьшается сопротивление фоторезистора возрастает
напряжение на делителе с резистором R7 это напряжение подаётся на инвертирующий
вход компаратора IC1A
Когда напряжение становится выше уровня на неинвертирующем входе:
компаратор формирует низкий уровень на выходе транзистор 8550 открывается
питание подаётся на музыкальную микросхему схему мигания светодиодов
После этого устройство начинает воспроизводить музыку и мигать светодиодами.
Режим включения в темноте
Если замкнуть контакты 3–5 и 4–6 разъёма J1, схема работает наоборот:
при уменьшении освещённости увеличивается напряжение на делителе с R7 В этом
режиме устройство включается при наступлении темноты.
Другие варианты соединения J1 не используются.
Управление звуком
Перемычка J2 управляет работой динамика. перемычка установлена — звук включён.
перемычка снята — режим без звука
Настройка чувствительности
Подстроечный резистор W1 регулирует порог срабатывания по освещённости.
С его помощью можно: настроить реакцию схемы на нужный уровень света, избежать
ложных срабатываний при слишком ярком или слишком слабом освещении.
Светодиоды
Резисторы R2, R4 и R6 являются токоограничивающими резисторами светодиодов.
Назначение:
R2 — для красных светодиодов
R4 — для жёлтых светодиодов
R6 — для третьей группы светодиодов
Если все светодиоды одного цвета, можно использовать резисторы одинакового
номинала.
Важное правило установки светодиодов
Светодиоды разных цветов имеют разное прямое напряжение.
Поэтому:
в одной группе должны быть светодиоды только одного цвета
Например:
группа L1–L6 должна содержать 6 одинаковых светодиодов.
Если установить светодиоды разных цветов в одну группу, то:
светодиоды с более высоким напряжением включения не будут светиться.
Например:
красные светодиоды имеют меньшее напряжение включения жёлтые — большее
Если установить их вместе, жёлтые светодиоды могут не загореться.
| | |






 |
Макетные платы односторонние
без маски
самый простой вариант макетной платы, когда устройство нужно собрать "на
коленке", быстро проверить его работу |
 |
Макетные платы- адаптеры
применяются для монтажа компонентов в различных корпусах |
 |
Макетные платы односторонние,
цвет маски желтый
простой вариант односторонних макетных плат, цвет маски - желтый |
 |
Универсальные адаптеры-переходники с нулевым усилием |
 |
Макетные платы односторонние,
цвет маски зеленый
простой вариант односторонних макетных плат, цвет маски - зеленый |
 |
Контактные
макетные платы
Весь перечень макетных плат |
 |
Макетные платы односторонние, цвет маски зелёный, луженные контакты
простой вариант односторонних макетных плат, цвет маски - зеленый, для
удобства монтажа компонентов контактные площадки покрыты слоем припоя |
 |
Отладочные платы и лабораторные комплексы |
 |
Макетные платы двухсторонние с металлизацией отверстий
высококачественные двусторонние макетные платы, имеется металлизация
отверстий, качественная печать, пригодны для самых различных применений |
 |
Программаторы |
 |
Соединительный и монтажный кабель
Комплекты из соединительных перемычек, монтажные кабеля в бухтах, шлейфы
с соединительными разъемами |
 |
Фольгированный стеклотекстолит для изготовления печатных плат |
|
Отладочные платы и лабораторные комплексы
При изучении программировании микроконтроллеров очень важно не
оставлять все в теории, а сразу же реализовывать идеи на практике.
Можно делать это по разному, например, тестировать в симуляторах или
собирать на макетной плате. Но самым удобным и способ ознакомления с
микроконтроллерами является отладочная плата. Отладочная плата - это
законченное устройство, в котором максимально задействованы все узлы
микроконтроллера, имеет органы управления и контроля и служит для
тестирования программ написанных для различных проектов. |
|
Поставляемые компоненты










|
^ Наверх DIV >
радиошоп, radioshop, радио, радиодетали, микросхемы, интернет, завод,
комплектующие, компоненты, микросхемы жки индикаторы светодиоды семисегментные датчики влажности преобразователи
источники питания тиристор симистор драйвер транзистор, диод, книга, приложение,
аудио, видео, аппаратура, ремонт, антенны, почта, заказ, магазин,
интернет - магазин, товары-почтой, почтовые услуги, товары, почтой, товары
почтой, каталог, магазин, Internet shop, база данных, инструменты, компоненты,
украина, харьков, фирма Космодром kosmodrom поставщики электронных компонентов дюралайт edison opto светодиодное освещение Интернет-магазин радиодеталей г.Харьков CREE ATMEL ANALOG DEVICES АЦП ЦАП