КОСМОДРОМ - Электронные компоненты для разработки и производства - Харьков - Украина
|
Серии источников питания HDR на DIN рейку с
ультра-узкой формой корпуса и полным диапазоном входного напряжения
100-240 В переменного тока 15, 30, 60, 100, 150 Ватт
HDR-15
HDR-30
HDR-60
HDR-100
HDR-150
|
 |
|
Уважаемые покупатели. Обратите внимание на наш график работы - 13 апреля 2026 года - выходной день. Далее работаем по графику. |
|
 |
| | | |  Нажми на картинку, чтобы увеличить ее

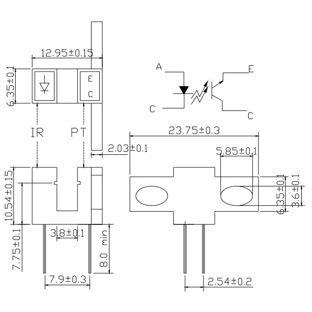
Фото может отличаться от реального вида предмета, но это не влияет на основные характеристики изделия | Датчик положения оптический ITR20005 Вход.обратное напря.:5В, Вход.прямой ток:50мА, Раб. температура: -40...80 С
На складе ... код товара: 00-00067551
Кол-во | Цена без НДС, грн | Купить |
| Раздел: Датчик положения оптический

| | | |
ITR20005 — это инфракрасный
оптический датчик, который часто применяется для обнаружения объектов и
измерения расстояний. Он состоит из инфракрасного светодиода (излучателя) и
фототранзистора (приемника), которые расположены в одном корпусе, направлены
друг на друга и разделены тонкой преградой. Этот датчик широко используется в
системах автоматизации, робототехнике, считывании черно-белых меток и для других
целей, связанных с детекцией препятствий.
Входное обратное напряжение: 5V
Входной прямой ток: 50mA
Входной пиковый прямой ток: 1.0A
Рассеиваемая мощность коллектора на выходе: 75mW
Выходной ток коллектора: 20mA
Выходное напряжение коллектор-эмиттер: 30V
Выходное напряжение эмиттер-коллектор: 5V
Рабочая Температура: -40~+80 ℃
Температура хранения: -40~+85 ℃
Температура пайки: 260 ℃ 5sec
| | |


|
Инфракрасные прерыватели
Применяются для подсчета количества оборотов диска, определения наличия
предмета между приемником и передатчиком и т.д.
Просмотреть информацию в PDF (
Interrupter
6.19 Мб). Посетить сайт компании
Bright Led. |
 |
|
|
|
Поставляемые компоненты










|
^ Наверх DIV >
радиошоп, radioshop, радио, радиодетали, микросхемы, интернет, завод,
комплектующие, компоненты, микросхемы жки индикаторы светодиоды семисегментные датчики влажности преобразователи
источники питания тиристор симистор драйвер транзистор, диод, книга, приложение,
аудио, видео, аппаратура, ремонт, антенны, почта, заказ, магазин,
интернет - магазин, товары-почтой, почтовые услуги, товары, почтой, товары
почтой, каталог, магазин, Internet shop, база данных, инструменты, компоненты,
украина, харьков, фирма Космодром kosmodrom поставщики электронных компонентов дюралайт edison opto светодиодное освещение Интернет-магазин радиодеталей г.Харьков CREE ATMEL ANALOG DEVICES АЦП ЦАП