КОСМОДРОМ - Электронные компоненты для разработки и производства - Харьков - Украина
|
Серии источников питания HDR на DIN рейку с
ультра-узкой формой корпуса и полным диапазоном входного напряжения
100-240 В переменного тока 15, 30, 60, 100, 150 Ватт
HDR-15
HDR-30
HDR-60
HDR-100
HDR-150
|
 |
|
Уважаемые покупатели. Обратите внимание на наш график работы - 13 апреля 2026 года - выходной день. Далее работаем по графику. |
|
 |
| | | |  Нажми на картинку, чтобы увеличить ее

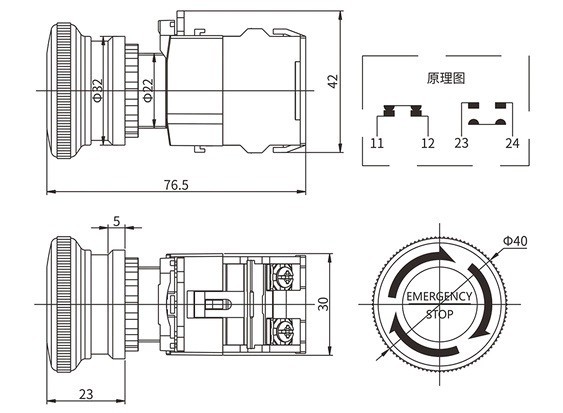
Фото может отличаться от реального вида предмета, но это не влияет на основные характеристики изделия | Кнопка антивандальная LB22M3-M22Z-A Клавиша безопасности - Stopbutton, 40 мм, 2NO2NC, без подсветки, с фиксацией, оксид алюминия
На складе ... Производитель: LB код товара: 00-00066496
Кол-во | Цена без НДС, грн | Купить |
| Раздел: Кнопка антивандальная

| | | |
|
Кнопка
аварийной остановки |
|
Клавиша безопасности - Stopbutton серии М3.
Круглая кнопка (грибок), красного цвета, диаметром 22 мм, в
металлическом корпусе применяются для аварийной остановки или запуска
процессов в цепях управления. Кнопки выполнены по стандарту IP67, имеют
уровень защиты IK10,
они устойчивы к климатическим воздействиям и предназначены для
использования в стандартных индустриальных условиях.
Кроме того, они
изготавливаются из качественного металла и пластика, и потому очень
долговечны и надежны. Имеют современный дизайн, противоскользящую
поверхность кнопки и позолоченные контакты. Для удобства применения и
эксплуатации кнопки в комплекте поставляется колодка для упрощенной и
качественной установки!
Характеристики:
Форма клавиши:
Грибовидная
Цвет головки: Красный (оксид алюминия)
Цвет подсветки: Нет
Фиксация: Есть
(поворотная)
Алгоритм работы: OFF-ON
Контакты: 2NO2NC
Коммутируемое напряжение: 8А(12А)/250В АС
Диаметр монтажного отверстия: 22 (42) мм
Высота: 76,5 мм
Внешний диаметр: 40 мм
Уровень защиты: IK10
Класс защиты: IP67
Выводы: колодка
Сопротивление изоляции: ≥1000 мОм
Сопротивление контактов: ≥50 мОм
Рабочая температура: -40...+80 С |
| | |



|
Поставляемые компоненты










|
^ Наверх DIV >
радиошоп, radioshop, радио, радиодетали, микросхемы, интернет, завод,
комплектующие, компоненты, микросхемы жки индикаторы светодиоды семисегментные датчики влажности преобразователи
источники питания тиристор симистор драйвер транзистор, диод, книга, приложение,
аудио, видео, аппаратура, ремонт, антенны, почта, заказ, магазин,
интернет - магазин, товары-почтой, почтовые услуги, товары, почтой, товары
почтой, каталог, магазин, Internet shop, база данных, инструменты, компоненты,
украина, харьков, фирма Космодром kosmodrom поставщики электронных компонентов дюралайт edison opto светодиодное освещение Интернет-магазин радиодеталей г.Харьков CREE ATMEL ANALOG DEVICES АЦП ЦАП