|
КОСМОДРОМ - Электронные компоненты для разработки и производства - Харьков - Украина
|
 |
| | | |  Нажми на картинку, чтобы увеличить ее

Фото может отличаться от реального вида предмета, но это не влияет на основные характеристики изделия | Зарядные устройства для аккумуляторов LTC4150-Modul Измерение заряда и разряда аккумулятора, питание 3,3/5 В, диапазон ±50 мВ, рабочая температура ?40…+85 °C, выходы направления тока и прерывания. Временно нет на складе...
код товара: 00-00080887
Кол-во | Цена без НДС, грн | Купить |
| Раздел: Зарядные устройства для аккумуляторов

| | | |
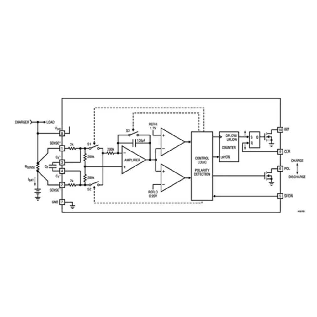
LTC4150 — модуль
кулонного счёта для определения уровня заряда аккумулятора (датчик тока, 3,3/5
В)
Модуль LTC4150 Coulombic Counter предназначен для точного контроля уровня заряда
и разряда аккумуляторов методом кулонного счёта. Он измеряет ток через внешний
шунтирующий резистор между аккумулятором и нагрузкой/зарядным устройством и
преобразует накопленный заряд в последовательность импульсов, которые
считываются микроконтроллером.
Модуль работает от логики 3,3 В и 5 В, поддерживает измерение как заряда, так и
разряда, а также формирует сигнал полярности тока, что позволяет корректно
учитывать направление потока энергии и точно оценивать оставшуюся ёмкость
батареи в реальном времени.
Основные характеристики:
Рабочая температура: −40 °C ~ +85 °C
Коэффициент преобразования «напряжение–частота»: 32,55
Блокировка выхода при пониженном напряжении питания ниже 2,5 В
Диапазон дифференциального входного напряжения измерения (SENSE+ – SENSE−): −50
мВ ~ +50 мВ
Описание интерфейса
V10: питание по умолчанию 5 В; для работы от 3,3 В необходимо замкнуть перемычки
SJ2 и SJ3
SJ1: по умолчанию разомкнута; при замыкании автоматически выполняется сброс и
прерывание
+OUT: SENSE+, сторона нагрузки / вход зарядки аккумулятора, положительный вход
измеряемого тока
+IN: SENSE−, отрицательный вход измеряемого тока и положительный вывод
проверяемого аккумулятора
SHDN: цифровой вход отключения, активен при низком уровне
POL: выход индикации полярности тока аккумулятора; высокий уровень — ток
направлен в аккумулятор (заряд), низкий уровень — ток из аккумулятора (разряд)
CLR: цифровой вход сброса прерывания
INT: выход прерывания счётчика заряда, с открытым стоком
| | |



|
Зарядные
устройства для аккумуляторов
Зарядное
устройство — электронное устройство для заряда электрических
аккумуляторов энергией внешнего источника; как правило, — от сети
переменного тока.
Зарядные
устройства для литий-ионных и литий-полимерных аккумуляторов имеют
свои особенности, поскольку перезаряд и глубокий разряд может
привести к выходу аккумулятора из строя. Основной способ заряда
литий-ионных и литий-полимерных аккумуляторов, рекомендуемый
производителями, это заряд постоянным током с контролем тока заряда
и напряжения на выводах аккумулятора. Для этого предназначены
специализированные, зачастую встроенные в аппаратуру зарядные
устройства с использованием специализированных контроллеров |
 |
|
Поставляемые компоненты










|
^ Наверх DIV >
радиошоп, radioshop, радио, радиодетали, микросхемы, интернет, завод,
комплектующие, компоненты, микросхемы жки индикаторы светодиоды семисегментные датчики влажности преобразователи
источники питания тиристор симистор драйвер транзистор, диод, книга, приложение,
аудио, видео, аппаратура, ремонт, антенны, почта, заказ, магазин,
интернет - магазин, товары-почтой, почтовые услуги, товары, почтой, товары
почтой, каталог, магазин, Internet shop, база данных, инструменты, компоненты,
украина, харьков, фирма Космодром kosmodrom поставщики электронных компонентов дюралайт edison opto светодиодное освещение Интернет-магазин радиодеталей г.Харьков CREE ATMEL ANALOG DEVICES АЦП ЦАП