КОСМОДРОМ - Электронные компоненты для разработки и производства - Харьков - Украина
|
Уважаемые покупатели. Обратите внимание на наш график работы - 13 апреля 2026 года - выходной день. Далее работаем по графику. |
|
 |
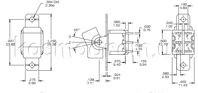
| | | |  Нажми на картинку, чтобы увеличить ее  Фото может отличаться от реального вида предмета, но это не влияет на основные характеристики изделия | Тумблер RLS-213-A1 Переключатель: тумблер, Конфиг.контактов: 5A 125VAC/2A 250VAC, выводы плоские, с отверстием. Фиксированных положений: 2. ON-OFF-(ON) Контактов: 6
На складе ... Производитель: KLS код товара: 00-00055407
Кол-во | Цена без НДС, грн | Купить |
| Раздел: Тумблер

| | | |
Новая страница 1
|
Тип переключателя |
тумблер |
|
Конфигурация
контактов |
DPDT |
|
Алгоритм работы |
ON-OFF-(ON) |
|
Нагрузка контакта АС |
5A 125VAC/2A
250VAC |
|
Выводы |
плоские, с
отверстием |
|
Рабочая температура |
-55...85°C |
|
Кол-во фиксированных
положений |
2 |
|
Количество контактов |
6 |
|
Электрический ресурс |
20000cycles |
|
Количество положений |
3 |
|
Сопротивление
контакта макс. |
20мΩ |
|
Расстояние между
крепежными отверстиями |
23,8 мм. |
| | |


|
Тумблеры -
переключатели рычажные |
|
На
складе различной конфигурации и разным алгоритмом работы:
ON-ON - количество возможных положений: 2 (количество фиксированных
положений: 2)
ON-OFF - количество возможных положений: 2 (количество фиксированных
положений: 2)
ON-(ON) - количество возможных положений: 2 (количество фиксированных
положений: 1)
(ON)-OFF - количество возможных положений: 2 (количество фиксированных
положений: 1)
ON-OFF-ON - количество возможных положений: 3 (количество фиксированных
положений: 3)
ON-OFF-(ON) - количество возможных положений: 3 (количество
фиксированных положений: 2)
(ON)-OFF-(ON) - количество возможных положений: 3 (количество
фиксированных положений: 1)
Позиция в скобках без фиксации. |
|
Поставляемые компоненты










|
^ Наверх DIV >
радиошоп, radioshop, радио, радиодетали, микросхемы, интернет, завод,
комплектующие, компоненты, микросхемы жки индикаторы светодиоды семисегментные датчики влажности преобразователи
источники питания тиристор симистор драйвер транзистор, диод, книга, приложение,
аудио, видео, аппаратура, ремонт, антенны, почта, заказ, магазин,
интернет - магазин, товары-почтой, почтовые услуги, товары, почтой, товары
почтой, каталог, магазин, Internet shop, база данных, инструменты, компоненты,
украина, харьков, фирма Космодром kosmodrom поставщики электронных компонентов дюралайт edison opto светодиодное освещение Интернет-магазин радиодеталей г.Харьков CREE ATMEL ANALOG DEVICES АЦП ЦАП