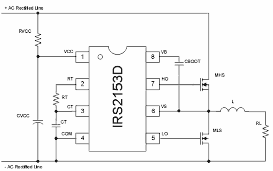
Корпорация International Rectifier анонсировала новую ИС для электронных балластов люминесцентных ламп - IRS2153D
Новая полумостовая ИС разработана для повышения эффективности и улучшения прочих технических характеристик электронных балластов, взамен устаревшим автогенераторным схемам с биполярными транзисторами. IRS2153D имеет встроенный прецизионный 3% генератор, который поможет оптимизировать выбор внешних компонентов для однородной яркости ламп при разбросе параметров в условиях серийного производства. Режим предварительного подогрева, благодаря которому увеличивается срок службы лампы, в данном случае легко реализуется внешними цепями. Для упрощения схемы в ИС также встроен бутстрепный диод.
Для построения более устойчивых схем электронных балластов IRS2153D содержит 2-вольтовый гистерезис защиты от пониженного напряжения (UVLO), который предотвращает нежелательное срабатывание блокировки в момент протекания переходных процессов. Кроме того, новая ИС содержит защиту от пониженного напряжения, которая гарантирует, что напряжение питания верхнего уровня (VBS) правильно переключит драйвер затвора верхнего ключа.
Новая IRS2153D основана на очень популярной ИС IR2153, которая содержит генератор типа «555» и полумостовой драйвер для управления двумя внешними FET- или IGBT-транзисторами. Благодаря новой топологии и технологии изготовления и, не смотря на технические преимущества, IRS2153D дешевле своего предшественника.
| Технический параметр | Существующий IR2153 | Новый прибор IRS2153D |
|---|---|---|
| Максимальный верхний уровень драйвера затвора | 600В | 600В |
| Скважность | 0.5 | 0.5 |
| tнарастания/tспада | 80/45нс | 120/50нс |
| Встроенный бутстрепный диод | нет | да |
| Встроенный стабилитрон по цепи VCC | 15.6В | 15.4В |
| Гистерезис защиты по пониженному напряжению VCC | 1В | 2В |
| Управляемый генератор | До 100 кГц+ | До 100 кГц+ |
| Отклонение частоты генератора (при 25°C) | 0.03 | 0.03 |
| Типовой стартовый ток | 75 мкА | 130 мкА |
| dV/dt устойчивость | +/- 50нс | +/- 50нс |
| Режим «Shutdown» | Да | Да |
| Корпус | 8-pin DIP | 8-pin DIP |
| 8-pin SOIC | 8-pin SOIC | |
| UVLO защита по цепи питания верхнего уровня (VBS) | Нет | Да |











