КОСМОДРОМ - Электронные компоненты для разработки и производства - Харьков - Украина
|
Уважаемые покупатели. Обратите внимание на наш график работы - 13 апреля 2026 года - выходной день. Далее работаем по графику. |
|
 |
|
|
СВЧ-усилитель MGA-62563 с регулируемым усилением от AVAGO |
|
MGA-62563
- недорогой, простой в использовании GaAs MMIC усилитель с
превосходной линейностью и низкими шумами в диапазоне 0,1…3ГГц.
Один
внешний резистор используется для задания смещения в широком
диапазоне. Это позволяет разработчику использовать общие компоненты
для нескольких узлов и оптимизировать линейность и ток потребления.
MGA-62563 работает при токе Id 20-80мА. Выход усилителя согласован к
сопротивлению 50Ом (КСВ лучше 0,5) во всем частотном диапазоне и
требует только входного согласования. Усилитель работает в широком
динамическом диапазоне с уровнем шума 0,9дБм и выходным уровнем
интермодуляции 3-го порядка +32,9дБм. В MGA-62563 применена надежная
современная технология E-pHEMT.
Отличительные особенности:
-
диапазон частот: 0,1…3ГГц;
-
однополярное напряжение
питания +3В или +5В;
-
высокая линейность;
-
низкий шум;
-
характеристики на частоте
500МГц (3В, 60мА):
- 0,9дБ уровень шума,
- 32,9дБм OIP3,
- коэффициент усиления 22дБ,
- 17,8дБм P1dB;
-
максимальная температура
кристалла до 150°С;
-
корпус: SOT-363.
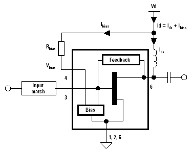
Структурная схема MGA-62563

Области применения:
малошумящие СВЧ-усилители, усилители сигнала гетеродина.
|
|
|
Поставляемые компоненты










|
^ Наверх DIV >
радиошоп, radioshop, радио, радиодетали, микросхемы, интернет, завод,
комплектующие, компоненты, микросхемы жки индикаторы светодиоды семисегментные датчики влажности преобразователи
источники питания тиристор симистор драйвер транзистор, диод, книга, приложение,
аудио, видео, аппаратура, ремонт, антенны, почта, заказ, магазин,
интернет - магазин, товары-почтой, почтовые услуги, товары, почтой, товары
почтой, каталог, магазин, Internet shop, база данных, инструменты, компоненты,
украина, харьков, фирма Космодром kosmodrom поставщики электронных компонентов дюралайт edison opto светодиодное освещение Интернет-магазин радиодеталей г.Харьков CREE ATMEL ANALOG DEVICES АЦП ЦАП