|
КОСМОДРОМ - Электронные компоненты для разработки и производства - Харьков - Украина
|
Уважаемые покупатели. Обратите внимание на наш график работы - 13 апреля 2026 года - выходной день. Далее работаем по графику. |
|
 |
|
|
Обзор DC/DC преобразователей BP5220/BP5221/BP5222
|
[
Вся продукция ROHM ]
DC/DC преобразователи BP52xx
[
наличие на складе и цены ]
DC/DC
преобразователи (конверторы) с расширенным диапазоном входных напряжений
незаменимы при разработке устройств, которые должны сохранять
работоспособность при значительных отклонениях внешнего питающего
напряжения от нормы. Как правило, такие устройства содержат
микроконтроллеры и другие ИМС, критичные к качеству напряжения питания.
Если потребляемый таким устройством ток составляет сотни миллиампер, то
реализовать схему питания на линейных стабилизаторах в принципе
невозможно. Конверторы BP5220 /BP5221 /BP5222 построены по схеме ключевого
стабилизатора с широтно-импульсным регулированием и требуют минимального
количества внешних элементов. – только входного и выходного сглаживающих
конденсаторов.
Отличительные особенности
-
Диапазон входных напряжений 8…38 В
-
Высокий КПД - 85…90 процентов
-
Возможность выключения и включения по внешнему сигналу
-
Наличие точной подстройки выходного напряжения
-
Минимальное количество внешних элементов – в простейшем случае только
входной и выходной сглаживающие конденсаторы
Области применения
-
Промышленная автоматика
-
Охранные системы
-
Автоэлектроника
-
Измерительная техника
-
Бытовая техника
Электрические параметры различных моделей DC/DC конверторов приведены в
табл. 1-3
Таблица 1
Таблица 2. Предельные электрические параметры
Рис. 1. Структурная схема BP5220 /BP5221 /BP5222
Таблица 3. Электрические характеристики на примере BP5220 /BP5221
Применение
Рис. 2 Схема включения с возможностью управления
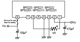
Рис. 3 Схемы включения с коррекцией выходного напряжения
|

a) С понижением выходного напряжения |

б) С повышением выходного напряжения |
Рис. 4 Преобразователь 24V – 5V со схемой защиты на компараторе
|
|
Поставляемые компоненты










|
^ Наверх DIV >
радиошоп, radioshop, радио, радиодетали, микросхемы, интернет, завод,
комплектующие, компоненты, микросхемы жки индикаторы светодиоды семисегментные датчики влажности преобразователи
источники питания тиристор симистор драйвер транзистор, диод, книга, приложение,
аудио, видео, аппаратура, ремонт, антенны, почта, заказ, магазин,
интернет - магазин, товары-почтой, почтовые услуги, товары, почтой, товары
почтой, каталог, магазин, Internet shop, база данных, инструменты, компоненты,
украина, харьков, фирма Космодром kosmodrom поставщики электронных компонентов дюралайт edison opto светодиодное освещение Интернет-магазин радиодеталей г.Харьков CREE ATMEL ANALOG DEVICES АЦП ЦАП