КОСМОДРОМ - Электронные компоненты для разработки и производства - Харьков - Украина
|
Уважаемые покупатели. Обратите внимание на наш график работы - 13 апреля 2026 года - выходной день. Далее работаем по графику. |
|
 |
| |
NXP /
PHILIPS |
Отладочная плата начального уровня для
LPC2134/36/38
контроллеров фирмы
Phillips / NXP
|
| |
|
|
|
| |
Все средства разработки
Продукция
NXP/PHILIPS на складе
микроконтроллеры семейства
LPC2000 |
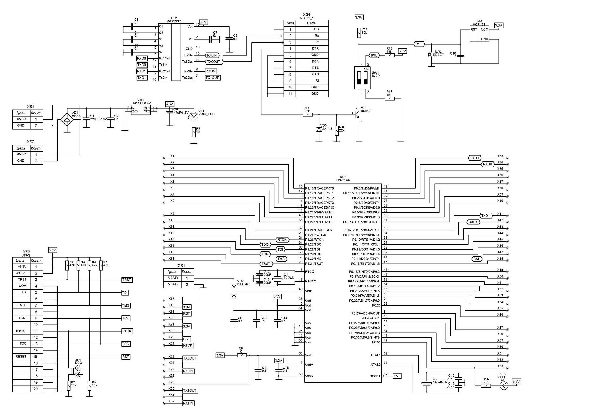
Данная отладочная плата дает
возможность легко начать работать с ARM контроллерами фирмы
Phillips. На плате
установлены все компоненты необходимые для быстрого старта, на
отдельные разъемы выведены все порты контроллера, что дает возможность
нарастить схему по мере необходимости.
Особенности:
·
LPC2134
16/32 bit
ARM7TDMI-S™
контроллер с 128Kб
Flash памяти , 16Kб
памяти данных RAM,
RTC,
8x
10 бит АЦП 2.44 мкс, 2x
UART,
I2C,
SPI,
2x
32бит таймера, 8x
CCR,
6x
PWM,
WDT,
5В совместимые порты ввода-вывода, работоспособность вплоть до 60МГц
-
Стандартный
ARM 2x10
JTAG разъем для подключения программатора/отладчика
- полностью совместим с
ARM JTAG WIGGLER
-
3.3В стабилизатор
напряжения с нагрузочной спсобностью до 800мА
-
Разъем для подключения
источника питания +6В..12В
-
Светодиод индикации
наличия питания 3,3В (красный)
-
Пользовательский
светодиод, подключенный к одному из портов контроллера
-
Два RS232 интерфейса,
один из которых подключен к DRB9 разъему
-
Супервизор питания,
подключенный к выводу RESET контроллера
-
Кнопка принудительного
сброса контроллера RESET
-
DBG джампер для
разрешения JTAG отладки/программирования
-
BSL переключатель для
разрешения работы бутлоадера
-
JRST
джампер для разрешения внешнего сброса по RS232
при работе с “LPC2100
flash utility”
-
14.7456
MГц кварцевый резонатор (4x
PLL = 58,9824 МГц: тактовая частота)
-
32768 Гц кварцевый
резонатор для реализации RTC и разъем для
подключения источника батарейного питания
-
Все порты контроллера
выведены на разъемы для простого расширения платы
-
Высококачественная
печатная плата с защитной маской зеленого цвета и обозначениями
белого цвета
-
размер платы 83x60 мм
- расстояние между выводами разъемов 50,8мм
Ссылки:
[схема]
[снизу]
[сверху]
Ссылки на
демонстрационные коды программ:
·
Blink Led
·
RS232 echo
·
RTC code
|
|
| |
|
|
|
|
|
Поставляемые компоненты










|
^ Наверх DIV >
радиошоп, radioshop, радио, радиодетали, микросхемы, интернет, завод,
комплектующие, компоненты, микросхемы жки индикаторы светодиоды семисегментные датчики влажности преобразователи
источники питания тиристор симистор драйвер транзистор, диод, книга, приложение,
аудио, видео, аппаратура, ремонт, антенны, почта, заказ, магазин,
интернет - магазин, товары-почтой, почтовые услуги, товары, почтой, товары
почтой, каталог, магазин, Internet shop, база данных, инструменты, компоненты,
украина, харьков, фирма Космодром kosmodrom поставщики электронных компонентов дюралайт edison opto светодиодное освещение Интернет-магазин радиодеталей г.Харьков CREE ATMEL ANALOG DEVICES АЦП ЦАП