КОСМОДРОМ - Электронные компоненты для разработки и производства - Харьков - Украина
|
Уважаемые покупатели. Обратите внимание на наш график работы - 13 апреля 2026 года - выходной день. Далее работаем по графику. |
|
 |
IRU1015
1.5A регулируемый стабилизатор положительного напряжения с малым падением
Отличительные особенности:
- Гарантированное падение не более 1.3В при полном токе нагрузке
- Быстрый переходной процесс
- 1% источник опорного напряжения
- Ограничение выходного тока
- Встроенная термозащита с выключением
Области применения:
- Питание 486DX4
- Питание ввода-вывода P55
- VGA и звуковые карты
- Приложения низковольтной высокоскоростной терминации
- Приложения со стандартными наборами микросхем 3.3В
Типовая схема включения:

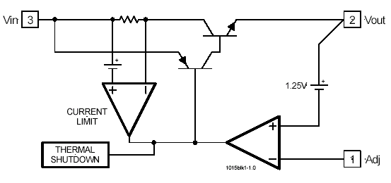
Блок-схема:

Расположение выводов:
  
Описание выводов:
| Adj |
Вход от делителя напряжения, подключенного между выходом и общим для задания выходного напряжения |
| VOUT |
Выход стабилизатора |
| Vin |
Вход стабилизатора |
Описание:
IRU1015 – трехвыводной регулируемый стабилизатор с малым падением и выходным током до 1.5А. Он специально разработан для обеспечения хорошо стабилизированным напряжением приложений с низковольтными микросхемами, например, питание процессора 486DX4, питание ввода-вывода P55, а также терминация высокоскоростных шин и слаботочное питание 3.3В логики.
IRU1015 также хорошо подходит для других приложений, например, VGA и звуковых карт. IRU1015 гарантированно имеет падение напряжения не более 1.3В при максимальной нагрузке, что делает его идеальным для получения стабилизированных напряжений от 2.5В до 3.6В при входном напряжении от 4.75В…7В. | |
Поставляемые компоненты










|
^ Наверх DIV >
радиошоп, radioshop, радио, радиодетали, микросхемы, интернет, завод,
комплектующие, компоненты, микросхемы жки индикаторы светодиоды семисегментные датчики влажности преобразователи
источники питания тиристор симистор драйвер транзистор, диод, книга, приложение,
аудио, видео, аппаратура, ремонт, антенны, почта, заказ, магазин,
интернет - магазин, товары-почтой, почтовые услуги, товары, почтой, товары
почтой, каталог, магазин, Internet shop, база данных, инструменты, компоненты,
украина, харьков, фирма Космодром kosmodrom поставщики электронных компонентов дюралайт edison opto светодиодное освещение Интернет-магазин радиодеталей г.Харьков CREE ATMEL ANALOG DEVICES АЦП ЦАП