КОСМОДРОМ - Электронные компоненты для разработки и производства - Харьков - Украина
|
Уважаемые покупатели. Обратите внимание на наш график работы - 13 апреля 2026 года - выходной день. Далее работаем по графику. |
|
 |
IRU1050-33
5A стабилизатор положительного напряжения с малым падением и фиксированным 3.3В выходом
Отличительные особенности:
- Гарантированное падение не более 1.3В при полном токе нагрузке
- Быстрый переходной процесс
- 1% источник опорного напряжения
- Ограничение выходного тока
- Встроенная термозащита с выключением
Области применения:
- Приложения с 3.3В питанием микросхем
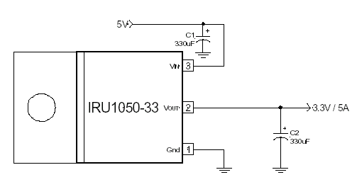
Типовая схема включения:

Блок-схема:

Расположение выводов:

 
Описание выводов:
| Gnd |
Общий |
| VOUT |
Выход стабилизатора |
| Vin |
Вход стабилизатора |
Описание:
IRU1050-33 – трехвыводной стабилизатор с малым падением, фиксированным выходным напряжением и выходным током до 5А. Он специально разработан для обеспечения хорошо стабилизированным напряжением приложений с 3.3В питанием.
IRU1050-33 гарантированно имеет падение напряжения не более 1.3В при максимальной нагрузке, что делает его идеальным для получения стабилизированного напряжения при не менее 4.6В входном питании. | |
Поставляемые компоненты










|
^ Наверх DIV >
радиошоп, radioshop, радио, радиодетали, микросхемы, интернет, завод,
комплектующие, компоненты, микросхемы жки индикаторы светодиоды семисегментные датчики влажности преобразователи
источники питания тиристор симистор драйвер транзистор, диод, книга, приложение,
аудио, видео, аппаратура, ремонт, антенны, почта, заказ, магазин,
интернет - магазин, товары-почтой, почтовые услуги, товары, почтой, товары
почтой, каталог, магазин, Internet shop, база данных, инструменты, компоненты,
украина, харьков, фирма Космодром kosmodrom поставщики электронных компонентов дюралайт edison opto светодиодное освещение Интернет-магазин радиодеталей г.Харьков CREE ATMEL ANALOG DEVICES АЦП ЦАП