КОСМОДРОМ - Электронные компоненты для разработки и производства - Харьков - Украина


 


Как купить...     


 

 

EnglishRussianUkrainian

Обратите внимание: запущена новая версия сайта

Перейти в корзину

 

пассивные SMD-компоненты

 

SMD-конденсаторы: 0201, 0402, 0603, 0805, 1206, 1210, 1812, 2220
SMD-резисторы: 0201, 0402, 0603, 0805, 1206, 2010, 2512
прецизионные низкоомные резисторные сборки

SMD-индуктивности: 0603, 0805, 1206

высоковольтная керамика / керамика класс Y1 и Y2 / металлопленка CL-21X / металлопленка CL-21 MEF / полипропиленовые CBB21 CBB22 / полипропиленовые X2-MKP / высоковольтные CBB81 / для двигателей CBB61 / фазосдвигающие CBB60E / пусковые CBB65 / Полистирольные конденсаторы СL11 / Аксиальные металлопленочные конденсаторы CL-20T / Электролитические конденсаторы / Неполярные / Полимерные (твердотельные) / Тонкие для ЖК / Низкоимпедансные / Конденсаторы SMD, Серия RC

 

Уважаемые покупатели. Обратите внимание на наш график работы - 13 апреля 2026 года - выходной день. Далее работаем по графику.

IRU1075

7.5A регулируемый стабилизатор положительного напряжения с малым падением

Отличительные особенности:

  • Падение не более 1.2 В при полном токе нагрузке
  • Быстрый переходной процесс
  • 1% источник опорного напряжения
  • Ограничение выходного тока
  • Встроенная термозащита с выключением

Области применения:

  • Приложения низковольтного питания процессоров: P54C, P55C, Cyrix M2, POWER PC, AMD
  • GTL+ терминация PENTIUM PRO, KLAMATH
  • Приложения терминации низковольтной памяти
  • Приложения со стандартными наборами микросхем 3.3В

Типовая схема включения:

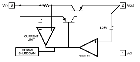
Блок-схема:

Расположение выводов:

Описание выводов:

Adj Вход от делителя напряжения, подключенного между выходом и общим для задания выходного напряжения
VOUT Выход стабилизатора
Vin Вход стабилизатора

Описание:

IRU1075 – трехвыводной регулируемый стабилизатор с малым падением и выходным током до 7.5А. Он специально разработан для обеспечения хорошо стабилизированным напряжением приложений с низковольтными микросхемами, например, питание Pentium P54C, P55C, а также терминация GTL+ для Pentium Pro и Klamath.

IRU1075 также хорошо подходит для других процессоров, например, Cyrix, AMD и Power РС. IRU1075 гарантированно имеет падение напряжения не более 1.2В при максимальной нагрузке, что делает его идеальным для получения стабилизированных напряжений, например, 3.3В при входном напряжении не менее 4.5В.

 


Поставляемые компоненты











^ Наверх

Электронные компоненты для разработки и производства. Харьков, Украина

  Украинский хостинг - UNIX хостинг & ASP хостинг

радиошоп, radioshop, радио, радиодетали, микросхемы, интернет, завод, комплектующие, компоненты, микросхемы жки индикаторы светодиоды семисегментные датчики влажности преобразователи источники питания тиристор симистор драйвер транзистор, диод, книга, приложение, аудио, видео, аппаратура, ремонт, антенны, почта, заказ, магазин, интернет - магазин, товары-почтой, почтовые услуги, товары, почтой, товары почтой, каталог, магазин, Internet shop, база данных, инструменты, компоненты, украина, харьков, фирма Космодром kosmodrom поставщики электронных компонентов дюралайт edison opto светодиодное освещение Интернет-магазин радиодеталей г.Харьков CREE ATMEL ANALOG DEVICES АЦП ЦАП