|
КОСМОДРОМ - Электронные компоненты для разработки и производства - Харьков - Украина

|
Уважаемые покупатели. Обратите внимание на наш график работы - 13 апреля 2026 года - выходной день. Далее работаем по графику. |
|
 |
IRU1117-25
800 мA стабилизатор положительного напряжения с малым падением и фиксированным 2.5В выходом
Отличительные особенности:
- Гарантированное падение не более 1.2В при полном токе нагрузке
- Быстрый переходной процесс
- 1% источник опорного напряжения
- Встроенная термозащита с выключением
- Доступность в корпусе SOT-223, D-Pak, ультратонком Pak и 8-выв. SOIC для поверхностного монтажа
Области применения:
- Приложения с низковольтными микросхемами
- Питание тактового генератора ПК
Типовая схема включения:

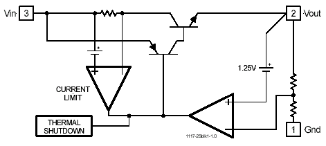
Блок-схема:

Расположение выводов:

 
Описание выводов:
| Gnd |
Общий |
| VOUT |
Выход стабилизатора |
| Vin |
Вход стабилизатора |
Описание:
IRU1117-25 – трехвыводной стабилизатор с малым падением, фиксированным выходным напряжением и выходным током до 800 мА. Он специально разработан для обеспечения хорошо стабилизированным напряжением приложений с низковольтными микросхемами, например, генераторов тактовой частоты для ПК.
IRU1117-25 гарантированно имеет падение напряжения не более 1.2В при максимальной нагрузке, что делает его идеальным для получения стабилизированного напряжения при 3.8В входном питании. IRU1117-25 разработан с учетом обеспечения такой же стабильности с недорогими алюминиевыми конденсаторами, как и с танталовыми.. | |
Поставляемые компоненты










|
^ Наверх DIV >
радиошоп, radioshop, радио, радиодетали, микросхемы, интернет, завод,
комплектующие, компоненты, микросхемы жки индикаторы светодиоды семисегментные датчики влажности преобразователи
источники питания тиристор симистор драйвер транзистор, диод, книга, приложение,
аудио, видео, аппаратура, ремонт, антенны, почта, заказ, магазин,
интернет - магазин, товары-почтой, почтовые услуги, товары, почтой, товары
почтой, каталог, магазин, Internet shop, база данных, инструменты, компоненты,
украина, харьков, фирма Космодром kosmodrom поставщики электронных компонентов дюралайт edison opto светодиодное освещение Интернет-магазин радиодеталей г.Харьков CREE ATMEL ANALOG DEVICES АЦП ЦАП