КОСМОДРОМ - Электронные компоненты для разработки и производства - Харьков - Украина
|
Уважаемые покупатели. Обратите внимание на наш график работы - 13 апреля 2026 года - выходной день. Далее работаем по графику. |
|
 |
IRU1120
2A стабилизатор положительного напряжения с малыми падением напряжения
Отличительные особенности:
- Стабильность при использовании керамического конденсатора
- Гарантированное падение напряжения не более 1.3В при полном нагружении
- Быстрый переходной процесс
- 2% опорный источник напряжения
- Ограничение выходного тока
- Выключение при перегреве
Области применения:
- Высокоэффективные линейные стабилизаторы
- Драйверы жестких дисков, CD-ROMов, DVD.
- ADSL и кабельные модемы
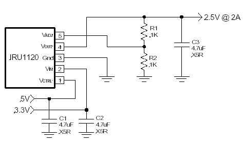
Типовая схема включения:

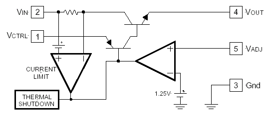
Блок-схема:

Расположение выводов:

Описание выводов:
| VCTRL |
Управляющий вход, соединяется с +5В для обеспечения очень малого перепада при низком уровне Vin |
| Adj |
Вход от делителя напряжения, подключенного между выходом и общим для задания выходного напряжения |
| VOUT |
Выход стабилизатора |
| Vin |
Вход стабилизатора |
Описание:
IRU1120 – регулируемый линейный стабилизатор. Он размещен в 5-выводном ультра тонком корпусе для поверхностного монтажа. Выходное напряжение может регулироваться, начиная с 1.25В и выше с помощью простого резисторного делителя напряжения.
Вход может быть запитан одним 5В питанием. Стабилизатор способен выдерживать продолжительный ток нагрузки 2А при входном напряжении 5В. Выход защищен ограничителем тока и схемой отключения при перегреве. | |
Поставляемые компоненты










|
^ Наверх DIV >
радиошоп, radioshop, радио, радиодетали, микросхемы, интернет, завод,
комплектующие, компоненты, микросхемы жки индикаторы светодиоды семисегментные датчики влажности преобразователи
источники питания тиристор симистор драйвер транзистор, диод, книга, приложение,
аудио, видео, аппаратура, ремонт, антенны, почта, заказ, магазин,
интернет - магазин, товары-почтой, почтовые услуги, товары, почтой, товары
почтой, каталог, магазин, Internet shop, база данных, инструменты, компоненты,
украина, харьков, фирма Космодром kosmodrom поставщики электронных компонентов дюралайт edison opto светодиодное освещение Интернет-магазин радиодеталей г.Харьков CREE ATMEL ANALOG DEVICES АЦП ЦАП