КОСМОДРОМ - Электронные компоненты для разработки и производства - Харьков - Украина
|
Уважаемые покупатели. Обратите внимание на наш график работы - 13 апреля 2026 года - выходной день. Далее работаем по графику. |
|
 |
IRU1150
4A регулируемый стабилизатор положительного напряжения с очень малым падением
Отличительные особенности:
- Падение 0.7В при токе 4А
- Быстрый переходной процесс
- 1% источник опорного напряжения
- Встроенная схема термозащиты
Области применения:
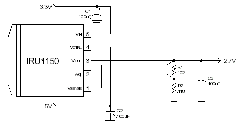
- Набор микросхем Intel I740 с питанием 2.7В от 3.3В источника
Типовая схема включения:

Блок-схема:

Расположение выводов:


Описание выводов:
| Vsense |
Вход контроля выходного напряжения для непосредственной оценки питания у нагрузки |
| VCTRL |
Управляющий вход, соединяется с +5В для обеспечения очень малого перепада при низком уровне Vin |
| Adj |
Вход от делителя напряжения, подключенного между выходом и общим для задания выходного напряжения |
| VOUT |
Выход стабилизатора |
| Vin |
Вход стабилизатора |
Описание:
IRU1150 – 4А стабилизатор с очень малым падением напряжения, выполненный по биполярной технологии, который достигает сопоставимых характеристик по сопротивлению открытого канала дискретного МОП-транзистора.
Данное изделие специально разработано для получения хорошо стабилизированного напряжения для приложений, требующих 2.8В и более низкие напряжения от 3.3В источника питания типа ATX, при этом высокая эффективность ключа может достигнута без применения дорогостоящей и сложной схемой импульсной стабилизации. Одна из сфер применения – новые наборы микросхем для видеокарт, где требуется питание от 2.4В до 2.7В, например, как у набора микросхем Intel I740. | |
Поставляемые компоненты










|
^ Наверх DIV >
радиошоп, radioshop, радио, радиодетали, микросхемы, интернет, завод,
комплектующие, компоненты, микросхемы жки индикаторы светодиоды семисегментные датчики влажности преобразователи
источники питания тиристор симистор драйвер транзистор, диод, книга, приложение,
аудио, видео, аппаратура, ремонт, антенны, почта, заказ, магазин,
интернет - магазин, товары-почтой, почтовые услуги, товары, почтой, товары
почтой, каталог, магазин, Internet shop, база данных, инструменты, компоненты,
украина, харьков, фирма Космодром kosmodrom поставщики электронных компонентов дюралайт edison opto светодиодное освещение Интернет-магазин радиодеталей г.Харьков CREE ATMEL ANALOG DEVICES АЦП ЦАП