КОСМОДРОМ - Электронные компоненты для разработки и производства - Харьков - Украина
|
Уважаемые покупатели. Обратите внимание на наш график работы - 13 апреля 2026 года - выходной день. Далее работаем по графику. |
|
 |
IRU1175
7.5A регулируемый стабилизатор положительного напряжения с очень малым падением
Отличительные особенности:
- Падение 0.5В при токе 7.5А (эквивалентно 67 мОм)
- Быстрый переходной процесс
- 1% источник опорного напряжения
- Встроенная схема термозащиты
Области применения:
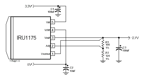
- Набор микросхем Intel I740 с питанием 2.7В от 3.3В источника
Типовая схема включения:

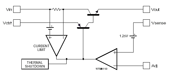
Блок-схема:

Расположение выводов:
  
Описание выводов:
| Vsense |
Вход контроля выходного напряжения для непосредственной оценки питания у нагрузки |
| VCTRL |
Управляющий вход, соединяется с +5В для обеспечения очень малого перепада при низком уровне Vin |
| Adj |
Вход от делителя напряжения, подключенного между выходом и общим для задания выходного напряжения |
| VOUT |
Выход стабилизатора |
| Vin |
Вход стабилизатора |
Описание:
IRU1175 – 7.5А стабилизатор с очень малым падением напряжения, выполненный по биполярной технологии, который достигает сопоставимых характеристик по сопротивлению открытого канала дискретного МОП-транзистора.
Данное изделие специально разработано для получения хорошо стабилизированного напряжения для приложений, требующих малое падение напряжение, например, получения 2.8В из 3.3В источника питания типа ATX, при этом высокая эффективность ключа может достигнута без применения дорогостоящей и сложной схемой импульсной стабилизации. Одна из сфер применения – новые наборы микросхем для видеокарт, где требуется питание 2.7В, например, как у набора микросхем Intel I740. | |
Поставляемые компоненты










|
^ Наверх DIV >
радиошоп, radioshop, радио, радиодетали, микросхемы, интернет, завод,
комплектующие, компоненты, микросхемы жки индикаторы светодиоды семисегментные датчики влажности преобразователи
источники питания тиристор симистор драйвер транзистор, диод, книга, приложение,
аудио, видео, аппаратура, ремонт, антенны, почта, заказ, магазин,
интернет - магазин, товары-почтой, почтовые услуги, товары, почтой, товары
почтой, каталог, магазин, Internet shop, база данных, инструменты, компоненты,
украина, харьков, фирма Космодром kosmodrom поставщики электронных компонентов дюралайт edison opto светодиодное освещение Интернет-магазин радиодеталей г.Харьков CREE ATMEL ANALOG DEVICES АЦП ЦАП