КОСМОДРОМ - Электронные компоненты для разработки и производства - Харьков - Украина
|
Уважаемые покупатели. Обратите внимание на наш график работы - 13 апреля 2026 года - выходной день. Далее работаем по графику. |
|
 |
IRU1176
7.5A регулируемый стабилизатор положительного напряжения с очень малым падением с входом выключения
Отличительные особенности:
- Гарантированно падение менее TBDV при токе 7.5A
- Быстрый переходной процесс
- 1% источник опорного напряжения
- Встроенная схема термозащиты
Области применения:
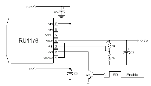
- Набор микросхем Intel I740 с питанием 2.7В от 3.3В источника
Типовая схема включения:

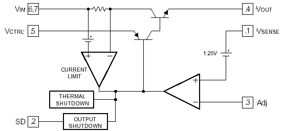
Блок-схема:

Расположение выводов:
 
Описание выводов:
| Vsense |
Вход контроля выходного напряжения для непосредственной оценки питания у нагрузки |
| VCTRL |
Управляющий вход, соединяется с +5В для обеспечения очень малого перепада при низком уровне Vin |
| Adj |
Вход от делителя напряжения, подключенного между выходом и общим для задания выходного напряжения |
| VOUT |
Выход стабилизатора |
| Vin |
Вход стабилизатора |
| S.D |
Вход выключения |
Описание:
IRU1176 – 7.5А стабилизатор с очень малым падением напряжения, выполненный по биполярной технологии, который достигает сопоставимых характеристик по сопротивлению открытого канала дискретного МОП-транзистора. IRU1176 имеет удобный вход выключения, который позволяет выключить стабилизатор и уменьшить потребление входного тока.
Кроме того, использование PNP-транзистора исключает высокие токи при старте, что делает идеальным применение данной микросхемы в приложениях, где ограничен ток источника, например, в источнике дежурного питания 5В компьютера. Одна из областей применения – новое поколение RDRAM-памяти с питанием 2.5В от 3.3В источника, с возможностью питания от 5В дежурного источника. | |
Поставляемые компоненты










|
^ Наверх DIV >
радиошоп, radioshop, радио, радиодетали, микросхемы, интернет, завод,
комплектующие, компоненты, микросхемы жки индикаторы светодиоды семисегментные датчики влажности преобразователи
источники питания тиристор симистор драйвер транзистор, диод, книга, приложение,
аудио, видео, аппаратура, ремонт, антенны, почта, заказ, магазин,
интернет - магазин, товары-почтой, почтовые услуги, товары, почтой, товары
почтой, каталог, магазин, Internet shop, база данных, инструменты, компоненты,
украина, харьков, фирма Космодром kosmodrom поставщики электронных компонентов дюралайт edison opto светодиодное освещение Интернет-магазин радиодеталей г.Харьков CREE ATMEL ANALOG DEVICES АЦП ЦАП