КОСМОДРОМ - Электронные компоненты для разработки и производства - Харьков - Украина
|
Серии источников питания HDR на DIN рейку с
ультра-узкой формой корпуса и полным диапазоном входного напряжения
100-240 В переменного тока 15, 30, 60, 100, 150 Ватт
HDR-15
HDR-30
HDR-60
HDR-100
HDR-150
|
 |
|
Уважаемые покупатели. Обратите внимание на наш график работы - 13 апреля 2026 года - выходной день. Далее работаем по графику. |
|
 |
IRU1502-33
Микромощный линейный стабилизатор напряжения с малым падением на ток нагрузки до 1 А
Отличительные особенности:
- Входное напряжение, не более – 6 В
- Ток нагрузки, не более – 1А
- Выходное напряжение – 3,3 В
- Стабильная работа с керамическими конденсаторами
- Миниатюрный 6-выводный корпус типа MLPM
- Гарантированное падение напряжения менее 1В при токе нагрузки 1А
- Малое время реакции на переходные процессы в нагрузке и входном напряжении
- Сверхмалое собственное энергопотребление
- Ограничение выходного тока
- Встроенная защита от перегрева
Применение:
- Высокоэффективные линейные стабилизаторы напряжения
- Жесткие диски, CD-ROM и DVD-приводы
- Кабельные и ADSL модемы.
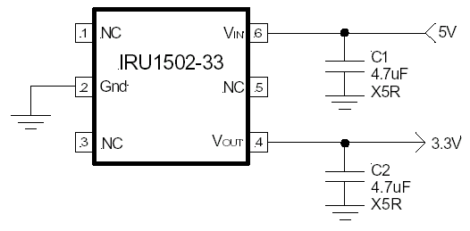
Типовая схема включения IRU1502-33:

Расположение выводов IRU1502-33:

Общее описание:
IRU1502-33 – это линейный стабилизатор напряжения с малым падением на регулирующем элементе технологии p-МОП, который может отдавать в нагрузку в долговременном режиме ток до 1 А во всем диапазоне допустимых входных напряжений и температуры окружающей среды. IRU1502-33 стабильно работает с керамическими конденсаторами малой емкости, что гарантирует малый уровень шумов в выходном напряжении, улучшает время реакции стабилизатора на изменение внешних условий и снижает размеры и площадь стабилизатора на печатной плате.
Микросхема IRU1502-33 имеет сверхнизкий уровень собственных шумов, быстрый запуск и превосходную реакцию на колебания входного напряжения и величины нагрузки (около 1А/мкс). Имеется источник опорного напряжения с точностью ±2% во всем диапазоне входных напряжений, нагрузочных токов и температуры окружающей среды (0 – 120°С). При этом собственный потребляемый ток не превышает 650 мкА во всем диапазоне нагрузочных токов. Также новый стабилизатор имеет встроенную защиту – как от токовой перегрузки, так и от перегрева. | |
Поставляемые компоненты










|
^ Наверх DIV >
радиошоп, radioshop, радио, радиодетали, микросхемы, интернет, завод,
комплектующие, компоненты, микросхемы жки индикаторы светодиоды семисегментные датчики влажности преобразователи
источники питания тиристор симистор драйвер транзистор, диод, книга, приложение,
аудио, видео, аппаратура, ремонт, антенны, почта, заказ, магазин,
интернет - магазин, товары-почтой, почтовые услуги, товары, почтой, товары
почтой, каталог, магазин, Internet shop, база данных, инструменты, компоненты,
украина, харьков, фирма Космодром kosmodrom поставщики электронных компонентов дюралайт edison opto светодиодное освещение Интернет-магазин радиодеталей г.Харьков CREE ATMEL ANALOG DEVICES АЦП ЦАП