| |
|
Операционные усилители STMicroelectronics |
|
 |
Отечественным разработчикам электроники не слишком знакомы
операционные усилители компании STMicroelectronics. Меж тем
компания производит более 150 типов этих изделий, от стандартных
индустриальных до высокотемпературных и высокоскоростных. Невысокие цены
и спектр применений от бытового аудио и видео до медицинской и
индустриальной электроники – повод обратить на операционные усилители от
ST пристальное внимание.
|
|
|
|
Когда на этапе
разработки или редизайна подходит время выбора
операционного усилителя, мы часто обращаем свой взор
в сторону таких монстров аналоговой техники, как
Texas Instruments или Maxim, известных своими
инновационными решениями и богатством выбора
приборов, характеристики которых порой опережают
свое время. На фоне продуктовых линеек этих компаний
портфель операционных усилителей (ОУ)
STMicroelectronic смотрится скромнее, однако,
несмотря на это, содержит все необходимое, чтобы
полностью удовлетворить потребности разработчика как недорогих коммерческих приборов,
так и сложной индустриальной высокоточной
измерительной аппаратуры, систем сбора данных и
видео/аудио приложений. На сегодня ST предлагает
более 150 типов ОУ от стандартных до прецизионных и
высокоскоростных, выгодно отличающихся по цене от
компаний - конкурентов.
STMicroelectronics
является производителем операционных усилителей
двенадцати групп (рис. 1). Использование данных
микросхем позволяет успешно и эффективно решать
широкий круг задач по созданию самой разнообразной
электронной аппаратуры.
Рис. 1. Семейство
операционных усилителей STMircoelectronics

Индустриальные стандартные ОУ -
это усилители, пользующиеся максимальной
популярностью разработчиков благодаря очень низкой
стоимости и средним, вполне удовлетворительным для
многих приложений, характеристикам. Типовыми
представителями данного класса ОУ являются всем
известный усилитель LM324 с
биполярным входом и TL084 - с
полевым. Такие ОУ массово выпускаются многими
производителями, что обеспечивает максимальную
доступность для потребителя, причем у разных
компаний-производителей в большинстве случаев
совпадают и названия соответствующих ОУ, и
характеристики, и назначение выводов (pin-to-pin
совместимость). Это крайне удобно в случаях, когда у
основного поставщика возникают проблемы с
производством. Всегда можно найти стопроцентную
замену без редизайна печатной платы и переработки
принципиальной схемы. Линейка стандартных
индустриальных ОУ STMicroelectronics насчитывает
более 70 типов, каждый из которых доступен в
различных корпусах (как правило, DIP или SOIC). В
таблице 1 приведены несколько типовых представителей
данной линейки, которые являются визитной карточкой
группы.
Таблица 1.
Типовые представители стандартных индустриальных
усилителей STMicroelectronics
|
Наименование |
Описание
|
Кол-во
ОУ в корпусе |
Iпит,
мкА |
Uпит, В
|
Uсм
макс, мВ |
F, МГц
|
Скор.
нараст Uвых, В/мкс |
Iвых, мА
|
Спектр.
плотн. шума, нВ/√Гц |
Кг, %
|
Корпус
|
|
мин.
|
макс.
|
|
купить - жми по ссылке ниже |
|
LF347 |
Широкополосный JFET ОУ |
4
|
1400 |
6
|
36
|
10
|
4
|
16
|
40
|
15
|
0,01 |
SO14, DIP14 |
|
LF353 |
Широкополосный JFET ОУ |
2
|
1400 |
6
|
36
|
10
|
4
|
16
|
40
|
15
|
0,01 |
SO8 |
|
LF351 |
Широкополосный JFET ОУ |
1
|
1400 |
6
|
36
|
10
|
4
|
16
|
40
|
15
|
0,01 |
DIP8, SO8 |
|
LM124
LM224
LM324 |
Малопотребляющий ОУ с низким входным током
смещения |
4
|
170 400 |
3
|
30
|
3/5 |
1,3 |
0,4 |
40
|
40
|
0,015 |
DIP14, SO14 |
|
LM348 |
Биполярный ОУ |
4
|
500 |
|
44
|
5
|
1,3 |
0,5 |
25
|
40
|
0,08 |
DIP14, SO14 |
|
LM258
LM358 |
Малопотребляющий ОУ с низким входным током
смещения |
2
|
350 |
3
|
32
|
3/7 |
1
|
0,6 |
40
|
55
|
0,02 |
DIP8, SO8, TSSOP8 |
|
LM301A |
Биполярный ОУ с защитой входов и выходов
|
1
|
1800 |
5
|
44
|
2/7,5 |
1
|
0,5 |
30
|
25
|
0,015 |
DIP8, SO8 |
|
LM346 |
Программируемый биполярный ОУ |
4
|
250 |
3
|
44
|
3/5 |
1
|
0,5 |
20
|
28
|
0,015 |
DIP16 |
|
LM2902
LM2904 |
Малопотребляющий ОУ |
4/2 |
170 400 |
3
|
32
|
7
|
1,3 |
0,4 |
40
|
40
|
0,015 0,02 |
DIP14, SO14, TSSOP14 |
|
LM833 |
Малошумящий ОУ |
2
|
2000 |
5
|
30
|
5
|
15
|
7
|
30
|
4,5 |
0,002 |
DIP8, SO8 |
|
MC1458
MC1558 |
ОУ
с широким диапазоном входного синфазного
сигнала |
2
|
1150 |
4
|
44
|
5
|
1
|
0,8 |
20
|
45
|
0,02 |
DIP8, SO8 |
|
MC3303
MC3403 |
Малопотребляющий ОУ |
4
|
700 |
|
36
|
5
|
1
|
0,5 |
30
|
43
|
0,02 |
DIP14, SO14, TSSOP14 |
|
MC33078
MC33079 |
Малошумящий ОУ |
2/4 |
2000 |
5
|
30
|
2
|
15
|
7
|
30
|
4,5 |
0,002 |
DIP8, SO8, DIP14, SO14 |
|
MC33171
MC33172
MC33174 |
Малопотребляющий биполярный ОУ |
1/2/4 |
200 |
4
|
44
|
2,5 |
2,1 |
2
|
6
|
29
|
0,05 |
DIP8, SO8, DIP14, SO14 |
|
MC4558 |
Широкополосный биполярный ОУ |
2
|
|
4
|
44
|
5
|
5,5 |
2,2 |
20
|
12
|
0,008 |
DIP8, SO8, TSSOP8 |
|
TL061
TL062
TL064
|
Малопотребляющий JFET ОУ |
1/2/4 |
200 |
6
|
36
|
3/6/15 |
1
|
3,5 |
20
|
42
|
0,01 |
DIP8, SO8, DIP14, SO14 |
|
TL071
TL072
TL074 |
Малошумящий JFET ОУ |
1/2/4 |
1400 |
6
|
36
|
3/6/10 |
4
|
16
|
20
|
15
|
0,01 |
DIP8, SO8, DIP14, SO14, TSSOP14 |
|
TL081
TL082
TL084 |
JFET ОУ общего применения |
1/2/4 |
1400 |
6
|
36
|
3/6/10 |
4
|
16
|
20
|
15
|
0,01 |
DIP8, SO8, TSSOP8, DIP14, SO14, TSSOP14
|
|
TS271 |
Программируемый малопотребляющий КМОП ОУ
|
1
|
10
150 800 |
3
|
18
|
2/5/10 |
0,1 0,7 2,3 |
0,04 0,6 4,5 |
60
|
30
|
|
DIP8, SO8 |
|
TS27L2
TS27L4 |
Микропотребялющий ОУ с широким дипаз. Uсм
|
2/4 |
10
|
3
|
18
|
2/5/10 |
0,1 |
0,04 |
60
|
30
|
|
DIP14, SO14, TSSOP14 |
|
TS27M2
TS27M4 |
Прецизионный малопотребляющий КМОП ОУ
|
2/4 |
150 |
3
|
16
|
2/5/10 |
1
|
0,6 |
60
|
38
|
|
DIP8, SO8, TSSOP8, DIP14, SO14, TSSOP14
|
|
TS321 |
Улучшенная версия LM324, LM358 с низким
потреблением |
1
|
500 600 |
3
|
30
|
2/4 |
0,8 |
0,4 |
40
|
|
0,003 |
SO8, SOT23-5L |
|
UA741 |
ОУ
общего применения |
1
|
1700 |
|
44
|
5
|
1
|
0,5 |
25
|
|
0,003 |
DIP8, SO8 |
|
UA748 |
Прецизионный ОУ |
1
|
1800 |
5
|
40
|
2
|
1
|
0,5 |
30
|
|
|
DIP8, SO8 |
|
|
Микропотребляющие усилители
STMicroelectronics представлены новейшим семейством TSV6xx
(таблица 8) c очень низким собственным потреблением, средними частотными и
хорошими точностными характеристиками. Отличное ослабление
электромагнитных излучений допускает применение усилителей в условиях
повышенного электрического шума, а высокая устойчивость против
электростатических разрядов и расширенный температурный диапазон от -40°С
до 125°С позволяют использовать их в различных типах индустриальных
приложений. Эти ОУ выпускаются в одинарном, сдвоенном и счетверенном
вариантах. Ток в активном режиме на частоте единичного усиления составляет
11 мкА для TSV61x, 29 мкА для TSV62x и
60 мкА для TSV63x. Достоинством этих ОУ также является
возможность работы в диапазоне питающих напряжений от 1,5 до 5,5 В, что
позволяет им уверенно работать при разряженной батарее. В TSV62x и TSV63x
существуют варианты с отключением усилителей, а входы и выходы всей
линейки ОУ поддерживают rail-to-rail. ОУ выпускаются в миниатюрных
корпусах SC70-5, SOT23-8 и SC70-6 (SOT23-6 и MSO10 для варианта с
отключением). Имеется также популярное исполнение в SO-8.
Таблица 8.
Микропотребляющие ОУ STMicroelectronics
|
Наименование |
Кол-во ОУ в корпусе
|
Iпит, мкА |
Uпит, В |
Uсм макс, мВ |
F, МГц |
Скор. нараст Uвых, В/мкс
|
Iвых, мА |
Дежурный режим |
Корпус |
|
мин. |
макс. |
|
купить - жми по
ссылке ниже |
|
TSV611
TSV612 |
1/2 |
11 |
1,5 |
5,5 |
1/4 |
120 |
0,035 |
20 |
нет |
SC70-5, SOT23-5, SO-8, MSO8
|
|
TSV621 |
1 |
29 |
1,5 |
5,5 |
0,8/4 |
420 |
0,15 |
70 |
нет |
SC70-5, SOT23-5 |
|
TSV622
TSV623
TSV624
TSV625 |
2/4 |
29 |
1,5 |
5,5 |
0,8/4 |
420 |
0,15 |
70 |
есть |
MSO8, SOT23-8, SO8, MSO10, TSSOP14,
TSSOP16 |
|
TSV630
TSV631 |
1 |
60 |
1,5 |
5,5 |
0,5/3 |
880 |
0,3 |
70 |
есть |
SC70-5/6, SOT23-5/6 |
|
TSV632
TSV633
TSV634
TSV635
|
2/4 |
60 |
1,5 |
5,5 |
0,8/3 |
880 |
0,3 |
70 |
есть |
MSO8, SOT23-8, SO-8, MSO10, TSSOP14,
TSSOP16 |
|
|
Rail-to-Rail-усилители
необходимы там, где стандартные операционные усилители при заданном уровне
напряжения питания уже не могут выдавать широкий размах выходного сигнала
без искажения его динамических характеристик. Полный же размах выходного
сигнала от отрицательного уровня питания к положительному уровню (from
Negative rail to Positive rail) достигается с применением ОУ с
Rail-to-Rail-архитектурой. В настоящее время популярность таких ОУ быстро
растет, что обусловлено требованиями промышленности к снижению напряжений
питания. Поэтому STMicroelectronics активно расширяет линейку Rail-to-Rail
ОУ, предлагая разработчику большой выбор недорогих изделий практически
всех классов с функцией Rail-to-Rail (см. таблицу 9). Большой интерес для
разработчиков медицинской, автомобильной и промышленной электроники, а
также всех видов приборов с батарейным питанием, представляют новые CMOS
ОУ TSV911/2/4 и TSV991/2/4, которые
помимо высокой точности, примечательны отличным соотношением
«быстродействие/энергопотребление» (1,1 мА на границе GBP), ультранизким
током смещения <1 пА, стабильным коэффициентом усиления и 5 кВ защитой от
ESD.
Таблица 9. Rail-to-Rail ОУ STMicroelectronics
|
Наименование |
Описание |
Кол-во ОУ в корпусе
|
Iпит, мкА |
Uпит, В |
Uсм макс, мВ |
F, МГц |
Скор. нараст Uвых, В/мкс
|
Iвых, мА |
Корпус |
|
мин. |
макс. |
|
купить - жми по
ссылке ниже |
|
TSV911
TSV912
TSV914 |
Rail-to-Rail ОУ с КМОП входами
|
1/2/4 |
820 |
2,5 |
5,5 |
4,5/1,5 |
8 |
4,5 |
35 |
SOT23-5L, SO8, MiniSO8, SO14, TSSOP14
|
|
TSV991
TSV992
TSV994 |
Rail-to-Rail ОУ с КМОП входами
|
1/2/4 |
820 |
2,5 |
5,5 |
4,5/1,5 |
20 |
10 |
35 |
SOT23-5L, SO8, MiniSO8, SO14, TSSOP14
|
|
TS507 |
Высокопрецизионный Rail-to-Rail ОУ
|
1 |
850 |
2,7 |
5,5 |
0,1 |
1,9 |
0,61 |
110 |
SO8, SOT23-5L |
|
LMV321
LMV358
LMV324 |
Малопотребляющий Rail-to-Rail ОУ
|
1/2/4 |
120 |
2,5 |
6 |
3 |
1 |
0,3 |
29 |
SOT23-5L, SO8, TSSOP8, SO14, TSSOP14
|
|
TS1851
TS1852
TS1854 |
Низковольный малопотребляющий
Rail-to-Rail ОУ |
1/2/4 |
120 |
1,8 |
6 |
3/1 |
0,48 |
0,2 |
40 |
SOT23-5L, SO8, DIP8, TSSOP8, SO14,
DIP14, TSSOP14 |
|
TS1871
TS1872
TS1874 |
Низковольный малопотребляющий
Rail-to-Rail ОУ |
1/2/4 |
400 |
1,8 |
6 |
3/1 |
1,6 |
0,54 |
65 |
SOT23-5L, SO8, DIP8, TSSOP8, SO14,
DIP14, TSSOP14 |
|
TS461
TS462
TS464 |
Недорогой малошумящий Rail-to-Rail ОУ
|
1/2/4 |
2000 |
2,7 |
10 |
5 |
10 |
4 |
1,5 |
SOT23-5L, SO8, DIP8, TSSOP8, SO14,
DIP14, TSSOP14 |
|
TS912
TS914 |
Высоковольный Rail-to-Rail КМОП ОУ
|
2/4 |
200 |
2,7 |
16 |
10/5/2 |
1,3 |
0,4 |
40 |
DIP8, SO8, DIP14, SO14 |
|
TS921
TS922
TS924
TS925 |
Мощный Rail-to-Rail ОУ |
1/2/4 |
1000 |
2,7 |
12 |
3/0,9 |
4 |
1,3 |
80 |
SOT23-5L, SO8, DIP8, TSSOP8, SO14,
DIP14, TSSOP14 |
|
TS931
TS932
TS934 |
Очень экономичный Rail-to-Rail ОУ с
КМОП входами |
1/2/4 |
20 |
2,7 |
10 |
10/5/2 |
0,1 |
0,05 |
1,5 |
Rip-Chip8, SO8, DIP8, TSSOP8, SO14,
DIP14, TSSOP14, DIP16, SO16, TSSOP16 |
|
TS941
TS942
TS944 |
Сверхэкономичный ОУ с КМОП входами
|
1/2/4 |
1,2 |
2,7 |
10 |
10/5/2 |
0,01 |
0,004 |
1,5 |
SOT23-5L, SO8, DIP8, SO14, DIP14,
TSSOP14 |
|
TS951
TS952
TS954 |
Экономичный Rail-to-Rail ОУ
|
1/2/4 |
900 |
2,7 |
12 |
6 |
3 |
1 |
22 |
SOT23-5L, SO8, DIP8, TSSOP8, SO14,
DIP14, TSSOP14 |
|
TS971
TS972
TS974 |
Малошумящий Rail-to-Rail ОУ
|
1/2/4 |
2000 |
2,7 |
10 |
5 |
12 |
4 |
1,5 |
DFN8, SOT23-5L, SO8, DIP8, TSSOP8,
SO14, DIP14, TSSOP14 |
|
TS982 |
Мощный ОУ |
2 |
5500 |
2,5 |
5,5 |
5 |
2 |
0,7 |
200 |
SO8 |
|
|
Аудио усилители
STMicroelectronics - это пожалуй самая большая группа специализированных
ОУ, ориентированная главным образом на производителей бытового и
профессионального мультимедийного оборудования, фото- и видеокамер,
звуковых карт для PC, MP3-плейеров, диктофонов и мобильных телефонов.
Помимо высококачественного аудиотракта, работающего на динамик головных
телефонов и акустических систем, многие из этих усилителей имеют схему
цифрового управления аудиоканалами по стандартному интерфейсу, возможность
перехода в спящий режим, температурную защиту и другие полезные функции.
Поскольку ассортимент ОУ данного класса очень широк, в таблицу 10 сведены
лишь несколько аудиоусилителей из разных классов, которые в целом
характеризуют всю линейку продукции.
Таблица 10. Некоторые аудиоусилители
STMicroelectronics
|
Наименование |
Описание |
Тип
корпуса |
Uпит, В |
Pвых, Вт |
Режим
выхода |
Rнагр., Ом |
Кг, % |
PSRR, дБ |
Кол-во входов |
Уровень сигнала деж. режима
|
Интерфейс |
|
мин. |
макс. |
|
купить - жми по
ссылке ниже |
|
TS472 |
Сверхмалошумящий микрофонный
предусилитель с дежурным режимом |
Flip-Chip12, QFN24 |
2,2 |
5,5 |
|
Дифф. |
|
0,1 |
1 |
1 |
0 |
|
|
TS4956 |
Стерео аудио усилитель с I2C
|
Flip-Chip18 |
2,7 |
5,5 |
0,1/1 |
Однополярн/BTL |
8/16 |
|
0,5 |
3 |
|
I2C |
|
TS4851 |
1 Вт/0,16 Вт BTL стереоусилитель
динамика/головных телефонов с цифровым управлением |
Flip-Chip18 |
3 |
5,5 |
0,1/1 |
Однополярн/BTL |
8/16 |
|
0,5 |
3 |
|
SPI |
|
TS482 |
0,1 Вт стереоусилитель головных
телефонов |
SO-8/MiniSO-8/DFN8 |
2 |
5,5 |
0,1 |
Однополярн |
16/32 |
0,1 |
|
2 |
|
|
|
TS4601 |
Высокопроизводительный стереоусилитель
головных телефонов с I2C |
Rip-Chip16 |
2,9 |
5,5 |
0,05 |
Однополярн |
16 |
0,3 |
100 |
2 |
I2C |
I2C |
|
TS4871 |
1 Вт усилитель мощности класса AB
|
SO-8/MiniSO-8/DFN8 |
2,5 |
5,5 |
1 |
BTL |
8 |
0,1 |
|
1 |
1 |
|
|
TS4995 |
1,2 Вт усилитель мощности класса AB с
регулируемым усилением |
Rip-Chip9 |
2,5 |
5,5 |
1 |
BTL |
8 |
0,5 |
90 |
1 |
0 или 1 |
|
|
TS4997 |
1,2 Вт стереоусилитель мощности класса
AB с программируемыми 3D эффектами |
QFN16 |
2,7 |
5,5 |
1,2 |
BTL |
8 |
0,1 |
80 |
2 |
0 |
|
|
TS4998 |
1,2 Вт стерео усилитель мощности
класса AB |
QFN16 |
2,7 |
5,5 |
1,2 |
BTL |
8 |
0,1 |
80 |
2 |
0 |
|
|
TS4962M |
3 Вт усилитель D класса не требующий
фильтра |
Flip-Chip9/QFN8 |
2,4 |
5,5 |
3 |
H-мост |
4 |
0,2 |
|
1 |
0 |
|
|
TS2007 |
3 Вт усилитель D класса 6-12 дБ не
требующий фильтра |
QFN8 |
2,4 |
5,5 |
3 |
H-мост |
4 |
0,2 |
|
1 |
0 |
|
|
TS2012 |
3 Вт стереоусилитель D класса 6, 8,12
и 24 дБ не требующий фильтра |
Rip-Chip16/QFN20 |
2,5 |
5,5 |
3 |
H-мост |
4 |
0,5 |
63 |
2 |
0 |
|
|
|
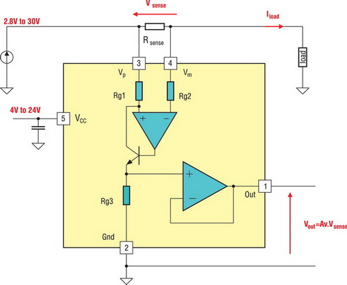
ОУ датчиков тока
STMicroelectronics (таблица 11) представлены двумя новинками
TSC101 и TSC102 (готовится к выпуску), которые
предназначены для снятия очень малого дифференциального напряжения с
токового шунта верхнего плеча силового каскада и его усиления относительно
общей шины с целью формирования нормализованного сигнала обратной связи.
Таблица 11.
Усилители датчиков тока STMicroelectronics
|
Наименование |
Описание |
Tраб, °C |
Корпус |
Iпит, мкА |
Uвх синфаз. ном., В
|
Uвх синфаз. макс., В
|
Uпит, В |
Ку, В/В |
|
мин. |
макс. |
мин. |
макс. |
мин. |
макс. |
|
купить - жми по
ссылке ниже |
|
TSC101 |
Усилитель датчика тока верхнего плеча
|
-40...125 |
SOT23-5 |
300 |
2,8 |
30 |
-0,3 |
60 |
4 |
24 |
20, 50, 100 |
|
TSC102 |
Усилитель датчика тока верхнего плеча
с кондиционером сигнала |
-40...125 |
MiniSO8/SO8 |
450 |
2,8 |
30 |
-0,3 |
60 |
3,5 |
5,5 |
20, рег. |
Эти изделия имеют фиксированный коэффициент усиления,
который определяется моделью ОУ. Широкий диапазон синфазного напряжения по
входу, низкий ток потребления и миниатюрное исполнение плюс расширенный
температурный диапазон открывают широкие возможности для применения этих
ОУ в устройствах заряда батарей, прецизионных датчиках тока, драйверах
электродвигателей и автомобильной электронике (рис. 5).
Рис. 5. Применение
TSC101 |
| |
|
Высокоскоростные усилители STMicroelectronics
(таблица 2) - это высококлассные ОУ, предназначенные
для усиления и согласования видеосигналов между
модулями видео-, теле-, а также Hi-Fi-аппаратуры.
Эти ОУ часто работают на низкоомную линию (50, 75
или 150 Ом) с комплексным сопротивлением, поэтому
выходные характеристики усилителя, такие как
нагрузочная способность и искажения выходного
сигнала в зависимости от импеданса нагрузки,
чрезвычайно важны.
Таблица 2. Высокоскоростные усилители
STMicroelectronics - ДОСТУПНЫ ПОД
ЗАКАЗ
|
Наименование |
Описание
|
Траб, °С
|
Кол-во
ОУ в корпусе |
Ку, дБ
|
F, МГц
|
Тип
|
Скор.
нараст. Uвых, В/мкс |
Плотн.
шума, нВ/√Гц |
Iпит, мА
|
Uпит, В
|
Uio
макс, В |
Rail-to-Rail |
|
мин.
|
макс.
|
вх.
|
вых.
|
|
TSH70
TSH71 TSH73 TSH75 |
Видеоусилитель с
дежурным режимом |
-40...85
|
1/3/5
|
1 |
100 |
VFA |
100 |
8 |
7,2 |
3 |
12 |
10 |
+ |
+ |
|
TSH72/74
|
Видеоусилитель
|
0...70
|
2/4 |
1 |
100 |
VFA |
100 |
8 |
7,2 |
3 |
12 |
10 |
+ |
+ |
|
TSH80
TSH81 |
Видеоусилитель с
дежурным режимом |
-40...85
|
1/2 |
1 |
100 |
VFA |
100 |
8 |
8,2 |
4,5 |
12 |
10 |
+ |
+ |
|
TSH82
|
Видеоусилитель
|
-40...85
|
2 |
1 |
100 |
VFA |
100 |
8 |
8,2 |
4,5 |
12 |
10 |
+ |
+ |
|
TSH93
|
Видеоусилитель
|
-40...125
|
3 |
1 |
150 |
VFA |
110 |
4,2 |
4,5 |
7 |
12 |
4 |
|
|
|
TSH94
TSH95 |
Видеоусилитель с
дежурным режимом |
-40...125
|
3/4 |
1 |
150 |
VFA |
110 |
4,2 |
4,5 |
7 |
12 |
4 |
|
|
|
TSH110
TSH112 TSH114 |
Малошумящий
широкополосный усилитель |
-40...85
|
1/2/4
|
1 |
100 |
CFA |
450 |
3 |
3 |
5 |
12 |
3 |
|
|
|
TSH111
TSH113 |
Малошумящий
широкополосный усилитель с дежурным режимом
|
-40...85
|
1/3 |
1 |
100 |
CFA |
450 |
3 |
3 |
5 |
12 |
3 |
|
|
|
TSH300
|
Сверхмалошумящий
высокоскоросной ОУ |
-40...85
|
1 |
5 |
200 |
CFA |
230 |
0,65
|
15 |
4,5 |
5,5 |
1,8 |
|
|
|
TSH310
|
Сверхмалопотребляющий высокоскоросной ОУ
|
-40...85
|
1 |
1 |
120 |
CFA |
115 |
7,5 |
0,4 |
4,5 |
5,5 |
6,5 |
|
|
|
TSH330
|
Малошумящий
сверхширокополосный ОУ |
-40...85
|
1 |
2 |
1100
|
CFA |
1800
|
1,3 |
16,6
|
4,5 |
5,5 |
7 |
|
|
|
TSH350
|
Малошумящий
сверхширокополосный ОУ |
-40...85
|
1 |
1 |
550 |
CFA |
940 |
1,5 |
4,1 |
4,5 |
5,5 |
4 |
|
|
|
| |
|
Поставляемые компоненты










|