|
|
PICKIT2 Lite - USB
программатор микроконтроллеров PIC |
|
PICkit2 Lite –
более дешевая версия программатора PICkit2 (без функции «Programmer-To-Go»).
Этот программатор с поддержкой USB 2.0 для новичков, который, к тому же,
является полноценным отладчиком и имеет ряд дополнительный функций. |
|
 |
|
Характеристики:
- USB 2.0 подключение (USB разъем A типа)
- Совместимость с ОС — Win98 / 2000 / XP / Vista / Se7en
- Поддержка PIC10F, PIC12F5xx, PIC16F5xx, PIC12F6xx, PIC16F, PIC18F, PIC24,
dsPIC30, dsPIC33, и PIC32 семейств 8-битных, 16-битных и 32-битных
микроконтроллеров (зависит от версии устройства);
- Возможность питания отлаживаемого устройства от USB программатора PICKIT 2
Lite
- Функция USB-UART преобразователя
- Функция логического анализатора
- Высоковольтное программирование
- Функция калибровки константы RC генератора
- Прошивка микроконтроллера простым нажатием кнопки на программаторе
- Обновление версии прошивки программатора по USB
- Официальная поддержка ПО от Microchip MPLAB IDE и PICkit 2 Programmer
- Светодиод наличия питания Power (зеленый)
- Светодиод состояния R/W (красный)
- Возможность переключения напряжения питания программируемых контроллеров
(+3.3V / +5V)
- Высококачественная печатная плата с защитной маской
- Миниатюрный размер 83х24 мм |
|
 |
|
Программное
обеспечение:
PICkit-2 работает под управлением оболочки «PICkit 2 Programmer» или под
управлением среды разработки MPLAB IDE. Оба приложения бесплатно
распространяются фирмой Microchip и периодически обновляются в разделе MPLAB
IDE Archives. Для работы «PICkit 2 Programmer» требуется пакет «Net
Framework», который интегрирован в дистрибутив PICkit 2 V2.61. Оболочка «PICkit
2 Programmer» как и среда разработки MPLAB IDE поддерживает широкий спектр
МК (перечень которых постоянно пополняется с выходом новых версий ПО фирмы
Microchip). PICkit 2 позволяет стирать, программировать и проверять память
программ и EEPROM, устанавливать защиту кода, редактировать содержимое Flash
и EEPROM МК, а также программировать микросхемы памяти EEPROM |
|
|
|
Обновление
ПО программатора:
Прошивка программатора поставляется вместе с указанными программами и
находится в каталогах ПК по примерному пути:
«C:\Program Files\Microchip\PICkit2v2\PK2V023200.hex» или
«C:\Program Files\Microchip\MPLABIDE\PICkit2\PK2V023200.hex».
Версия прошивки может отличаться, в зависимости от версии оболочки или среды
разработки. Разные версии программного обеспечения и управляющих программ
между собой совместимы.
Кнопка:
SB1 используется для активации в устройстве режима bootloader для обновления
программного обеспечения (прошивки) программатора через интерфейс USB. Для
обновления прошивки программатора необходимо включить программатор в USB,
предварительно зажав кнопку.
Джампер (перемычка):
Джампер служит для выбора напряжения питания программируемого
контроллера. Для микроконтроллеров с напряжением питания 3.3V джампер
следует снять, для программирования 5V серии микроконтроллеров его следует
установить (т.е. замкнуть контакты).
Подключение и настройка:
При первом подключении к компьютеру операционная система найдет новое
устройство «PICkit 2 Microcontroller Programmer» и автоматически установит
для него драйвера. В списке диспетчера устройств появится новое USB
HID-совместимое устройство. HID (Human Interface Devices), согласно
спецификации USB, – это устройства связи с пользователем, для которых в
операционных системах Windows 98/2000/XP/Vista имеются встроенные
HID-драйверы. В связи с этим необходимость в специальном драйвере отпадает,
что, несомненно, удобно.
|
|
Назначение
выводов разъема программатора:
 |
|
Работа с программатором:
Для начала работ следует запустить оболочку «PICkit 2 Programmer»,
подключить программируемый МК к программатору, в окне «PICkit 2 Programmer»
нажать кнопку «Read» – должен отобразиться тип подключенного МК.
Для записи hex-файла в МК:
1) через меню File -> Import Hex открыть соответствующий hex-файл; окно
Program Memory (и в соответствующих случаях окно EEPROM Data) заполнится
новыми данными;
2) нажать в окне кнопку «Write»; происходит процесс программирования.
Для чтения hex-файла из МК:
1) нажать кнопку «Read»; происходит процесс чтения; окно Program Memory (и в
соответствующих случаях окно EEPROM Data) заполнится новыми данными;
2) через меню File -> Export Hex сохранить прочитанные данные в hex-файл.
Для просмотра и смены битов конфигурации:
1) нажать в окне фразу «Configuration»; откроется новое окно;
2) при необходимости сменить биты и сохранить кнопкой «Save».
Для расчета калибровочной константы встроенного RC-генератора:
1) через меню Tools -> OSCCAL -> Auto Regenerate запускаем процедуру
вычисления калибровочной константы; появляется запрос-подтверждение о том,
что данные в МК в процессе калибровке будут стерты; соглашаемся с этим и
подтверждаем нажатием на кнопку «Ok»;
2) происходит запись в МК специальной программы, которая генерирует на
выводе МК меандр; программатор измеряет частоту и рассчитывает калибровочную
константу, которая затем записывается в МК.
Для обновления программного обеспечения программатора:
1) отключить программатор от ПК и нажать кнопку SB1;
2) подключить программатор к ПК и запустить оболочку «PICkit 2 Programmer»;
3) через меню Tools -> Download PICkit 2 Operating System открыть
соответствующий hex-файл (например, «C:\Program Files\Microchip\PICkit2v2\PK2V023200.hex»);
происходит процесс загрузки операционной системы;
4) отключить программатор от ПК, отпустить кнопку SB1, снова программатор
подключить к ПК, запустить оболочку «PICkit 2 Programmer» и при желании
проверить номер версии программного обеспечения через меню Help -> About.
Для использования в режиме USB-UART преобразователя:
1) через меню Tools -> UART Tool… открыть интерфейсное окно обмена;
2) к линии Data программатора подключить линии «передатчика» (TX), к линии
Clock программатора подключить линии «приемника» (RX), обязательно
подключить линии общего провода (Gnd) и питания +5 В (Vcc) (без входящего
питания работать не будет);
3) выбрать необходимую скорость и нажать кнопку «Connect»;
4) провести обмен данными с устройством.
Для использования в режиме логического анализатора:
1) через меню Tools -> Logic Tool… открыть интерфейсное окно обмена;
2) выбрать кнопками режим работы Mode: «Logic I/O» «Analyzer»;
3) линии Data программатора соответствует «Pin 4», линии Clock – «Pin 5»;
определить режимы работы этих линий – либо приём входящих сигналов, либо
установка исходящих сигналов на линиях Data и Clock.
|
|
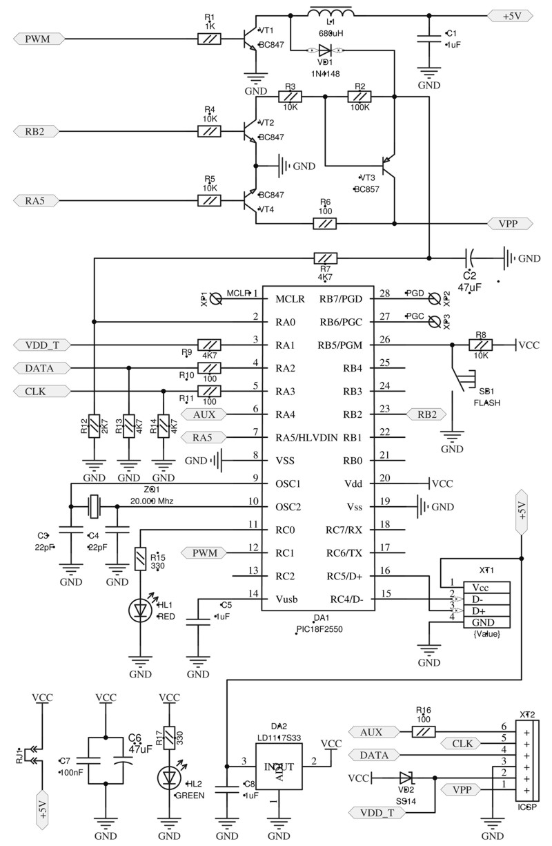
Схема
электрическая принципиальная программатора PICKIT2 Lite
 |
| |
|