КОСМОДРОМ - Электронные компоненты для разработки и производства - Харьков - Украина
|
Уважаемые покупатели. Обратите внимание на наш график работы - 13 апреля 2026 года - выходной день. Далее работаем по графику. |
|
 |
|
Предлагаем со склада
ассортимент жидкокристаллических- и PLED-
индикаторов. Интересующие Вас модели
спрашивайте.
|
Информация о серии дисплеев:
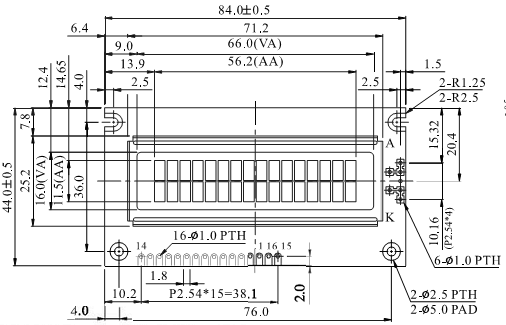
WH1602A
Основные параметры
-
тип: символьный (знакосинтезирующий)
-
разрешение: 16 символов x 2
строк
-
размеры модуля, мм: 84.0 x
44.0
-
размер видимой области, мм:
66.0 x 16.0 (диагональ: 2.7 ″ = 6.8 см)
-
размер точки, мм: 0.55 x 0.65
-
тип контроллера: S6B0066U
(HD44780)
-
особенности:
-
примечания: BLC: K, 3V
-
производитель:
WINSTAR
Краткое описание:
WH1602A.pdf
Эскиз
Внешний вид

|
|
Поставляемые компоненты










|
^ Наверх DIV >
радиошоп, radioshop, радио, радиодетали, микросхемы, интернет, завод,
комплектующие, компоненты, микросхемы жки индикаторы светодиоды семисегментные датчики влажности преобразователи
источники питания тиристор симистор драйвер транзистор, диод, книга, приложение,
аудио, видео, аппаратура, ремонт, антенны, почта, заказ, магазин,
интернет - магазин, товары-почтой, почтовые услуги, товары, почтой, товары
почтой, каталог, магазин, Internet shop, база данных, инструменты, компоненты,
украина, харьков, фирма Космодром kosmodrom поставщики электронных компонентов дюралайт edison opto светодиодное освещение Интернет-магазин радиодеталей г.Харьков CREE ATMEL ANALOG DEVICES АЦП ЦАП