|
KP2G разъемы |
Cерия KP2G
имеет надежное резъбовое соединение, низкое сопротивление контактов, пыле
влаго защищенность IP65. Круглые разъемы KP2G являются функциональными
аналогами раземов 2РМ и 2РМГ. Гнездовые и штыревые контакты возможно
устанавливать как в блочные, так и в кабельные части разъемов. |
|
Блочная часть |
|
|
 |
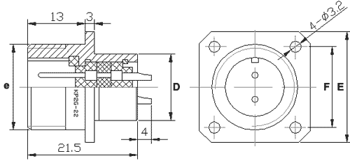
Блочная
часть круглых разъемов KP2G монтируется в отверстие корпуса для РЭА,
крепеж фланцем.
Сочленение разъемов резьбовое, гайкой на кабельной части.
Cерия KP2G имеет надежное резъбовое соединение, низкое сопротивление
контактов, пыле влаго защищенность IP65.
Рабочее напряжение — 250В; Номинальный ток — Ø1.0мм - 3A; Сопротивление
контактов — Ø1.0мм - <5mΩ; IP стандарт — 65; Покрытие контакта — Серебро;
Вибрации, пиковое ударное ускорение — 10-200Гц, 150 м/с2; Механический
удар, пиковое ударное ускорение — 250м/с2; Рабочая температура — -55 ~
+100; |
|
Кабельная часть, прямая |
|
|
 |
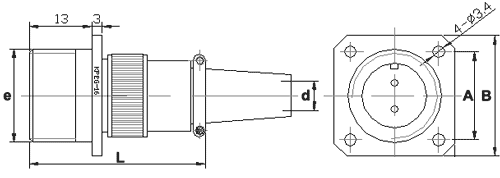
Тип корпуса
— на кабель с прямым патрубком. Резьбовое сочленение разъемов, гайкой.
Cерия KP2G имеет надежное резъбовое соединение, низкое сопротивление
контактов, пыле влаго защищенность IP65.
Рабочее напряжение — 250В; Номинальный ток — Ø1.0мм - 3A; Сопротивление
контактов — Ø1.0мм - <5mΩ; IP стандарт — 65; Покрытие контакта — Серебро;
Вибрации, пиковое ударное ускорение — 10-200Гц, 150 м/с2; Механический
удар, пиковое ударное ускорение — 250м/с2; Рабочая температура — -55 ~
+100; |
|
 |
 |
|
D=16 ; E=26 ; e=M20x1.0 ; F=19.5
(размеры в мм) |
A=19.5 ; L=43 ; B=23 ; e=M20x1.0 ; d=6
(размеры в мм) |
|
|
 |
1,00 мм |
NX100X - разъемы с шагом 1 mm для соединения типа "провод - плата" |
|
 |
1,25 мм |
NX125X - разъемы с шагом 1,25 mm для соединения типа "провод - плата" |
 |
1,27 мм |
PBS/PBD - Гнезда с шагом 1,27 мм на печатную плату |
|
 |
1,50 мм |
NX150X - разъемы с шагом 1,50 mm для соединения типа "провод - плата" |
|
 |
2,00 мм |
Разъемы сигнальные NX с шагом 2 для соединения типа "провод -
плата" |
|
 |
2,50 мм |
NX250X - разъемы с шагом 2,50 mm для соединения типа "провод - плата" |
|
 |
2,54 мм |
Разъемы сигнальные с шагом 2.54 мм для соединения типа "провод-плата" с фиксатором |
|
 |
2,54 мм |
Гнезда и разъемы NS25 с шагом 2,54 mm для соединения типа "провод - плата" |
|
|
2,54 мм |
Разъемы сигнальные шаг 2.54 мм XH2.54 ATX |
|
 |
3,00 мм |
Соединители Micro-Fit с шагом 3.0 mm |
|
 |
3,00 мм |
Разъемы сигнальные, с шагом 3.0 mm для соединения типа "провод - плата" |
|
 |
3,96 мм NS
3,96 мм PHU |
Гнезда и разъемы NS39 с шагом 3,96 mm для соединения типа "провод - плата"
Разъемы низковольтного питания PНU, PWL, шаг 3.96мм |
|
 |
4,20 мм |
Разъемы Mini Fit с шагом 4,2 mm для печатного монтажа |
 |
5,08 мм |
NX508X - разъемы с шагом 5,08 mm для соединения типа "провод - плата" |
|
 |
6,35 мм |
Универсальные разъемы NLS с шагом 6,35 мм. для соединения типа "провод - провод" |
Фото | Описание | ЦЕНА ЗА ШТ БЕЗ НДС, грн | 
| KP2G16-J3AP Разъемы KP2G Кабельная вилка, контактов 3 , серебро, 250В. 3А , IP65, -55 +100°C
Производитель: KLS код товара: 00-00046979
|
|
| 
| KP2G16-K3P Разъемы KP2G Розетка , контактов 3 , серебро, 250В. 3А , IP65, -55 +100°C
Производитель: KLS код товара: 00-00046980
|
|
| 
| KP2G16-K7A Разъемы KP2G приборная розетка, контактов 7, серебро, 250В. 3А., IP65, -55 +100 С, отверстие под кабель 6 мм.
Производитель: KLS код товара: 00-00041143
|
|
| 
| KP2G22-J10A Разъемы KP2G приборная вилка, контактов 10, серебро, 250В. 3А., IP65, -55 +100 С
Производитель: KAIPU код товара: 00-00041145
|
|
| 
| KP2G22-J4A Разъемы KP2G приборная вилка, контактов 4, серебро, 250В. 3А., IP65, -55 +100 С
Производитель: KAIPU код товара: 00-00041146
|
|
| 
| KP2G22-K10P Разъемы KP2G кабельная розетка, контактов 10, серебро, 250В. 3А., IP65, -55 +100 С, отверстие под кабель 11 мм.
Производитель: KAIPU код товара: 00-00041147
|
|
| 
| KP2G16-J4A Разъемы KP2G приборная вилка, контактов 4, серебро, 250В. 3А., IP65, -55 +100 С
Производитель: KAIPU код товара: 00-00041137
|
|
| 
| KP2G16-J4P Разъемы KP2G кабельная вилка, контактов 4, серебро, 250В. 3А., IP65, -55 +100 С
Производитель: KAIPU код товара: 00-00041138
|
|
| 
| KP2G16-J7A Разъемы KP2G приборная вилка, контактов 7, серебро, 250В. 3А., IP65, -55 +100 С
Производитель: KAIPU код товара: 00-00041139
|
|
| 
| KP2G16-J7P Разъемы KP2G кабельная вилка, контактов 7, серебро, 250В. 3А., IP65, -55 +100 С, отверстие под кабель 6 мм.
Производитель: KAIPU код товара: 00-00041140
|
|
| 
| KP2G16-K4A Разъемы KP2G приборная розетка, контактов 4, серебро, 250В. 3А., IP65, -55 +100 С
Производитель: KAIPU код товара: 00-00041141
|
|
| 
| KP2G16-K4P Разъемы KP2G кабельная розетка, контактов 4, серебро, 250В. 3А., IP65, -55 +100 С, отверстие под кабель 6 мм.
Производитель: KAIPU код товара: 00-00041142
|
|
| 
| KP2G16-K7P Разъемы KP2G кабельная розетка, контактов 7, серебро, 250В. 3А., IP65, -55 +100 С, отверстие под кабель 6 мм.
Производитель: KAIPU код товара: 00-00041144
|
|
| 
| KP2G22-K4P Разъемы KP2G кабельная розетка, контактов 4, серебро, 250В. 3А., IP65, -55 +100 С, отверстие под кабель 11 мм.
Производитель: KAIPU код товара: 00-00041148
|
|
| 1
|
пассивные
SMD-компоненты |
|
|
SMD-конденсаторы:
0201,
0402,
0603,
0805,
1206,
1210,
1812,
2220
SMD-резисторы:
0201,
0402,
0603,
0805,
1206,
2010,
2512
прецизионные
низкоомные
резисторные сборки
SMD-индуктивности: 0603,
0805,
1206 |
высоковольтная
керамика /
керамика класс Y1 и Y2 /
металлопленка
CL-21X /
металлопленка CL-21 MEF /
полипропиленовые CBB21 CBB22 /
полипропиленовые
X2-MKP /
высоковольтные CBB81 /
для двигателей
CBB61 / фазосдвигающие
CBB60E /
пусковые CBB65 /
Полистирольные конденсаторы СL11 /
Аксиальные
металлопленочные конденсаторы CL-20T /
Электролитические конденсаторы
/
Неполярные
/ Полимерные (твердотельные)
/ Тонкие для
ЖК /
Низкоимпедансные
/ Конденсаторы SMD, Серия RC |
Время генерации 0.084555 секунд Найдено 14 товаров |
Поставляемые компоненты










|