|
| |
|
Мировой рекорд Cree: 160 люмен на Ватт |
| |
|

смотри раздел
"Мощные светодиоды CREE" |
На
сегодняшний день наиболее эффективным источником света является натриевая
лампа, имеющая эффективность 120...130 лм/Вт, но обладающая очень низким
индексом цветопередачи (Ra) - не более 20. Поэтому, эти источники света
применяются для освещения автомагистралей, улиц и т.п., где нет требований
к цветопередаче. Стремительное развитие светодиодной отрасли привело к
тому, что уже появились светодиоды с эффективностью равной и большей, чем
эффективность натриевых ламп, и имеющих очень высокое значение индекса
цветопередачи (70...90). Производителем таких светодиодов является
компания CREE, начавшая серийный выпуск светодиодов XM-L. |
|
Весной 2010 года компанией CREE был анонсирован новый мощный светодиод
XLamp XM-L с самой высокой светоотдачей в отрасли -
160 лм/Вт на токе 350 мА (рис. 1). Серийный выпуск светодиодов
планировался осенью 2010 года. И вот это время пришло. В настоящий момент
светодиоды этой серии уже доступны для заказа. Светодиоды обладают
поистине уникальными характеристиками в разряде однокристальных: световой
поток при токе 700 мА имеет значение 280 лм (в холодном белом), тепловое
сопротивление 2,5°С/Вт и максимальное значение тока 3 А. В самом начале,
когда компания CREE анонсировала этот светодиод, он был заявлен как
светодиод с максимальным током 2 А. Проведя дополнительные, более
тщательные тестирования (из-за которых немного задержался серийный
выпуск), производитель гарантировал работу и возможность отвода тепла на
токе до 3 А. На этом токе световой поток достигает значения уже 910 лм, а
мощность, подводимая к светодиоду, составляет всего 10 Вт. Прямое падение
напряжения (тип.) при токе 700 мА - не выше 2,9 В. На сегодняшний день ни
один светодиод других мировых производителей не может обеспечить даже
близких параметров. Тем самым очередной раз подтверждается несомненное
лидерство компании CREE в области полупроводниковых источников света.
Рис.
1. Внешний вид и габаритные размеры светодиода XM-L
В
настоящее время светодиоды этой серии выпускаются только в холодном белом
цвете в диапазоне цветовых температур: 5000...8300К с биннингом, как и вся
другая светодиодная продукция компании CREE, по стандарту ANSI C78.377.
Светодиоды изготавливаются в керамическом симметричном корпусе
(5,0х5,0х3,0 мм) для поверхностного монтажа с электрически изолированной
от кристалла подложкой. Максимальная рабочая температура перехода
кристалла может достигать 150°C.
Светодиоды серии XM-L ориентированы в первую очередь на использование в
световых приборах, заменяющих существующие светильники, выполненные на ДРЛ,
металлогалогенных и натриевых лампах, для уличного и промышленного
освещения.
Ценовая политика компании CREE подтверждает еще один, не всегда очевидный,
факт: то, что наиболее низкая стоимость света (рубль/люмен) получается на
более дорогих светодиодах, но при их правильном использовании. Под
правильным использованием понимается такой режим работы светодиода,
который обеспечивает приемлемый срок его службы (десятки тыс. часов) с
максимальной отдачей. Это примерно 50...70% по току от максимально
возможного значения. В данном случае можно ожидать отношения рубль/люмен
на уровне 20...30 копеек за люмен при работе на токе 2,1 А (при заказе
определенного количества светодиодов). Использование данного светодиода на
токе менее 1,5 А экономически не оправдано, если требуется повышенное
значение эффективности (110 лм/Вт и более).

Как
видно из заявленных параметров, для питания нового светодиода требуются
источники с достаточно большим выходным током: 1,5...3,0 А. Выбор
производителей источников тока с подобными параметрами ограничен, но их
можно найти в линейке производителей Inventronics, UE Electronic,
Mean Well или разработать свой собственный под требуемые
параметры.
Расширяя линейку продукции в области светодиодов мощностью более одного
ватта, компания CREE не обходит вниманием и область небольших мощностей:
0,5 Вт и менее.
Причем, если основные мировые производители светодиодов идут путем
увеличения мощности, то компания CREE в данном случае двигается обратно:
от более мощных светодиодов - к светодиодам меньшей мощности. Конечно, и
до этого момента в линейке продукции CREE присутствовали и присутствуют
0,5 Вт светодиоды: это известные CLP6B - наследство компании COTCO
International (была поглощена в 2008 году компанией CREE), но они
относятся к классу сверхъярких светодиодов и не рекомендуются для
применения в качестве источников основного света. К осветительным
светодиодам применяются более жесткие требования по стабильности цветовых
координат и светового потока во времени, которые выдерживают только
светодиоды класса XLamp, специально разработанные для этих целей.
Светодиоды небольшой мощности и с небольшим световым потоком требуются
там, где необходимо создание светильников в виде равномерно светящейся
поверхности, например, светильники для местного освещения, встраиваемые
светильники в подвесной потолок типа «Армстронг». Используя такие
светодиоды и устанавливая их с меньшим шагом, можно получить равномерно
светящуюся поверхность, применяя в качестве рассеивающего стекла материал
с меньшими потерями. В конечном итоге это позволит снизить или полностью
избавиться от таких неприятных эффектов, как множественные полутени и
пикселизация. Исходя из этих требований, в начале осени 2010 г. были
запущены в серию 0,5 Вт светодиоды класса XLamp серии ML-E.
|
|
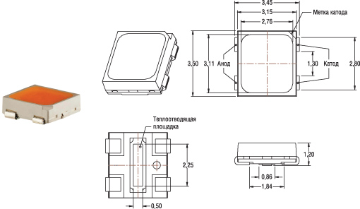
Светодиоды серии ML-E изготавливаются в корпусе для
поверхностного монтажа PLCC4 с размерами 3,5х3,5х1,2 мм (рис. 2). Как
видно из рисунка, светодиоды имеют теплоотводящую электрически
изолированную площадку (HeatSink), которую для отвода тепла требуется
припаивать к печатной плате. Отличительной особенностью данной серии
светодиодов является высокое значение эффективности - до 112 лм/Вт в
холодном белом цвете - и низкое тепловое сопротивление 11°С/Вт. В
пересчете на 1 Вт это значение эквивалентно тепловому сопротивлению
5,5°С/Вт, что является хорошим показателем для мощных светодиодов.
Рис. 2. Внешний вид и габаритные размеры светодиода ML-E
Выпускаются светодиоды в диапазоне цветовых температур: 2600...8300К,
обладающие световым потоком от 30 лм (в теплом белом) до 51 лм (в холодном
белом) и рассчитаные на максимальный ток 175 мА. Нормирование параметров
осуществляется на токе 150 мА.
Основное применение светодиоды серии ML-E найдут там, где необходимы
высокие требования к однородной яркости свечения поверхности:
- замена
светильников, выполненных с использованием люминесцентных ламп Т5 и Т8;
- световые
короба и панели;
-
функциональное освещение.
Ввиду того, что параметры светодиода нормируются на токе 150 мА, а
максимальное значение тока всего 175 мА, то можно ожидать, что будут
некоторые проблемы с выбором готового модульного источника тока для
питания одной последовательной цепочки светодиодов. Дело в том, что
практически все выпускаемые источники питания в настоящее время имеют
минимальное значение выходного тока 350 мА. Но поскольку у данных
светодиодов весьма небольшой разброс по прямому падению напряжения
(3,2 В - тип., 3,4 В - макс.), то возможно параллельное соединение
нескольких последовательных цепочек таким образом, чтобы их суммарный ток
равнялся выходному току выбранного модульного источника. Конечно, при этом
будет наблюдаться некоторое перераспределение тока через параллельные
цепочки, которое в общем случае будет уменьшаться при увеличении
количества светодиодов в одной цепочке. Добиться точного равенства токов
можно, введя в цепочки дополнительные, требующие подбора токовыравнивающие
элементы, но при этом усложнится технологичность и снизится общий КПД
системы. Исключить подобные недостатки возможно, если разработать
собственный источник питания на специализированной интегральной
микросхеме - светодиодном драйвере. Такие микросхемы (AC/DC, DC/DC)
выпускаются многими известными производителями: Texas Instruments,
Supertex, STMicroelectronics, ON Semiconductor, Zetex и др.
Используя интегральные драйверы, можно разработать источник питания с
нужным выходным током. Схемотехника этих драйверов позволяет задавать
необходимый ток, как правило, одним резистором.
|
|
Рассматривая новинки, необходимо упомянуть и о вышедшем в конце лета
многокристальном светодиоде MX-3.
Многим уже хорошо известен многокристальный светодиод MX-6,
имеющий в своем составе пять (с весны 2010 г.) параллельно соединенных
кристаллов и максимальное значение тока до 1000 мА. Оптимальный режим
работы этого светодиода, исходя из продолжительности жизни (31...45 тыс.
час, при температуре в точке пайки 85°С) и эффективности (90...80 лм/Вт) -
500...700 мА, но далеко не все потребители используют его на таких токах
(рис. 3). Связано это прежде всего с тем, что почему-то ток, при котором
нормируются параметры светодиода, считается и рабочим током. На самом деле
это не так. Просто первые разработанные мощные светодиоды были
светодиодами с потребляемой мощностью около 1 Вт (ток 350 мА), и в
дальнейшем для корректного сравнения все производители мощных светодиодов
оставили нормирование характеристик именно на этом токе. Рассмотренный в
начале статьи светодиод серии XM-L уже нормируется на токе 700 мА. Этим
самым производитель заявляет, что использование его на токе 350 мА лишено
смысла, только если требуется очень высокая светоотдача (до 160 лм/Вт) и
не стоит вопрос затрат.
Рис.
3. Продолжительность жизни светодиода MX-6 при температуре в точке
пайки (Tsp), равной температуре окружающей среды (Ta)
Для
применений, где разработчик выбирает рабочий ток не более 400 мА, компания
CREE и разработала светодиод серии MX-3 в точно таком же корпусе, как и
MX-6, но имеющий в своем составе всего три параллельно соединенных
кристалла (рис. 4). Соответственно, серия новых светодиодов имеет и
значительно (до 30...40%) меньшую стоимость, чем MX-6. Стоит отметить, что
светодиоды серий MX-3 и MX-6 обладают схожими значениями светового потока,
но на разных значениях нормируемого тока: MX-3 нормируется при токе
350 мА, а MX-6 - при токе 300 мА. Ввиду того, что у светодиодов разные
токи биннинга, это приводит к явлению, когда, например, светодиоды с
одинаковой группой по световому потоку на токе 350 мА реально обеспечивают
разный световой поток. Светодиод серии MX-6 обеспечит световой поток
примерно на 14% больше, чем MX-3 на одном и том же рабочем токе,
соответственно и эффективность MX-6 выше. Если принять во внимание еще и
различие в плотности тока через кристаллы светодиодов, эта разница только
увеличится. Практически светодиоды серии MX-3 - это бюджетный вариант
светодиодов серии MX-6 для использования при токах не более 350...400 мА.
Рис.
4. Внешний вид и габаритные размеры светодиодов MX-3, MX-6, MX-3S,
MX-6S
Рассмотренные многокристальные светодиоды серий MX-3 и MX-6 - это
светодиоды с рабочим током от 350 мА и выше, в которых кристаллы соединены
параллельно, опять же осенью, компания CREE запустила в серийное
производство аналогичные светодиоды, но уже с последовательным соединением
кристаллов внутри корпуса и рассчитанных на меньшие токи - MX-3S и MX-6S. |
|
Светодиоды серий MX-3S и MX-6S выпускаются в точно таком же корпусе, как и
рассмотренные выше светодиоды серии MX3 (рис. 4). Стоит отметить
интересную особенность: у MX-6S в корпусе шесть кристаллов, в отличие от
MX-6, в котором, как уже было сказано выше, их пять. Основные параметры
светодиодов приведены в таблице 1.
Таблица 1.
Основные параметры светодиодов MX6S, MX3S
|
Параметры |
MX-6S |
MX3-S |
|
Цвет |
холодный белый |
теплый белый |
холодный белый |
теплый белый |
|
Цветовая температура, К |
8300...4300 |
4300...2600 |
8300...4300 |
4300...2600 |
|
Угол излучения |
120º |
120º |
120º |
120º |
|
Тепловое сопротивление, ºС°/Вт
|
5 |
5 |
11 |
11 |
|
Максимальный ток, мА |
175 |
175 |
150 |
150 |
|
Прямое падение напряжения (тип.), В
(ток 60 мА) |
20 |
20 |
|
|
|
Прямое падение напряжения (тип.), В
(ток 115 мА) |
– |
– |
10,7 |
10,7 |
|
Световой поток, лм |
100...130 |
80,6...114 |
87,4...114 |
67,2...100 |
Ввиду того, что данные серии светодиодов имеют относительно небольшое
значение тока (от 60 до 175 мА), то могут возникнуть точно такие же
проблемы с выбором готового модульного источника питания, как и у
рассмотренных выше светодиодов серии ML-E. Варианты, которые были
предложены ранее, действительны и в данном случае. Учитывая тот факт, что
кристаллы внутри корпуса соединены последовательно, и светодиоды обладают
повышенным прямым падением напряжения (тип. 10,7 В; 20 В), то для питания
также становится возможным использование стандартного источника
постоянного напряжения, а ограничить ток в цепи светодиода поможет гасящий
резистор. В этом случае для MX-3S потребуется стабилизированное напряжение
12 В, а для MX-6S - 24 В. Источники питания на такие выходные напряжения
очень широко распространены и обладают невысокой стоимостью. Потери
энергии на гасящем резисторе в этом случае составят 10...18%, что вполне
приемлемо. Конечно, такая схема питания не обеспечит необходимой
температурной стабильности, но если эти светодиоды применять там, где
изменение температуры невелико, например, для подсветки витрин,
закарнизной подсветки и т.п., то эта схема вполне работоспособна, причем
будет иметь минимальную стоимость. Кроме того, в этом случае очень удобным
становится подключение светодиодов в какую-либо длинную цепь, например для
подсветки протяженного участка. Светодиодные модули с установленным
гасящим резистором в этом варианте просто подключаются параллельно друг к
другу.
Если произвести расчет изменения тока для светодиода MX-3S в диапазоне
окружающей среды от -25 до 50°С, задав ток через светодиод 120 мА при
температуре окружающей среды 25°С и температуре кристалла 80°С, то
изменение тока получится в диапазоне от 85 до 145 мА (-30%/+20%).
Для
повышения температурной стабильности вместо резистора можно применить,
например, термозависимый элемент с положительным температурным
коэффициентом сопротивления (позистор). |
|
Увеличение светового потока, увеличение эффективности - это путь повышения
количественных показателей света светодиода, но есть еще и качественные
показатели, о которых также не следует забывать.
Высокое значение светового потока является необходимым, но отнюдь не
достаточным, условием хорошего светодиода. К основным качественным
характеристикам источника света можно отнести индекс цветопередачи (Rа) и
цветовую температуру, которые определяются спектральным составом
излучения.
Индекс цветопередачи отражает качество воспроизведения цветовых оттенков
освещаемых объектов. Чем больше значение Ra (max = 100), тем естественнее
будут выглядеть цвета в свете данного источника света. Самая хорошая
цветопередача у ламп накаливания и галогенных ламп (Ra = 100). Широко
распространенные люминесцентные лампы имеют индекс цветопередачи 60...98.
Цветовая температура, измеряемая в градусах Кельвина, говорит о цветовом
оттенке белого источника света, которая может варьироваться от теплого
белого (менее 3500К) до холодного белого (более 5300К). Диапазон цветовой
температуры от 3500 до 5300К считается нейтральным. Цветность источника
света оказывает определенное психофизиологическое воздействие на человека.
Так, теплый свет создает спокойную расслабляющую атмосферу и в основном
используется для освещения в квартирах. Холодный свет оказывает
стимулирующее воздействие, его применение оправдано, например в магазинах.
Галогенные источники света дают только теплый свет. Наибольшее количество
вариантов цветовой температуры имеют люминесцентные лампы - от 2700 до
6500К.
Необходимый спектральный состав источников света для освещения жилых и
общественных зданий в зависимости от требований к цветоразличению приведен
в СНиП 23-05-95.
До
настоящего времени все светодиоды, выпускаемые компанией CREE, не имели
четкой сортировки по индексу цветопередачи, был оговорен только диапазон:
70...80 в оттенках нейтрального и холодного белого цвета и 80...85 в
оттенках теплого белого цвета. Сейчас этот недостаток устранен и, кроме
того, приподнято верхнее значение индекса Ra.
Для
освещения помещений, где нормируется индекс цветопередачи, теперь возможно
заказывать светодиоды с требуемыми параметрами. Изменения произошли с
наиболее популярными сериями светодиодов: XP-E, XP-G, MX-6 и MC-E.
Информация об индексе цветопередачи уже заложена в ордер-коде
(Kit-Number), по которому и происходит заказ светодиодов. В таблице 2
приведено обозначение кода для заказа с нормируемым параметром Ra на
примере светодиодов семейства XP.
Таблица 2.
Коды для заказа светодиодов семейства XP
|
XPxWHT –
L1
– xxxx – xxxxx |
Ra – не нормируется
|
|
XPxWHT –
H1
– xxxx – xxxxx |
Ra = 80 |
|
XPxWHT –
P1
– xxxx – xxxxx |
Ra = 85 |
|
XPxWHT –
U1
– xxxx – xxxxx |
Ra = 90 |
|
|
|
|
Поставляемые компоненты










|