КОСМОДРОМ - Электронные компоненты для разработки и производства - Харьков - Украина
|
Уважаемые покупатели. Обратите внимание на наш график работы - 13 апреля 2026 года - выходной день. Далее работаем по графику. |
|
 |
| |
|
|
|
|
|
|
|
|
|
|
|
|
|
|
Компания
Cree – мировой лидер в производстве высокоэффективных
кристаллов светодиодов. Светодиоды Edison Edixeon KLC8 представляют
собой серию светодиодов повышенной мощности, выпускаемых в стандартных
для осветительных светодиодов корпусах диаметром 8 мм. Светодиоды этой
серии способны работать при токе питания 350 или 700 мА (в зависимости
от модели), обеспечивая световой поток до 160 лм (при потребляемой
мощности 3 Вт). |
 |
|
 |
Основные
достоинства кристаллов Cree: электрические соединения одним
проводником, низкое прямое напряжение, сверхнизкая концентрация
дефектов кристалла, низкое тепловыделение, высокая устойчивость к
электростатическим напряжениям, высокая надежность.
|
|
Общие характеристики:
Максимальный прямой ток: 700 мА;
Прямое
напряжение: макс. 16 В;
Обратное
напряжение: макс. 5 В;
Температура перехода: макс. 140°;
Диапазон
рабочих температур: -30…110°C;
Температура хранения: -40…120°C; |
Светодиоды серии KLC8
пригодны для пайки методом оплавления припоя.
Для поддержания оптимальной температуры p-n-перехода рекомендуется
использовать схемы регулировки тока питания.
Светодиоды на предназначены для работы при токе питания
изменяющейся полярности. |
|

загрузить
описание и характеристики светодиодов Edison KLC8 Emitter (формат PDF,
388кб); |
|
Характеристики отдельных моделей:
|
Модель |
ДН |
Цвет |
Длина
волны*, нм |
Номинальный
ток, мА |
Световой поток,
лм,
или мощн. изл.* |
|
Emitter |
Star |
|
EDEW-KLC8-B1 |
EDSW-KLC8-B1 |
По Ламберту |
Белый |
6000 K** |
350 |
85 |
|
EDEX-KLC8-A1 |
EDSX-KLC8-A1 |
Теплый белый |
3200** |
350 |
70 |
|
EDEB-KLC8-01 |
EDSB-KLC8-01 |
Синий |
460-475 |
350 |
36 |
|
EDED-KLC8-01 |
EDSD-KLC8-01 |
Dental blue |
450-460 |
350 |
280 мВт |
|
EDEC-KLC8-01 |
EDSC-KLC8-01 |
Темно-синий |
440-450 |
350 |
280 мВт |
 |
|
EDEW-KLC8-B3 |
EDSW-KLC8-B3 |
По Ламберту |
Белый |
6000 K** |
700 |
160 |
|
EDEX-KLC8-A3 |
EDSX-KLC8-A3 |
Теплый белый |
3200 K** |
700 |
130 |
|
EDEB-KLC8-03 |
EDSB-KLC8-03 |
Синий |
460-475 |
700 |
47 |
|
EDED-KLC8-03 |
EDSD-KLC8-03 |
Dental blue |
450-460 |
700 |
520 мВт |
|
EDEC-KLC8-03 |
EDSC-KLC8-03 |
Темно-синий |
440-450 |
700 |
520 мВт |
* — преобладающие
значения;
** — цветовая
температура;
*** — последняя
цифра обозначения модели может изменяться в
зависимости от модификации светодиода;
При увеличении тока
питания до 1000 мА возможно увеличение светового
потока или мощности излучения приблизительно на
30%. При работе в этом режиме температура
полупроводникового перехода не должна превышать
85°C. Возможность использования светодиодов при
повышенном токе питания следует проверить для
каждого конкретного случая.
|
|
|
|
|
Обратите
внимание:
-
металлическая теплопроводящая площадка в нижней части светодиода не
является электрически нейтральной, следует обеспечить электрическую
изоляцию светодиодов от общего радиатора и других проводящих
конструкций;
- для питания
светодиодов рекомендуется использовать стабилизированные источники
тока;
- из-за
активного выделения тепла, для обеспечения оптимального режима работы
светодиода необходимо использовать радиатор. |
|
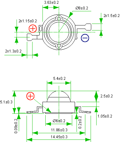
Чертежи
|

исполнение Emitter, диаграмма направленности по
Ламберту; |

исполнение Star, диаграмма направленности по
Ламберту; |
|
| |
|
|
|
|
|
|
|
|
|
|
|
|
|
|
|
|
|
|
|
|
| |
|
|
|
|
|
|
|
|
|
|
|
|
|
|
|
|
|
|
|
|
|
|
Поставляемые компоненты










|
^ Наверх DIV >
радиошоп, radioshop, радио, радиодетали, микросхемы, интернет, завод,
комплектующие, компоненты, микросхемы жки индикаторы светодиоды семисегментные датчики влажности преобразователи
источники питания тиристор симистор драйвер транзистор, диод, книга, приложение,
аудио, видео, аппаратура, ремонт, антенны, почта, заказ, магазин,
интернет - магазин, товары-почтой, почтовые услуги, товары, почтой, товары
почтой, каталог, магазин, Internet shop, база данных, инструменты, компоненты,
украина, харьков, фирма Космодром kosmodrom поставщики электронных компонентов дюралайт edison opto светодиодное освещение Интернет-магазин радиодеталей г.Харьков CREE ATMEL ANALOG DEVICES АЦП ЦАП