|
КОСМОДРОМ - Электронные компоненты для разработки и производства - Харьков - Украина
|
Уважаемые покупатели. Обратите внимание на наш график работы - 13 апреля 2026 года - выходной день. Далее работаем по графику. |
|
 |
| |
|
|
|
|
полный перечень
продукции HAHN
на складе
Hahn Elektrobau GmbH
Трансформаторы
для печатного монтажа
BV 20
EI 30
EI 38
EI 42
EI 48
EI 54
EI 60
EI 66
Плоские трансформаторы
для печатного монтажа
UI 21
UI 30
UI 39
UI 48
|
Трансформаторы для
печатного монтажа серии
EI 54
|
Трансформаторы для
печатного монтажа серии EI54
|
- Мощность -
до 22.0 ВА
- Отсутствует
защита от короткого замыкания у моделей с температурным
классом 70°C/B
- Стандартные
модели имеют корпус типа "KK"
-
Обязательное тестирование всех моделей на соответствие
стандартам ENEC 10- и VDE-. Факт тестирования подтверждается
соответствующей маркировкой на корпусе трансформатора.
-
Стабильность параметров при температурных изменениях
- Высокий
уровень безопасности и долгий срок службы
-
Устойчивость первичной обмотки к броскам напряжения
- Негорючий
материал корпуса и заливного компаунда
|
|
*Только для типа "0"
|
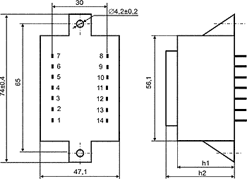
Габаритный чертеж,
мм
|
|
Вид со стороны
выводов
|
Установочные
размеры (± 0,3 мм)
|
|
|
|
|
Тип "KK" - корпус
с четырьмя фланцами для крепления
|
|
|
|
Тип
|
Мощность
(Температурный класс ta
70°C/B)
|
h1, мм
|
h2, мм
|
Масса, кг
|
Упаковка, штук
|
|
BV EI 540...
|
12 VA
|
около 27.0*
|
около 33.7*
|
0.350
|
24
|
|
BV EI 541...
|
16 ВА
|
32.0 ± 0.5
|
38.8 ± 0.5
|
0.400
|
24
|
|
BV EI 542...
|
20 ВА
|
36.5 ± 0.5
|
43.2 ± 0.5
|
0.500
|
24
|
|
BV EI 543...
|
22 ВА
|
39.5 ± 0.5
|
47.4 ± 0.5
|
0.550
|
24
|
|
Заказные версии
трансформаторов серии EI54
|
|
|
|
|
|
|
|
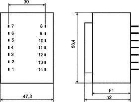
Тип "0" - корпус без
фланцев и отверстий для крепления
|
Тип "K" - корпус c
двумя фланцами для крепления
|
|
|
|
|
Тип "W" - корпус для
вертикального закрепления трансформатора
|
Тип "0" - корпус с
отверстиями для крепления
|
|
Трансформаторы серии
EI54 по условиям заказчика
Возможно изготовление
трансформаторов со встроенными элементами (термопредохранитель или
термистор PTC), иным размещением креплений и выводов, а также
трансформаторов без герметизации (для уменьшения стоимости и
габаритов).
Размеры на чертежах:
- погрешность ± 0,3
мм
- Выводы: 1.1 x
0.5 мм
|
|
|
Наименование
|
Мощность, ВА
|
Напряжение первичной обмотки, В
|
Выводы первичной обмотки
|
Напряжение вторичной обмотки, В
|
Ток вторичной обмотки, мА
|
Выводы вторичной обмотки
|
Напряжение вторичной обмотки
(х.х.), В
|
|
BV EI 540 1137
|
12
|
1x230
|
1-7
|
1x6
|
2000
|
9-13
|
1x8.1
|
|
BV EI 540 1138
|
12
|
1x230
|
1-7
|
2x6
|
1000
|
8-9/13-14
|
2x8.1
|
|
BV EI 540 1139
|
12
|
1x230
|
1-7
|
1x7.5
|
1600
|
9-13
|
1x9.9
|
|
BV EI 540 1140
|
12
|
1x230
|
1-7
|
2x7.5
|
800
|
8-9/13-14
|
2x9.9
|
|
BV EI 540 1141
|
12
|
1x230
|
1-7
|
1x9
|
1333
|
9-13
|
1x12.2
|
|
BV EI 540 1142
|
12
|
1x230
|
1-7
|
2x9
|
667
|
8-9/13-14
|
2x12.2
|
|
BV EI 540 1143
|
12
|
1x230
|
1-7
|
1x12
|
1000
|
9-13
|
1x15.8
|
|
BV EI 540 1144
|
12
|
1x230
|
1-7
|
2x12
|
500
|
8-9/13-14
|
2x15.8
|
|
BV EI 540 1145
|
12
|
1x230
|
1-7
|
1x15
|
800
|
9-13
|
1x19.4
|
|
BV EI 540 1146
|
12
|
1x230
|
1-7
|
2x15
|
400
|
8-9/13-14
|
2x19.4
|
|
BV EI 540 1147
|
12
|
1x230
|
1-7
|
1x18
|
667
|
9-13
|
1x23.5
|
|
BV EI 540 1148
|
12
|
1x230
|
1-7
|
2x18
|
334
|
8-9/13-14
|
2x23.5
|
|
BV EI 540 1149
|
12
|
1x230
|
1-7
|
1x24
|
500
|
9-13
|
1x30.6
|
|
BV EI 541 1110
|
16
|
1x230
|
1-7
|
1x24
|
667
|
9-13
|
1x29.1
|
|
BV EI 541 1121
|
16
|
1x230
|
1-7
|
1x6
|
2667
|
9-13
|
1x7.9
|
|
BV EI 541 1122
|
16
|
1x230
|
1-7
|
1x7.5
|
2134
|
9-13
|
1x9.7
|
|
BV EI 541 1123
|
16
|
1x230
|
1-7
|
1x9
|
1778
|
9-13
|
1x11.7
|
|
BV EI 541 1124
|
16
|
1x230
|
1-7
|
1x12
|
1333
|
9-13
|
1x15.2
|
|
BV EI 541 1125
|
16
|
1x230
|
1-7
|
1x15
|
1067
|
9-13
|
1x19.1
|
|
BV EI 541 1126
|
16
|
1x230
|
1-7
|
1x18
|
889
|
9-13
|
1x22.3
|
|
BV EI 541 1128
|
16
|
1x230
|
1-7
|
2x6
|
1334
|
8-9/13-14
|
2x7.9
|
|
BV EI 541 1129
|
16
|
1x230
|
1-7
|
2x7.5
|
1067
|
8-9/13-14
|
2x9.7
|
|
BV EI 541 1130
|
16
|
1x230
|
1-7
|
2x9
|
889
|
8-9/13-14
|
2x11.7
|
|
BV EI 541 1131
|
16
|
1x230
|
1-7
|
2x12
|
667
|
8-9/13-14
|
2x15.2
|
|
BV EI 541 1132
|
16
|
1x230
|
1-7
|
2x15
|
534
|
8-9/13-14
|
2x19.1
|
|
BV EI 541 1150
|
16
|
1x230
|
1-7
|
2x18
|
445
|
8-9/13-14
|
2x22.3
|
|
BV EI 542 1151
|
20
|
1x230
|
1-7
|
1x6
|
3334
|
9-13
|
1x7.7
|
|
BV EI 542 1152
|
20
|
1x230
|
1-7
|
2x6
|
1667
|
8-9/13-14
|
2x7.7
|
|
BV EI 542 1153
|
20
|
1x230
|
1-7
|
1x7.5
|
2667
|
9-13
|
1x9.5
|
|
BV EI 542 1154
|
20
|
1x230
|
1-7
|
2x7.5
|
1334
|
8-9/13-14
|
2x9.5
|
|
BV EI 542 1155
|
20
|
1x230
|
1-7
|
1x9
|
2223
|
9-13
|
1x11.4
|
|
BV EI 542 1156
|
20
|
1x230
|
1-7
|
2x9
|
1112
|
8-9/13-14
|
2x11.4
|
|
BV EI 542 1157
|
20
|
1x230
|
1-7
|
1x12
|
1667
|
9-13
|
1x15
|
|
BV EI 542 1158
|
20
|
1x230
|
1-7
|
2x12
|
834
|
8-9/13-14
|
2x15
|
|
BV EI 542 1159
|
20
|
1x230
|
1-7
|
1x15
|
1334
|
9-13
|
1x18.6
|
|
BV EI 542 1160
|
20
|
1x230
|
1-7
|
2x15
|
667
|
8-9/13-14
|
2x18.6
|
|
BV EI 542 1161
|
20
|
1x230
|
1-7
|
1x18
|
1112
|
9-13
|
1x21.8
|
|
BV EI 542 1162
|
20
|
1x230
|
1-7
|
2x18
|
556
|
8-9/13-14
|
2x21.8
|
|
BV EI 542 1163
|
20
|
1x230
|
1-7
|
1x24
|
834
|
9-13
|
1x29.5
|
|
BV EI 543 1166
|
22
|
1x230
|
1-7
|
1x6
|
3667
|
9-13
|
1x7.4
|
|
BV EI 543 1167
|
22
|
1x230
|
1-7
|
2x6
|
1834
|
8-9/13-14
|
2x7.4
|
|
BV EI 543 1168
|
22
|
1x230
|
1-7
|
1x7.5
|
2934
|
9-13
|
1x8.9
|
|
BV EI 543 1169
|
22
|
1x230
|
1-7
|
2x7.5
|
1467
|
8-9/13-14
|
2x8.9
|
|
BV EI 543 1170
|
22
|
1x230
|
1-7
|
1x9
|
2445
|
9-13
|
1x10.7
|
|
BV EI 543 1171
|
22
|
1x230
|
1-7
|
2x9
|
1223
|
8-9/13-14
|
2x10.7
|
|
BV EI 543 1172
|
22
|
1x230
|
1-7
|
1x12
|
1834
|
9-13
|
1x14.5
|
|
BV EI 543 1173
|
22
|
1x230
|
1-7
|
2x12
|
917
|
8-9/13-14
|
2x14.5
|
|
BV EI 543 1174
|
22
|
1x230
|
1-7
|
1x15
|
1467
|
9-13
|
1x17.9
|
|
BV EI 543 1175
|
22
|
1x230
|
1-7
|
2x15
|
734
|
8-9/13-14
|
2x17.9
|
|
BV EI 543 1176
|
22
|
1x230
|
1-7
|
1x18
|
1223
|
9-13
|
1x21
|
|
BV EI 543 1177
|
22
|
1x230
|
1-7
|
2x18
|
612
|
8-9/13-14
|
2x21
|
|
BV EI 543 1178
|
22
|
1x230
|
1-7
|
1x24
|
917
|
9-13
|
1x28
|
|
|
|
| |
|
|
|
|
Поставляемые компоненты










|
^ Наверх DIV >
радиошоп, radioshop, радио, радиодетали, микросхемы, интернет, завод,
комплектующие, компоненты, микросхемы жки индикаторы светодиоды семисегментные датчики влажности преобразователи
источники питания тиристор симистор драйвер транзистор, диод, книга, приложение,
аудио, видео, аппаратура, ремонт, антенны, почта, заказ, магазин,
интернет - магазин, товары-почтой, почтовые услуги, товары, почтой, товары
почтой, каталог, магазин, Internet shop, база данных, инструменты, компоненты,
украина, харьков, фирма Космодром kosmodrom поставщики электронных компонентов дюралайт edison opto светодиодное освещение Интернет-магазин радиодеталей г.Харьков CREE ATMEL ANALOG DEVICES АЦП ЦАП