|

Кремниевые терморезисторы Philips Semiconductors зарекомендовали себя как
надежные и недорогие приборы, имеющие относительно невысокую погрешность
преобразования. Термодатчики Philips Semiconductors отличают близкая к
линейной характеристика преобразования и значительная долговременная
стабильность параметров. Диапазон измеряемых температур -55 … +300 С.
Производственная линейка терморезисторов Philips Semiconductors включает несколько семейств, члены которых
различаются по конструктивным признакам и электрическим характеристикам.
|
Наимен. |
типовой
дрейф, C |
максимальный
дрейф, C |
|
KTY81-1 |
0,2 |
0,5 |
|
KTY82-1 |
|
KTY81-2 |
0,8 |
|
KTY82-2 |
|
KTY83 |
0,15 |
0,4 |
Терморезисторы производятся по уникальной
технологии “разветвляющихся сопротивлений” и выпускаются в стандартных
корпусах (SOT-23, SOT-70 и DO-34).
Чувствительный элемент представляет собой
кристалл кремния n-типа размерами 500х500х240 мкм. На поверхности пластины
имеется слой SiO2, в котором вскрыто отверстие диаметром 20
мкм, через него формируется n+ область посредством ввода легирующей
примеси. Сверху сформирована круглая металлическая контактная площадка,
нижняя поверхность структуры металлизирована.
|

Рисунок1. Характеристика преобразования
на примере серии KTY81/1xx |
Такая конструкция позволяет получить
конусообразное распределение тока внутри кристалла (технология
«разветвляющихся сопротивлений»). Главное преимущество заключается в
значительном снижении зависимости величины сопротивления сенсора от
погрешностей при производстве. Сопротивление определяется площадью
металлизированного отверстия, что позволяет избавиться от зависимости
геометрии кремниевой подложки. Диффундированная n+ область позволяет
минимизировать влияние барьерных эффектов контакта металл-полупроводник.
Благодаря этой технологии изготовления приборы обладают, по сравнению с
сенсорами на базе NTC или PTC технологий, следующими преимуществами:
- Долговременная стабильность параметров. В
таблице приведен дрейф сопротивления в пересчете на °С для различных серий
температурных датчиков Philips Semiconductors. Эти данные справедливы для
10000 часов (>1 года) непрерывной работы при максимально допустимых
рабочем токе и окружающей температуре. Справедливость данных, приведенных
в таблице, гарантирована инженерами Philips и при 450000 часах (>50лет)
непрерывного функционирования, при условии соблюдения нормального режима
работы.
|
Термодатчики Philips Semiconductors имеют
близкую к линейной характеристику преобразования “температура ->
сопротивление” (см. рис.1). Это подразумевает, что температурный
коэффициент близок к константе во всем диапазоне измерения. Датчики с
такой характеристикой идеально подходят для температурной компенсации
самых разнообразных полупроводниковых приборов, датчиков, АЦП и других
узлов аналоговой измерительной аппаратуры.
Несмотря на то, что характеристика
преобразования близка к линейной, она, все же, не позволяет применять эти
датчики для точного измерения температуры. Для этих целей ее необходимо
подвергнуть дополнительной линеаризации. Существует множество
схемотехнических решений, а также различные методы программной
корректировки. Некоторые из самых простых и эффективных схемотехнических
решений представлены на рисунках ниже.
 |
 |
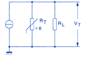
| Линеаризация характеристики с помощью фиксированного резистора RL,
включенного параллельно, питание от источника тока. |
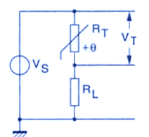
Линеаризация с помощью фиксированного резистора RL, включенного
последовательно, питание от источника напряжения. |
В технической документации по применению термодатчиков производства
Philips Semiconductors можно ознакомиться с различными методами
линеаризации характеристики и найти подробную методику расчета значения
сопротивления резистора RL.
Основные технические характеристики
|
Наименование |
Диап. измер. темп-р, |
R min при Т=25ºС, Ом |
R max при Т=25ºС, Ом |
точность при Т=25ºС, ±ºС |
I max,
при Т=25/
150ºС, мА |
Время отклика, с |
Внешний вид |
|
KTY81/110 |
-55…+150ºС |
990 |
1010 |
1,27 |
10/2 |
5 в воде, 30 в возд |

TO-92-2 |
|
KTY81/120 |
980 |
1020 |
2,54 |
|
KTY81/121 |
980 |
1000 |
1,27 |
|
KTY81/122 |
1000 |
1020 |
1,27 |
|
KTY81/150 |
950 |
1050 |
6,35 |
|
KTY81/210 |
1980 |
2020 |
1,27 |
|
KTY81/220 |
1960 |
2040 |
2,54 |
|
KTY81/221 |
1960 |
2000 |
1,27 |
|
KTY81/222 |
2000 |
2040 |
1,27 |
|
KTY81/250 |
1900 |
2100 |
6,35 |
|
KTY82/110 |
-55…150ºС |
990 |
1010 |
1,27 |
10/2 |
1 в воде, 7 в возд. |

SOT-23 |
|
KTY82/120 |
980 |
1020 |
2,54 |
|
KTY82/121 |
980 |
1000 |
1,27 |
|
KTY82/122 |
1000 |
1020 |
1,27 |
|
KTY82/150 |
950 |
1050 |
6,35 |
|
KTY82/151 |
950 |
1000 |
3,18 |
|
KTY82/210 |
1980 |
2020 |
1,27 |
|
KTY82/220 |
1960 |
2040 |
2,54 |
|
KTY82/221 |
1960 |
2000 |
1,27 |
|
KTY82/222 |
2000 |
2040 |
1,27 |
|
KTY82/250 |
1900 |
2100 |
6,35 |
|
KTY82/252 |
1900 |
2000 |
3,18 |
|
KTY83/110 |
-55…+175ºС |
990 |
1010 |
1,27 |
10/2 |
1 в воде, 20 в возд. |

SOD-68 |
|
KTY83/120 |
980 |
1020 |
2,62 |
|
KTY83/121 |
980 |
1000 |
1,31 |
|
KTY83/122 |
1000 |
1020 |
1,31 |
|
KTY83/150 |
950 |
1050 |
6,65 |
|
KTY83/151 |
950 |
1000 |
3,27 |
|
KTY84/130 |
-40…+300ºС |
577 |
629 |
5,84 |
10/2 |
1 в воде, 20 в возд. |
|
KTY84/150 |
565 |
641 |
8,54 |
|
KTY84/151 |
565 |
611 |
5,2 |
Наличие на складе и цены
[
KTY Series
]
|