|
Отличительные особенности:
нагрузочная способность на канал: ±2,5А;

выходное
напряжение: до 35В;
диапазон
напряжений питания управляющей логики: 3...5,5В;
низкое
сопротивление транзисторов моста в открытом состоянии: 0,36/0,45Ом (верхний/нижний
транзистор моста);
режимы
спадания тока: быстрый, медленный, смешанный;
выходной
сигнал «начальная позиция» (Home Output);
защита от
переходного тока;
температурный диапазон: -20°...85°C;
тип
корпуса: PLCC-44, TSSOP-28.
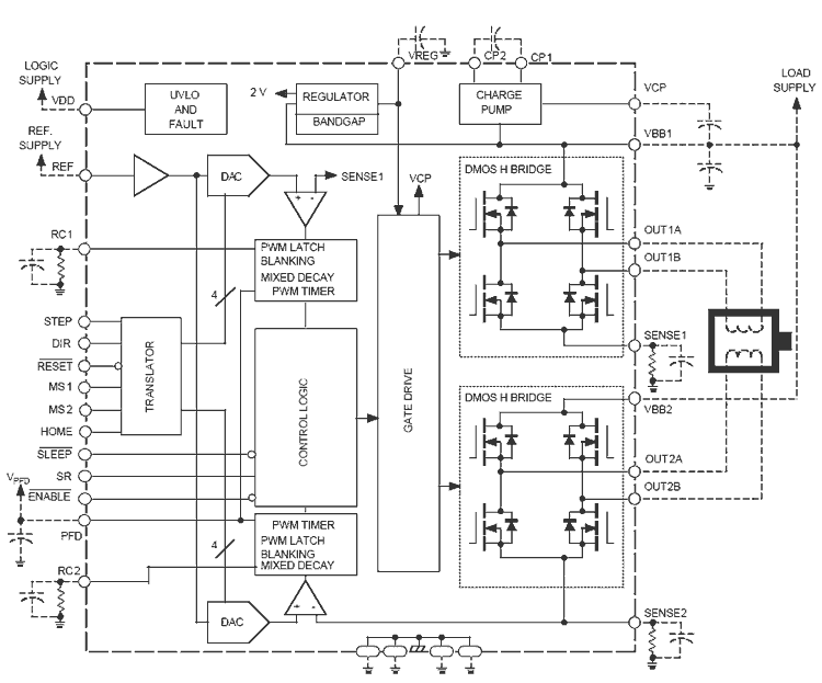
Функциональная схема A3977 приведена
здесь.
Области применения:
технологическое оборудование, бытовая электроника, автомобильная
электроника, компьютерная периферия, медицинская техника.
|