Таблица 1. Линейные драйверы мощных
светодиодов (Linear HB LED drivers)
|
Наименование |
Области применения |
Uвх, В |
Iвых.макс., А |
ШИМ-димминг (PWM-Dimming) |
Корпус |
||
|---|---|---|---|---|---|---|---|
|
Автомобильные приложения |
Общее |
Подсветка |
|||||
|
купить |
|||||||
|
Да |
Да |
|
6,5...40 |
0,35 |
1:30 |
16-TQFN |
|
|
Да |
Да |
|
6,5...40 |
0,35 |
1:200 |
16-TQFN |
|
|
Да |
Да |
|
5,5...40 |
0,35 |
1:200 |
20-TQFN |
|
|
Да |
Да |
|
6,5...40 |
0,1 |
1:100 |
6-TDFN |
|
|
Да |
Да |
|
5,5...40 |
0,1/канал |
1:200 |
16-TQFN; 16-TSSOP |
|
|
Да |
Да |
Да |
6,5...28 |
0,15/канал |
1:5000 |
16-TSSOP |
|
|
Да |
Да |
Да |
6,5...28 |
0,15/канал |
1:5000 |
16-TSSOP |
|
|
Да |
Да |
|
6,5...40 |
0,2 |
1:100 |
6-TDFN |
|
|
Да |
Да |
|
6,5...40 |
0,35 |
1:80 |
16-TQFN |
|
|
Да |
Да |
|
6,5...40 |
0,35 |
1:80 |
16-TQFN |
|
|
Да |
Да |
|
5...40 |
0,1 |
1:200 |
6-TDFN; 8-SO |
|
Большинство из них имеют диапазон входных напряжений 6,5...40 В. Максимальные значения выходных токов составляют 0,1...0,35 А. Каждая микросхема из таблицы 1 допускает импульсное регулирование выходного тока (ШИМ-димминг). Управлять яркостью светодиодов можно с помощью регулировки скважности импульсов, формируемых таймером ICM7555. Рекомендуемая для этого производителем схема приведена на рис. 4. Параметры внешних компонентов для ШИМ-последовательности импульсов, формируемой таймером, приведены в соответствующей документации для ICM7555.
Рис. 4. Управление яркостью светодиодов с помощью таймера ICM7555
На рис.5 приведена рекомендуемая производителем схема для защиты мощных светодиодов от перегрева с помощью термистора NTC. Ток ограничения через светодиоды рассчитывается по формуле: ILED = [VSENSE - [R2/(R2+ R1)] V5]/R1, где V5- выходное напряжение 5В от встроенного стабилизатора напряжения. Такая несложная доработка схемы позволит исключить возможность выхода из строя дорогих светодиодов из-за недопустимо высокой температуры корпуса, ведь даже небольшое превышение максимально допустимой температуры резко сокращает их срок службы.
Рис. 5. Защита светодиодов от перегрева с помощью термистора
На рис. 6 показан способ увеличения выходного тока драйвера с помощью внешнего биполярного транзистора. Следует отметить, что в этом случае светодиоды подключаются между входом источника питания и коллектором биполярного транзистора, а это не всегда удобно.
Рис. 6. Увеличение тока драйвера с помощью внешнего биполярного транзистора
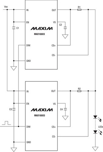
Схема для увеличения выходного тока, показанная на рис. 7, свободна от этого недостатка. Катод нижнего по схеме светодиода подключается непосредственно к общему проводу, что в большинстве случаев гораздо предпочтительнее предыдущего варианта, показанного на рис. 6, когда на катоде нижнего светодиода всегда присутствует ненулевой потенциал. Большинство микросхем линейных драйверов из таблицы 1 допускают рассмотренные варианты увеличения выходного тока. В качестве примера на рисунках 6 и 7 приведена микросхема MAX16803.
Рис. 7. Параллельное включение двух драйверов для увеличения выходного тока













