|
QT220 и
QT240 — многоканальные сенсорные QT-датчики прикосновения
Скачать PDF
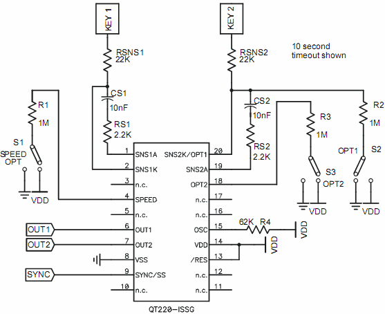
QT220
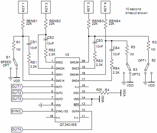
QT240
Компания Quantum
Research Group предлагает QT220 и QT240 – двух- и четырёхканальные
сенсорные QT-датчики близости и прикосновения на основе её революционной
технологии переноса заряда QTouch. Такая технология позволяет образовывать
независимые пространственные области чувствительности через любые
диэлектрики, такие как стекло, пластик, камень, керамика и дерево. Каждый
из каналов датчика действует независимо от других и может быть настроен на
собственный уровень чувствительности простым изменением емкости
образцового конденсатора.
QT-датчиками QT220 и
QT240 поддерживаются два скоростных режима работы. В экономичном режиме
ток потребления не превышает 90uA при напряжении питания 4V. Уникальным
среди ёмкостных датчиков является возможность использования режима
расширения спектра для повышения электромагнитной совместимости. В
противном случае, режим синхронизации SYNC с остальными частями схемы
способен избежать возможных взаимных помех.

RISC-ядро этих
QT-датчиков использует патентованную Quantum технологию сигнальной
обработки, учитывающей особенности старения компонентов, поведения
жидкостных плёнок и дрейф сигналов.
два (QT220) и
четыре (QT240) независимых сенсорных QT-канала
индивидуальные выходы на каждый канал с высоким активным уровнем
образование
областей чувствительности через любой диэлектрик
подстройка
чувствительности в каждом канале
полностью
автоматическая калибровка
напряжение
питания: 3.9V…5.5V
периоды
автокалибровки: 10s, 60s, бесконечно
возможность
синхронизации для подавления шумов
режим
расширения спектра
QT-датчики
выпускаются в корпусах SSOP-20 (QT220-ISSG и QT240-ISSG) для
температурного диапазона −40°C…+85°C.
QT220

QT240

|