|
НАБОРЫ НА СКЛАДЕ

|
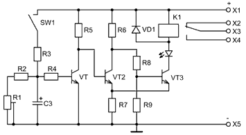
NK102 *
Таймер 0…10 минут
Таймер предназначен для включения на заранее заданное время различных устройств. Таймер можно использовать для управления освещением в помещении, в фотолабораториях, детских игрушках и т.п. Включение таймера производится кнопкой SW1, которую можно сделать выносной, например, на корпус таймера. В комплект набора входит корпус. Размеры корпуса 48х43х22 мм. Размеры печатной платы 41х35 мм.
Технические характеристики:
напряжение питания устройства, В 12;
максимальный коммутируемый ток, А 6.

MK113
Таймер 0…10 минут
Данный модуль предназначен для включения на заранее заданное время различных устройств. Таймер можно использовать для управления освещением в помещении, в фотолабораториях, детских игрушках и т.п. С помощью переменного резистора устанавливается требуемое время задержки включения или выключения таймера. Также по цепи питания рекомендуется установить предохранитель с номиналом 0,5 А (резистор и предохранитель в комплект набора не входят). Размеры модуля 120х50х22 мм. Модуль не требует сборки.
Технические характеристики:
напряжение питания, В 12;
ток потребления, мА 20 (реле выкл.);
ток потребления, мА 80 (реле вкл.);
время задержки, мин 0…10;
коммутируемая нагрузка, А 3 (при 220 В).
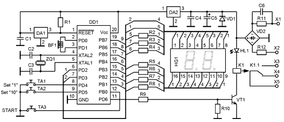
NM4021 **
Tаймер 1...99 минут на микроконтроллере
Предлагаемый набор позволит радиолюбителю собрать простой и надежный таймер, позволяющий включить/выключить какой-либо электроприбор на заданный интервал времени (1…99 минут). По истечении установленного времени таймер автоматически выключит/включит электроприбор и издаст прерывистый звуковой сигнал. Такой прибор может иметь широкое применение в быту, в кулинарии, в радиолюбительской практике, в фотолаборатории и т. д. В комплект набора входит корпус BOX-G027. Размеры корпуса 72х50х35 мм. Размеры печатной платы 45х67 мм.
Технические характеристики:
напряжение питания, В 220;
максимальная мощность
подключаемого электроприбора, Вт 600;
максимальный ток нагрузки, А 5;
диапазон устанавливаемого времени, мин 1...99;
длительность звукового сигнала, сек 5.

NM4023 **
Tаймер 1...99 секунд на микроконтроллере
Предлагаемый набор позволит радиолюбителю собрать простой и надежный таймер, позволяющий включить/выключить какой-либо электроприбор на заданный интервал времени (1…99 секунд). По истечении установленного времени таймер автоматически выключит/включит электроприбор и издаст прерывистый звуковой сигнал. Такой прибор может иметь широкое применение в быту, в кулинарии, в радиолюбительской практике, в фотолаборатории и т. д. В комплект набора входит корпус BOX-G027. Размеры корпуса 72х50х35 мм. Размеры печатной платы
45х67 мм.
Технические характеристики:
напряжение питания, В 220;
максимальная мощность
подключаемого электроприбора, Вт 600;
максимальный ток нагрузки, А 5;
диапазон устанавливаемого времени, сек 1...99;
длительность звукового сигнала, с 5.

NK082 **
Термо- и фотореле (комбинированный набор)
Подробную информацию смотрите в разделе
"Охранные устройства".
NM1042 **
Терморегулятор с малым уровнем помех
Набор позволяет собрать регулятор температуры, практически не создающий помех. Благодаря этому отпадает необходимость установки громоздких помехоподавляющих цепей. Диапазон регулировки температуры определяется пользователем. Такой регулятор может использоваться для регулирования температуры электронагревательных приборов, водонагревателя теплицы или аквариума. Благодаря малому размеру и весу, регулятор может устанавливаться в разрыв сетевого шнура устройства без дополнительного крепления. Размеры печатной платы 67х45 мм. В комплект набора входит корпус BOX-G025 (72х50х21мм).
Технические характеристики:
напряжение питания, В 220±10%;
ток потребления, мА <4;
максимальная мощность нагревателя, Вт 650;
температурный диапазон, °C 5…35.

NM4022 **
Термореле 0…150 °C
Термореле предназначено для контроля и поддержания температуры. Наличие регулировки порога срабатывания позволяет использовать устройство в качестве терморегулятора для поддержания заданной температуры. Электромагнитное реле дает возможность автоматически коммутировать сильноточные нагревательные приборы. Набор комплектуется терморезистором. Размеры печатной платы: 45х30 мм.
Технические характеристики:
напряжение питания устройства, В 9…12;
ток потребления, не более, мА 120;
температурный диапазон, °C 0…150;
максимально допустимый ток нагрузки, А 10.
.gif)
BM4022
Термореле 0…150 °C
Предлагаемый блок в собранном виде позволяет реализовать принцип: купил - подключил. Является полным аналогом NM4022, но не требует сборки.
NK108 **
Термореле 0…150 °C
Аналог NM4022. Благодаря простоте сборки и наглядности результата, это устройство послужит хорошим учебным пособием. Набор, безусловно, будет интересен и полезен для знакомства с радиоэлектроникой и получения опыта сборки и настройки устройств. Набор комплектуется терморезистором.

NM4016 **
Термореле 20…120 °C
Термореле предназначено для управления различными исполнительными устройствами (электронагреватель, вентилятор и т. д.) и поддержания заданной температуры. Например, поместив термодатчик в бак с водой, термореле будет управлять включением/выключением электронагревательных приборов, тем самым, поддерживая определенную температуру воды. При токе нагрузки более 75 мА в качестве исполнительного устройства необходимо использовать электромагнитное реле (в комплект набора не входит), параметры которого должны соответствовать коммутируемому току нагрузки. Набор комплектуется терморезистором. Размеры печатной платы 30х45 мм.
Технические характеристики:
номинальное напряжение питания, В 6…15;
ток нагрузки, мА 75;
температурный диапазон, °C 20…120.

NS066 **
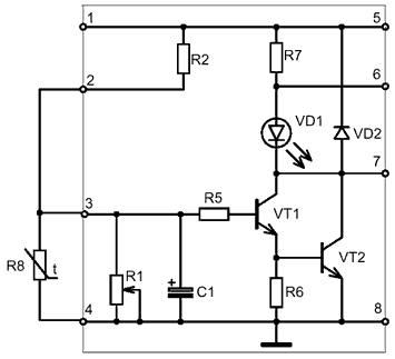
Термореле 20…70 °C
Устройство предназначено для контроля температуры в диапазоне: +20…+70°С. Вы можете использовать термореле для защиты от перегрева различных устройств (защита транзисторов в усилителях мощности), для управления температурой ванн в фотолабораториях, для контроля температуры воды в аквариуме и для других бытовых целей. Набор комплектуется терморезистором. Размеры печатной платы 61х27 мм.
Технические характеристики:
напряжение питания, В 12;
коммутируемая нагрузка, А 2 (при 250 В);
температурный диапазон, °C 20…70.

NK299 *
Устройство защиты от накипи
Прибор предназначен для защиты от образования накипи на внутренних поверхностях трубопроводов стиральных, посудомоечных машин, отопительных систем и т.п. Электромагнитное поле устройства (декальцинатора) поляризует соли и минералы, содержащиеся в воде, и препятствует их осаждение на поверхность трубопроводов. Размеры печатной платы 56х24 мм. Рекомендуемый корпус: BOX-G027.
Технические характеристики:
напряжение питания, В 9…12;
ток потребления, не более, мА 50.

NM1043 **
Устройство плавного включения/выключения ламп накаливания 220 В/150 Вт
Предлагаемый набор позволит собрать простое и надежное устройство плавного включения/выключения ламп накаливания 220 В с максимальной мощностью 150 Вт. Это устройство продлит срок службы лампы и сделает процесс ее включения/выключения более приятным для восприятия. Регулятор обладает минимальным количеством элементов, надежен и прост в сборке. Размеры печатной платы 38x32 мм.
Технические характеристики:
напряжение питания, В 80…270;
максимальный ток нагрузки, А 1,2.
BM1043
Устройство плавного включения/выключения ламп накаливания 220 В/800 Вт
Предлагаемый готовый блок является аналогом набора NM1043.
Технические характеристики
Рабочее напряжение, переменное: 220 В
Способ подключения: в разрыв нагрузки
Время выхода на полную яркость: около 5 с
Мощность ламп накаливания: до 800 Вт
Размеры устройства: 45x13 мм
NK086 *
Фотоприемник
Предельно простая и надежная схема фотоприемника, которую можно легко собрать в течение 15 минут. Собранное устройство можно применить в составе световых барьеров, средствах автоматики, а также детских игрушках. Когда уровень освещенности превышает порог срабатывания, загорается светодиод. Благодаря небольшим размерам печатной платы и наличию светодиода, устройство можно размещать в корпусе выключателя света для обозначения его местоположения в темноте.
При необходимости включения мощных исполнительных устройств по сигналу от фотоприемника, рекомендуется использовать набор NK146 (исполнительный элемент 12 В/3 А). Размеры печатной платы 45х15 мм. Рекомендуемый корпус: BOX-G027.
Технические характеристики:
напряжение питания, В 6…12;
коммутируемая нагрузка (совместно с NK146), А 3.

BM8037 (блок)
Цифровой термометр с красным дисплеем (до 16 датчиков)
Предлагаемый блок в собранном виде позволяет реализовать принцип: купил - подключил.
Блок позволит радиолюбителю получить простой и надежный цифровой термометр с возможностью подключения до 16 датчиков температуры. Устройство будет полезно для применения в быту, дома, на даче, в бане. С его помощью можно производить измерения температуры окружающей среды, контролировать рабочую температуру оборудования, а также морозильников и холодильных установок.
Технические характеристики:
напряжение питания, В 7…12,
ток потребления, мА 150,
диапазон измеряемых температур, °C -55…+125,
точность, °C ±0,5,
количество подключаемых датчиков 16,
размеры печатной платы, мм 78x48.
Комплект поставки:
блок цифрового термометра в сборе: 1,
штекер NP-107 (стерео) 1,
штекер NP-117 1,
датчик температуры DS18B20: 2.
BM8037 BLUE
Цифровой термометр с синим дисплеем (до 16 датчиков) (блок)
Предлагаемый блок в собранном виде позволяет реализовать принцип: купил - подключил. Блок позволит радиолюбителю получить простой и надежный цифровой термометр с возможностью подключения до 16 датчиков температуры. Устройство будет полезно для применения в быту, дома, на даче, в бане. С его помощью можно производить измерения температуры окружающей среды, контролировать рабочую температуру оборудования, а также морозильников и холодильных установок.
Технические характеристики
Напряжение питания: 7…12 В.
Ток потребления: 150 мА.
Диапазон измеряемых температур: -55…+125 град. С.
Точность: ±0,5 С.
Цвет свечения индикаторов: синий.
Количество подключаемых датчиков: 16.
Размеры печатной платы: 78x48 мм.
P5108
Шаговый двигатель
Применение шаговых двигателей:
- исполнительные органы систем автоматизированного управления;
- оргтехника.
Технические характеристики:
напряжение питания устройства, В 10;
ток обмотки, А 0,345;
сопротивление обмотки, Ом 30;
угол шага, градус 15;
количество шагов 24;
количество выводов 4;
размеры оси, мм 5х8;
габаритные размеры, мм Ø57х26.
P5110
Шаговый двигатель
Применение шаговых двигателей:
- исполнительные органы систем автоматизированного управления;
- оргтехника.
Технические характеристики:
напряжение питания устройства, В 7,5;
ток обмотки, А 0,25;
сопротивление обмотки, Ом 30;
угол шага, градус 9;
количество шагов 40;
количество выводов 4;
размеры оси, мм 2х11
габаритные размеры, мм Ø35х23.
P5111
Шаговый двигатель
Применение шаговых двигателей:
- исполнительные органы систем автоматизированного управления;
- оргтехника.
Технические характеристики:
напряжение питания устройства, В 5;
ток обмотки, А 1;
сопротивление обмотки, Ом 5;
угол шага, градус 7,5;
количество выводов 4;
количество шагов 48;
частота рабочих импульсов, Гц 253;
размеры оси, мм 5х11/6;
габаритные размеры, мм Ø65х37.
P5337
Шаговый двигатель
Применение шаговых двигателей:
- исполнительные органы систем автоматизированного управления;
- оргтехника.
Технические характеристики:
напряжение питания устройства, В 5;
ток обмотки, А 0,625;
сопротивление обмотки, Ом 28;
угол шага, градус 15;
количество выводов 4;
количество шагов 24;
частота рабочих импульсов, Гц 600;
размеры оси, мм 2х11;
габаритные размеры, мм Ø35х25.
P5338
Шаговый двигатель
Применение шаговых двигателей:
- исполнительные органы систем автоматизированного управления;
- оргтехника.
Технические характеристики:
напряжение питания устройства, В 5;
ток обмотки, А 0,5;
сопротивление обмотки, Ом 10;
угол шага, градус 7,5;
количество шагов 48;
количество выводов 4;
размеры оси, мм 4х7;
габаритные размеры, мм Ø57х26.
P5341
Шаговый двигатель
Применение шаговых двигателей:
- исполнительные органы систем автоматизированного управления;
- оргтехника.
Технические характеристики:
напряжение питания устройства, В 3…4,5;
ток обмотки, А 0,3;
сопротивление обмотки, Ом 15;
угол шага, градус 18;
количество шагов 20;
количество выводов 4;
размеры оси, мм 1,5х4;
габаритные размеры, мм Ø20х15,4.
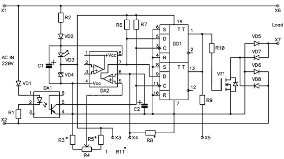
NS182 **
Электронные часы-будильник с энергонезависимой памятью/ходом и исполнительным устройством
Предлагаемый набор позволит собрать электронные часы-будильник, работающие от сети переменного тока 220 В или бортовой сети автомобиля 12 В (стандартный набор от сети 220 В). Часы сохраняют все настройки и продолжают отсчет времени при отключении основного напряжения питания в течение одного года. В режиме будильника по запрограммированному времени устройство способно коммутировать сильноточную нагрузку штатным реле с параметрами 220 В/6 А (1,3 кВт) и издавать сопровождающий звуковой сигнал тревоги. В комплект набора входит корпус. Размеры печатной платы 90х61 мм.
Технические характеристики:
напряжение питания, В 220/12 (с доработкой);
ток потребления, мА 50…80 (в режиме тревоги);
параметры коммутируемой сильноточной
нагрузки, А 10 (125 В по переменному току)
6 (220 В по переменному току);
напряжение резервного источника питания, В 3;
звуковой сигнал, кГц 2;
формат времени, час 24.

|